вконтакте

Контактный телефон: +7 (981) 121-46-93, +7 (800) 200-90-76 , Email: parts-katalog@yandex.ru, где купить

 
 

  Логин:

Пароль:

Регистрация

www.partskatalog.ru Все каталоги Запчасти Mercury Запчасти Suzuki Запчасти Tohatsu Запчасти Honda Контакты


запчастиsuzuki

Узнать наличие и цену запчасти:

Вернуться к началу выбора

Поиск модели по серийному номеру


РЕЖИМЫ ПРОСМОТРА

Все узлы и детали

Двигатель

Трансмиссия

Электрика

Внешние части

Тип двигателя: 4x - тактный

Модель двигателя: Suzuki DF9.9

Модификация Вашего двигателя:   Suzuki DF-9.9 BS / BL (E01 023)
Двигатели с серийным номером после 00995F-340001
Код модели двигателя: Suzuki DF9.9B S / L FROM 00995F-340001~ (E01) - 2023
Год выпуска двигателя: 2023
Регион: Регион E01 (Россия, Европа)


Поиск запчастей по коду или названию


   Выберите раздел

найти расходники на лодочные моторы Suzuki

Начните вводить запрос

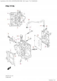
111A - Cylinder Head (111A - Головка блока цилиндра)

111A - Cylinder Head (111A - Головка блока цилиндра)

113A - Cylinder Block (113A - Блок цилиндра)

113A - Cylinder Block (113A - Блок цилиндра)

116A - Crankshaft (116A - Коленвал)

116A - Crankshaft (116A - Коленвал)

120A - Timing Belt (120A - Ремень распредвала)

120A - Timing Belt (120A - Ремень распредвала)

121A - Camshaft (W / Manual Starter) (121A - Распределительный вал (W / ручной Стартер))

121A - Camshaft (W / Manual Starter) (121A - Распределительный вал (W / ручной Стартер))

126A - Inlet Manifold (126A - Впускной коллектор)

126A - Inlet Manifold (126A - Впускной коллектор)

144A - Fuel Injector (144A - Топливный инжектор)

144A - Fuel Injector (144A - Топливный инжектор)

146A - Fuel Pump (P01) (146A - Топливный насос (P01))

146A - Fuel Pump (P01) (146A - Топливный насос (P01))

160A - Water Pump (P01) (160A - Водяной насос (P01))

160A - Water Pump (P01) (160A - Водяной насос (P01))

162A - Thermostat (162A - Термостат)

162A - Thermostat (162A - Термостат)

163A - Throttle Body (163A - Дроссель газа)

163A - Throttle Body (163A - Дроссель газа)

167A - Recoil Starter (167A - Барабанный стартер)

167A - Recoil Starter (167A - Барабанный стартер)

175A - Oil Pump (175A - Масляный насос)

175A - Oil Pump (175A - Масляный насос)

206A - Clutch Rod (206A - Тяга сцепления)

206A - Clutch Rod (206A - Тяга сцепления)

210A - Shift Rod (210A - Переключающая тяга)

210A - Shift Rod (210A - Переключающая тяга)

220A - Transmission (220A - Трансмиссия)

220A - Transmission (220A - Трансмиссия)

303A - Magneto (W / Manual Starter) (303A - Магнето (W / ручной Стартер))

303A - Magneto (W / Manual Starter) (303A - Магнето (W / ручной Стартер))

310B  -  Rectifier / Ignition Coil (Df9.9B:(021,022,023)) (310B - Выпрямитель / Катушка зажигания (Df9.9B: (021, 022, 023) ))

310B - Rectifier / Ignition Coil (Df9.9B:(021,022,023)) (310B - Выпрямитель / Катушка зажигания (Df9.9B: (021, 022, 023) ))

322A - Harness (Df9.9B,Df15A,Df20A) (322A - Жгут проводов (Df9.9B, Df15A, Df20A))

322A - Harness (Df9.9B,Df15A,Df20A) (322A - Жгут проводов (Df9.9B, Df15A, Df20A))

334A  -  Sensor / Switch ((Df9.9B,Df15A,Df20A):P01) (334A - Датчики и переключатели ( (Df9.9B, Df15A, Df20A) : P01))

334A - Sensor / Switch ((Df9.9B,Df15A,Df20A):P01) (334A - Датчики и переключатели ( (Df9.9B, Df15A, Df20A) : P01))

335A - Clamp Bracket ((Df9.9B,Df15A,Df20A):P01) (335A - Кронштейн транца ( (Df9.9B, Df15A, Df20A) : P01))

335A - Clamp Bracket ((Df9.9B,Df15A,Df20A):P01) (335A - Кронштейн транца ( (Df9.9B, Df15A, Df20A) : P01))

336A - Swivel Bracket ((Df9.9B,Df15A,Df20A):P01) (336A - Поворотный кронштейн ( (Df9.9B, Df15A, Df20A) : P01))

336A - Swivel Bracket ((Df9.9B,Df15A,Df20A):P01) (336A - Поворотный кронштейн ( (Df9.9B, Df15A, Df20A) : P01))

401A - Engine Holder (401A - Основание двигателя)

401A - Engine Holder (401A - Основание двигателя)

405A - Drive Shaft Housing (P01) (405A - Корпус вала передачи (P01))

405A - Drive Shaft Housing (P01) (405A - Корпус вала передачи (P01))

405A - Drive Shaft Housing (P01) (405A - Корпус вала передачи (P01))

405A - Drive Shaft Housing (P01) (405A - Корпус вала передачи (P01))

407A - Gear Case (P01:3 Blade) (407A - Картер коробки передач (P01: 3 Blade))

407A - Gear Case (P01:3 Blade) (407A - Картер коробки передач (P01: 3 Blade))

407C - Gear Case (407C - Картер коробки передач)

407C - Gear Case (407C - Картер коробки передач)

410A - Side Cover ((Df9.9B,Df15A,Df20A):P01) (410A - Боковая крышка ( (Df9.9B, Df15A, Df20A) : P01))

410A - Side Cover ((Df9.9B,Df15A,Df20A):P01) (410A - Боковая крышка ( (Df9.9B, Df15A, Df20A) : P01))

420D - Engine Cover (420D - Крышка двигателя (капот))

420D - Engine Cover (420D - Крышка двигателя (капот))

432A - Fuel Tank (432A - Топливный бак)

432A - Fuel Tank (432A - Топливный бак)

444A - Tiller Handle (444A - Румпель)

444A - Tiller Handle (444A - Румпель)

501B - Opt:meter (501B - Опции: приборы)

501B - Opt:meter (501B - Опции: приборы)

508B - Opt:remote Control (508B - Опции: дистанционное управление)

508B - Opt:remote Control (508B - Опции: дистанционное управление)

513A  -  Opt:remote Control Parts (Df9.9B,Df15A,Df20A) (513A - Опции: Запчасти для дистанционного управления (Df9.9B, Df15A, Df20A))

513A - Opt:remote Control Parts (Df9.9B,Df15A,Df20A) (513A - Опции: Запчасти для дистанционного управления (Df9.9B, Df15A, Df20A))

513A  -  Opt:remote Control Parts (Df9.9B,Df15A,Df20A) (513A - Опции: Запчасти для дистанционного управления (Df9.9B, Df15A, Df20A))

513A - Opt:remote Control Parts (Df9.9B,Df15A,Df20A) (513A - Опции: Запчасти для дистанционного управления (Df9.9B, Df15A, Df20A))

515A - Opt:remocon Cable (515A - Опции: трос дистанционного управления)

515A - Opt:remocon Cable (515A - Опции: трос дистанционного управления)

521B - Opt:harness (521B - Опции: жгут проводов)

521B - Opt:harness (521B - Опции: жгут проводов)

530B - Opt:switch (530B - Опции: переключатели)

530B - Opt:switch (530B - Опции: переключатели)

546B  -  Opt:remocon Cable (Electric  Starter)  (022,023) (546B - Опции: трос дистанционного управления (Электростартер) (022, 023))

546B - Opt:remocon Cable (Electric Starter) (022,023) (546B - Опции: трос дистанционного управления (Электростартер) (022, 023))

553A  -  Opt:electrical (Manual Starter)  (See  Note) (553A - Опции: электрика (ручной Стартер) (See Note))

553A - Opt:electrical (Manual Starter) (See Note) (553A - Опции: электрика (ручной Стартер) (See Note))

561A  -  Opt:starting Motor (Manual Starter)  (Df9.9B) (561A - Опции: электростартер (ручной Стартер) (Df9.9B))

561A - Opt:starting Motor (Manual Starter) (Df9.9B) (561A - Опции: электростартер (ручной Стартер) (Df9.9B))

575A - Opt:drag Link (Df9.9B,Df15A,Df20A) (575A - Опции: рулевая тяга (Df9.9B, Df15A, Df20A))

575A - Opt:drag Link (Df9.9B,Df15A,Df20A) (575A - Опции: рулевая тяга (Df9.9B, Df15A, Df20A))

583A - Opt:fuel Tank (583A - Опции: топливный бак)

583A - Opt:fuel Tank (583A - Опции: топливный бак)

600B - Opt:multi Function Gauge (600B - Опции: multi Function Gauge)

600B - Opt:multi Function Gauge (600B - Опции: multi Function Gauge)




 
 

данный сайт носит информационный характер и не является публичной офертой

склад запчастей для водомоторной техники