вконтакте

Контактный телефон: +7 (981) 121-46-93, +7 (800) 200-90-76 , Email: parts-katalog@yandex.ru, где купить

 
 

  Логин:

Пароль:

Регистрация

www.partskatalog.ru Все каталоги Запчасти Mercury Запчасти Suzuki Запчасти Tohatsu Запчасти Honda Контакты


запчастиsuzuki

Узнать наличие и цену запчасти:

Вернуться к началу выбора

Поиск модели по серийному номеру


РЕЖИМЫ ПРОСМОТРА

Все узлы и детали

Двигатель

Трансмиссия

Электрика

Внешние части

Тип двигателя: 4x - тактный

Модель двигателя: Suzuki DF90

Модификация Вашего двигателя:   Suzuki DF-90 ATL / ATX (E01 018)
Двигатели с серийным номером после 09003F-810001
Код модели двигателя: DF90A TL /TX FROM 09003F-810001~ (E01 018)
Год выпуска двигателя: 2018
Регион: Регион E01 (Россия, Европа)


Поиск запчастей по коду или названию


   Выберите раздел

найти расходники на лодочные моторы Suzuki

Начните вводить запрос

111A - Cylinder  Head  (Df70A)(Df70Ath)(Df80A)(Df90A)(Df90Ath) (111A - Головка блока цилиндра (Df70A) (Df70Ath) (Df80A) (Df90A) (Df90Ath))

111A - Cylinder Head (Df70A)(Df70Ath)(Df80A)(Df90A)(Df90Ath) (111A - Головка блока цилиндра (Df70A) (Df70Ath) (Df80A) (Df90A) (Df90Ath))

113A - Cylinder  Block (113A - Блок цилиндра)

113A - Cylinder Block (113A - Блок цилиндра)

116A - Crankshaft (116A - Коленвал)

116A - Crankshaft (116A - Коленвал)

119A - Timing  Chain (119A - Распределяющая цепь)

119A - Timing Chain (119A - Распределяющая цепь)

121A - Camshaft  (Df70A)(Df70Ath) (121A - Распределительный вал (Df70A) (Df70Ath))

121A - Camshaft (Df70A)(Df70Ath) (121A - Распределительный вал (Df70A) (Df70Ath))

122A - Intake  Manifold (122A - Впускной коллектор)

122A - Intake Manifold (122A - Впускной коллектор)

134A - Silencer (134A - Глушитель)

134A - Silencer (134A - Глушитель)

136A - Ring  Gear  Cover (136A - Крышка механизма маховика)

136A - Ring Gear Cover (136A - Крышка механизма маховика)

136A - Ring  Gear  Cover (136A - Крышка механизма маховика)

136A - Ring Gear Cover (136A - Крышка механизма маховика)

140A - Exhaust  Cover (140A - Кожух выхлопной трубы)

140A - Exhaust Cover (140A - Кожух выхлопной трубы)

143A - Fuel  Vapor  Separator  (E01) (143A - Отделитель паров топлива (E01))

143A - Fuel Vapor Separator (E01) (143A - Отделитель паров топлива (E01))

144A - Fuel Injector  (E01) (144A - Топливный инжектор (E01))

144A - Fuel Injector (E01) (144A - Топливный инжектор (E01))

146A - Fuel Pump  (Df70A)(Df70Ath)(Df80A)(Df90A)(Df90Ath) (146A - Топливный насос (Df70A) (Df70Ath) (Df80A) (Df90A) (Df90Ath))

146A - Fuel Pump (Df70A)(Df70Ath)(Df80A)(Df90A)(Df90Ath) (146A - Топливный насос (Df70A) (Df70Ath) (Df80A) (Df90A) (Df90Ath))

160C - Water Pump  (Df90A  E01)(Df90Ath  E01) (160C - Водяной насос (Df90A E01) (Df90Ath E01))

160C - Water Pump (Df90A E01)(Df90Ath E01) (160C - Водяной насос (Df90A E01) (Df90Ath E01))

162A - Thermostat  (Df70A)(Df90A)(Df100B) (162A - Термостат (Df70A) (Df90A) (Df100B))

162A - Thermostat (Df70A)(Df90A)(Df100B) (162A - Термостат (Df70A) (Df90A) (Df100B))

162B - Thermostat  (Df70Ath)(Df80A)(Df90Ath) (162B - Термостат (Df70Ath) (Df80A) (Df90Ath))

162B - Thermostat (Df70Ath)(Df80A)(Df90Ath) (162B - Термостат (Df70Ath) (Df80A) (Df90Ath))

163A - Throttle  Body  (Df70A)(Df80A)(Df90A) (163A - Дроссель газа (Df70A) (Df80A) (Df90A))

163A - Throttle Body (Df70A)(Df80A)(Df90A) (163A - Дроссель газа (Df70A) (Df80A) (Df90A))

163B - Throttle  Body  (Df70Ath)(Df90Ath) (163B - Дроссель газа (Df70Ath) (Df90Ath))

163B - Throttle Body (Df70Ath)(Df90Ath) (163B - Дроссель газа (Df70Ath) (Df90Ath))

175A - Oil Pump (175A - Масляный насос)

175A - Oil Pump (175A - Масляный насос)

180A - Oil Pan  (Df70A)(Df90A)(Df100B) (180A - Масляный поддон (Df70A) (Df90A) (Df100B))

180A - Oil Pan (Df70A)(Df90A)(Df100B) (180A - Масляный поддон (Df70A) (Df90A) (Df100B))

180B - Oil Pan  (Df70Ath)(Df80A)(Df90Ath) (180B - Масляный поддон (Df70Ath) (Df80A) (Df90Ath))

180B - Oil Pan (Df70Ath)(Df80A)(Df90Ath) (180B - Масляный поддон (Df70Ath) (Df80A) (Df90Ath))

204A  -  Clutch  Shaft (204A - Сцепление Вал)

204A - Clutch Shaft (204A - Сцепление Вал)

206A - Clutch  Rod (206A - Тяга сцепления)

206A - Clutch Rod (206A - Тяга сцепления)

220A - Transmission  (Df70A)(Df90A)(Df100B) (220A - Трансмиссия (Df70A) (Df90A) (Df100B))

220A - Transmission (Df70A)(Df90A)(Df100B) (220A - Трансмиссия (Df70A) (Df90A) (Df100B))

220B - Transmission  (Df70Ath)(Df80A)(Df90Ath) (220B - Трансмиссия (Df70Ath) (Df80A) (Df90Ath))

220B - Transmission (Df70Ath)(Df80A)(Df90Ath) (220B - Трансмиссия (Df70Ath) (Df80A) (Df90Ath))

301A - Starting  Motor (301A - Двигатель электростартера)

301A - Starting Motor (301A - Двигатель электростартера)

303A - Magneto (303A - Магнето)

303A - Magneto (303A - Магнето)

310A - Rectifier/ignition  Coil (310A - Выпрямитель / Катушка зажигания)

310A - Rectifier/ignition Coil (310A - Выпрямитель / Катушка зажигания)

315A - Sensor (315A - Датчик)

315A - Sensor (315A - Датчик)

322A - Harness (Df70A)(Df70Ath)(Df80A)(Df90A)(Df90Ath) (322A - Жгут проводов (Df70A) (Df70Ath) (Df80A) (Df90A) (Df90Ath))

322A - Harness (Df70A)(Df70Ath)(Df80A)(Df90A)(Df90Ath) (322A - Жгут проводов (Df70A) (Df70Ath) (Df80A) (Df90A) (Df90Ath))

326E - Ptt  Switch/engine  Control  Unit  (Df90A  E01)(Df90Ath  E01) (326E - Переключатель гидроподъёма / Блок управления двигателем (Df90A E01) (Df90Ath E01))

326E - Ptt Switch/engine Control Unit (Df90A E01)(Df90Ath E01) (326E - Переключатель гидроподъёма / Блок управления двигателем (Df90A E01) (Df90Ath E01))

331A - Key Less  Start  (Df70A  E01)(Df80A  E01)(Df90A  E01)(Df100B  E01) (331A - Ключ Less Start (Df70A E01) (Df80A E01) (Df90A E01) (Df100B E01))

331A - Key Less Start (Df70A E01)(Df80A E01)(Df90A E01)(Df100B E01) (331A - Ключ Less Start (Df70A E01) (Df80A E01) (Df90A E01) (Df100B E01))

335A - Clamp  Bracket  (Df70A)(Df90A)(Df100B) (335A - Кронштейн транца (Df70A) (Df90A) (Df100B))

335A - Clamp Bracket (Df70A)(Df90A)(Df100B) (335A - Кронштейн транца (Df70A) (Df90A) (Df100B))

335B - Clamp  Bracket  (Df70Ath)(Df80A)(Df90Ath) (335B - Кронштейн транца (Df70Ath) (Df80A) (Df90Ath))

335B - Clamp Bracket (Df70Ath)(Df80A)(Df90Ath) (335B - Кронштейн транца (Df70Ath) (Df80A) (Df90Ath))

336A - Swivel  Bracket  (Df70A)(Df90A)(Df100B) (336A - Поворотный кронштейн (Df70A) (Df90A) (Df100B))

336A - Swivel Bracket (Df70A)(Df90A)(Df100B) (336A - Поворотный кронштейн (Df70A) (Df90A) (Df100B))

336C - Swivel  Bracket  (Df70Ath)(Df90Ath) (336C - Поворотный кронштейн (Df70Ath) (Df90Ath))

336C - Swivel Bracket (Df70Ath)(Df90Ath) (336C - Поворотный кронштейн (Df70Ath) (Df90Ath))

337A - Trim  Cylinder (337A - Цилиндр трима)

337A - Trim Cylinder (337A - Цилиндр трима)

340A - Ptt  Motor (340A - Двигатель гидроподъёма)

340A - Ptt Motor (340A - Двигатель гидроподъёма)

401A - Engine  Holder  (Df70A)(Df90A)(Df100B) (401A - Основание двигателя (Df70A) (Df90A) (Df100B))

401A - Engine Holder (Df70A)(Df90A)(Df100B) (401A - Основание двигателя (Df70A) (Df90A) (Df100B))

401B - Engine  Holder  (Df70Ath)(Df80A)(Df90Ath) (401B - Основание двигателя (Df70Ath) (Df80A) (Df90Ath))

401B - Engine Holder (Df70Ath)(Df80A)(Df90Ath) (401B - Основание двигателя (Df70Ath) (Df80A) (Df90Ath))

405A - Drive Shaft  Housing  (Df70A)(Df90A)(Df100B) (405A - Корпус вала передачи (Df70A) (Df90A) (Df100B))

405A - Drive Shaft Housing (Df70A)(Df90A)(Df100B) (405A - Корпус вала передачи (Df70A) (Df90A) (Df100B))

405B - Drive Shaft  Housing  (Df70Ath)(Df80A)(Df90Ath) (405B - Корпус вала передачи (Df70Ath) (Df80A) (Df90Ath))

405B - Drive Shaft Housing (Df70Ath)(Df80A)(Df90Ath) (405B - Корпус вала передачи (Df70Ath) (Df80A) (Df90Ath))

407A - Gear  Case  (Df70A)(Df90A)(Df100B) (407A - Картер коробки передач (Df70A) (Df90A) (Df100B))

407A - Gear Case (Df70A)(Df90A)(Df100B) (407A - Картер коробки передач (Df70A) (Df90A) (Df100B))

407B - Gear  Case  (Df70Ath)(Df80A)(Df90Ath) (407B - Картер коробки передач (Df70Ath) (Df80A) (Df90Ath))

407B - Gear Case (Df70Ath)(Df80A)(Df90Ath) (407B - Картер коробки передач (Df70Ath) (Df80A) (Df90Ath))

410A - Side  Cover  (Df70A)(Df90A)(Df100B) (410A - Боковая крышка (Df70A) (Df90A) (Df100B))

410A - Side Cover (Df70A)(Df90A)(Df100B) (410A - Боковая крышка (Df70A) (Df90A) (Df100B))

410B - Side  Cover  (Df70Ath)(Df90Ath) (410B - Боковая крышка (Df70Ath) (Df90Ath))

410B - Side Cover (Df70Ath)(Df90Ath) (410B - Боковая крышка (Df70Ath) (Df90Ath))

420G - Engine  Cover  (Df90A  E01) (420G - Крышка двигателя (капот) (Df90A E01))

420G - Engine Cover (Df90A E01) (420G - Крышка двигателя (капот) (Df90A E01))

420J - Engine  Cover  (Df90Ath  E01) (420J - Крышка двигателя (капот) (Df90Ath E01))

420J - Engine Cover (Df90Ath E01) (420J - Крышка двигателя (капот) (Df90Ath E01))

432A - Fuel  Tank (432A - Топливный бак)

432A - Fuel Tank (432A - Топливный бак)

442A - Drag  Link  (Df70A)(Df80A)(Df90A)(Df100B) (442A - Переключающая тяга (Df70A) (Df80A) (Df90A) (Df100B))

442A - Drag Link (Df70A)(Df80A)(Df90A)(Df100B) (442A - Переключающая тяга (Df70A) (Df80A) (Df90A) (Df100B))

442B - Drag  Link  (Df70Ath)(Df90Ath) (442B - Переключающая тяга (Df70Ath) (Df90Ath))

442B - Drag Link (Df70Ath)(Df90Ath) (442B - Переключающая тяга (Df70Ath) (Df90Ath))

444A - Tiller  Handle  (Df70Ath)(Df90Ath) (444A - Румпель (Df70Ath) (Df90Ath))

444A - Tiller Handle (Df70Ath)(Df90Ath) (444A - Румпель (Df70Ath) (Df90Ath))

460A - Meter  (Df70A)(Df80A)(Df90A)(Df100B) (460A - Прибор (Df70A) (Df80A) (Df90A) (Df100B))

460A - Meter (Df70A)(Df80A)(Df90A)(Df100B) (460A - Прибор (Df70A) (Df80A) (Df90A) (Df100B))

501A - Opt:meter (Df70A)(Df80A)(Df90A)(Df100B) (501A - Опции: приборы (Df70A) (Df80A) (Df90A) (Df100B))

501A - Opt:meter (Df70A)(Df80A)(Df90A)(Df100B) (501A - Опции: приборы (Df70A) (Df80A) (Df90A) (Df100B))

501B - Opt:meter (Df70Ath)(Df90Ath) (501B - Опции: приборы (Df70Ath) (Df90Ath))

501B - Opt:meter (Df70Ath)(Df90Ath) (501B - Опции: приборы (Df70Ath) (Df90Ath))

501B - Opt:meter (Df70Ath)(Df90Ath) (501B - Опции: приборы (Df70Ath) (Df90Ath))

501B - Opt:meter (Df70Ath)(Df90Ath) (501B - Опции: приборы (Df70Ath) (Df90Ath))

507A - Opt:water  Pressure  Gauge  Sub  Kit (507A - Опции: Комплект прибора изменения давления воды)

507A - Opt:water Pressure Gauge Sub Kit (507A - Опции: Комплект прибора изменения давления воды)

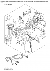
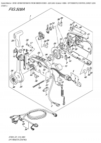
508A - Opt:remote  Control  (N/key  Less  Start) (508A - Опции: дистанционное управление (N / Ключ Less Start))

508A - Opt:remote Control (N/key Less Start) (508A - Опции: дистанционное управление (N / Ключ Less Start))

508A - Opt:remote  Control  (N/key  Less  Start) (508A - Опции: дистанционное управление (N / Ключ Less Start))

508A - Opt:remote Control (N/key Less Start) (508A - Опции: дистанционное управление (N / Ключ Less Start))

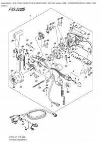
508B - Opt:remote  Control  (W/key  Less  Start) (508B - Опции: дистанционное управление (W / Ключ Less Start))

508B - Opt:remote Control (W/key Less Start) (508B - Опции: дистанционное управление (W / Ключ Less Start))

517A - Opt:concealed  Remocon  (1)  (Df70A)(Df80A)(Df90A)(Df100B) (517A - Опции: дистанционное управление, скрытая установка (1) (Df70A) (Df80A) (Df90A) (Df100B))

517A - Opt:concealed Remocon (1) (Df70A)(Df80A)(Df90A)(Df100B) (517A - Опции: дистанционное управление, скрытая установка (1) (Df70A) (Df80A) (Df90A) (Df100B))

518A - Opt:concealed  Remocon  (2)  (Df70A)(Df80A)(Df90A)(Df100B) (518A - Опции: дистанционное управление, скрытая установка (2) (Df70A) (Df80A) (Df90A) (Df100B))

518A - Opt:concealed Remocon (2) (Df70A)(Df80A)(Df90A)(Df100B) (518A - Опции: дистанционное управление, скрытая установка (2) (Df70A) (Df80A) (Df90A) (Df100B))

519A - Opt:remote  Control  Spacer (519A - Опции: дистанционное управление Проставка)

519A - Opt:remote Control Spacer (519A - Опции: дистанционное управление Проставка)

521A - Opt:harness  (Df70A)(Df80A)(Df90A)(Df100B) (521A - Опции: жгут проводов (Df70A) (Df80A) (Df90A) (Df100B))

521A - Opt:harness (Df70A)(Df80A)(Df90A)(Df100B) (521A - Опции: жгут проводов (Df70A) (Df80A) (Df90A) (Df100B))

521B - Opt:harness  (Df70Ath)(Df90Ath) (521B - Опции: жгут проводов (Df70Ath) (Df90Ath))

521B - Opt:harness (Df70Ath)(Df90Ath) (521B - Опции: жгут проводов (Df70Ath) (Df90Ath))

530A - Opt:switch  (Df70A)(Df80A)(Df90A)(Df100B) (530A - Опции: переключатели (Df70A) (Df80A) (Df90A) (Df100B))

530A - Opt:switch (Df70A)(Df80A)(Df90A)(Df100B) (530A - Опции: переключатели (Df70A) (Df80A) (Df90A) (Df100B))

535A - Opt:key  Less  Start  (Df70A  E01)(Df80A  E01)(Df90A  E01)(Df90A  E01) (535A - Опции: Ключ Less Start (Df70A E01) (Df80A E01) (Df90A E01) (Df90A E01))

535A - Opt:key Less Start (Df70A E01)(Df80A E01)(Df90A E01)(Df90A E01) (535A - Опции: Ключ Less Start (Df70A E01) (Df80A E01) (Df90A E01) (Df90A E01))

544A - Opt:remote  Control  Assy  Single  (1)  (Df70A)(Df80A)(Df90A)(Df100B) (544A - Дистанционное управление в сборе, одинарное (1) (Df70A) (Df80A) (Df90A) (Df100B))

544A - Opt:remote Control Assy Single (1) (Df70A)(Df80A)(Df90A)(Df100B) (544A - Дистанционное управление в сборе, одинарное (1) (Df70A) (Df80A) (Df90A) (Df100B))

545A - Opt:remote  Control  Assy  Single  (2)  (Df70A)(Df80A)(Df90A)(Df100B) (545A - Дистанционное управление в сборе, одинарное (2) (Df70A) (Df80A) (Df90A) (Df100B))

545A - Opt:remote Control Assy Single (2) (Df70A)(Df80A)(Df90A)(Df100B) (545A - Дистанционное управление в сборе, одинарное (2) (Df70A) (Df80A) (Df90A) (Df100B))

570A - Opt:tiller  Handle  (Df70A)(Df80A)(Df90A)(Df100B) (570A - Опции: Румпель (Df70A) (Df80A) (Df90A) (Df100B))

570A - Opt:tiller Handle (Df70A)(Df80A)(Df90A)(Df100B) (570A - Опции: Румпель (Df70A) (Df80A) (Df90A) (Df100B))

585A - Opt:gasket  Set (585A - Опции: комплект прокладок)

585A - Opt:gasket Set (585A - Опции: комплект прокладок)

600A - Opt:multi  Function  Gauge  (Df70Ath)(Df90Ath) (600A - Опции: multi Function Gauge (Df70Ath) (Df90Ath))

600A - Opt:multi Function Gauge (Df70Ath)(Df90Ath) (600A - Опции: multi Function Gauge (Df70Ath) (Df90Ath))

601A - Opt:multi  Function  Gauge  (1)  (Df70A)(Df80A)(Df90A)(Df100B) (601A - Опции: multi Function Gauge (1) (Df70A) (Df80A) (Df90A) (Df100B))

601A - Opt:multi Function Gauge (1) (Df70A)(Df80A)(Df90A)(Df100B) (601A - Опции: multi Function Gauge (1) (Df70A) (Df80A) (Df90A) (Df100B))

602A - Opt:multi  Function  Gauge  (2)  (Df70A)(Df80A)(Df90A)(Df100B) (602A - Опции: multi Function Gauge (2) (Df70A) (Df80A) (Df90A) (Df100B))

602A - Opt:multi Function Gauge (2) (Df70A)(Df80A)(Df90A)(Df100B) (602A - Опции: multi Function Gauge (2) (Df70A) (Df80A) (Df90A) (Df100B))




 
 

данный сайт носит информационный характер и не является публичной офертой

склад запчастей для водомоторной техники