вконтакте

Контактный телефон: +7 (981) 121-46-93, +7 (800) 200-90-76 , Email: parts-katalog@yandex.ru, где купить

 
 

  Логин:

Пароль:

Регистрация

www.partskatalog.ru Все каталоги Запчасти Mercury Запчасти Suzuki Запчасти Tohatsu Запчасти Honda Контакты

назад Раздел:   вперёд

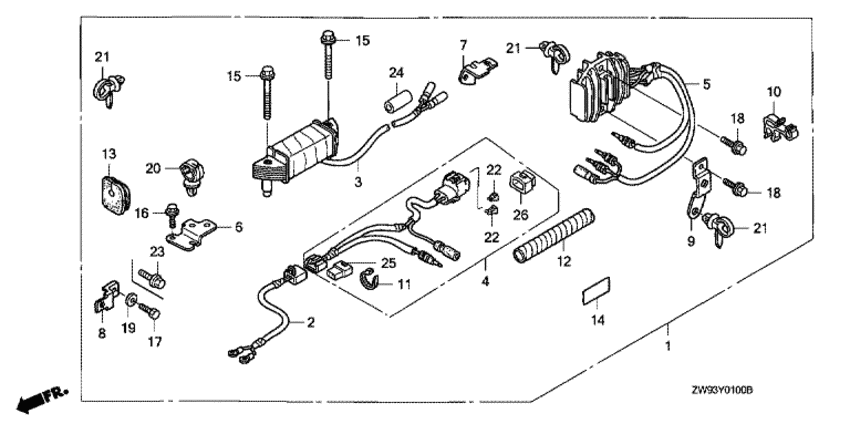
Модификация Вашего двигателя:   Honda BFP9.9D1 LRC; Power Thrust
Модели с серийным номером двигателя от BEABJ-1002736 до BEABJ-9999999
Модели с серийным номером рамы от BABJ-1002571 до BABJ-1099999

Вернуться к выбору узлов мотора

   Комплект зарядной катушки
Charge Coil Kit      


ДЕТАЛИРОВКА ДЛЯ МОДЕЛИ: HONDA BFP9.9D1

Подвесной 4x-тактный лодочный мотор BFP9.9D1 - Комплект зарядной катушки / Charge Coil Kit

Время выполнения запроса 0.46841192245483 сек.

 
 

данный сайт носит информационный характер и не является публичной офертой

склад запчастей для водомоторной техники