вконтакте

Контактный телефон: +7 (981) 121-46-93, +7 (800) 200-90-76 , Email: parts-katalog@yandex.ru, где купить

 
 

  Логин:

Пароль:

Регистрация

www.partskatalog.ru Все каталоги Запчасти Mercury Запчасти Suzuki Запчасти Tohatsu Запчасти Honda Контакты

назад Раздел:   вперёд

Модификация Вашего двигателя:   Honda BF9.9D1 SHC
Модели с серийным номером двигателя от BEABJ-1002000 до BEABJ-9999999
Модели с серийным номером рамы от BABJ-1001839 до BABJ-1099999

Вернуться к выбору узлов мотора

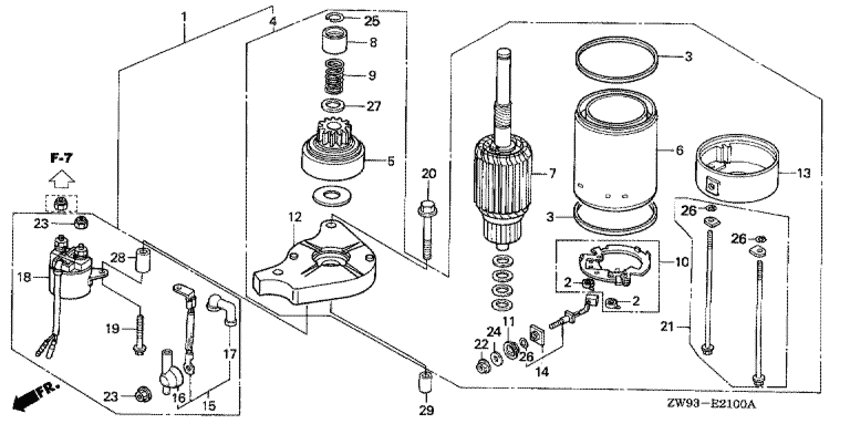
   Двигатель стартера
Starter Motor      


ДЕТАЛИРОВКА ДЛЯ МОДЕЛИ: HONDA BF9.9D1

Лодочный fourstroke мотор BF9.9D1 - Двигатель стартера / Starter Motor

Время выполнения запроса 0.17985892295837 сек.

 
 

данный сайт носит информационный характер и не является публичной офертой

склад запчастей для водомоторной техники