вконтакте

Контактный телефон: +7 (981) 121-46-93, +7 (800) 200-90-76 , Email: parts-katalog@yandex.ru, где купить

 
 

  Логин:

Пароль:

Регистрация

www.partskatalog.ru Все каталоги Запчасти Mercury Запчасти Suzuki Запчасти Tohatsu Запчасти Honda Контакты



УВАЖАЕМЫЕ КЛИЕНТЫ!
C 19 ДЕКАБРЯ 2025 ПО 02 МАРТА 2026 ГОДА ОТДЕЛ ЗАПЧАСТЕЙ И СЕРВИС РАБОТАТЬ НЕ БУДУТ
ПРОДАЖА ЛОДОЧНЫХ МОТОРОВ В ШТАТНОМ РЕЖИМЕ
ОБ ИЗМЕНЕНИЯХ В ГРАФИКЕ РАБОТЫ ЧИТАЙТЕ НА САЙТА



назад Раздел:   вперёд

Модификация Вашего двигателя:   Honda BF9.9AM SC
Модели с серийным номером двигателя от BABE-1200001 до BABE-1299999
Модели с серийным номером рамы от BABS-1200001 до BABS-1299999

Вернуться к выбору узлов мотора

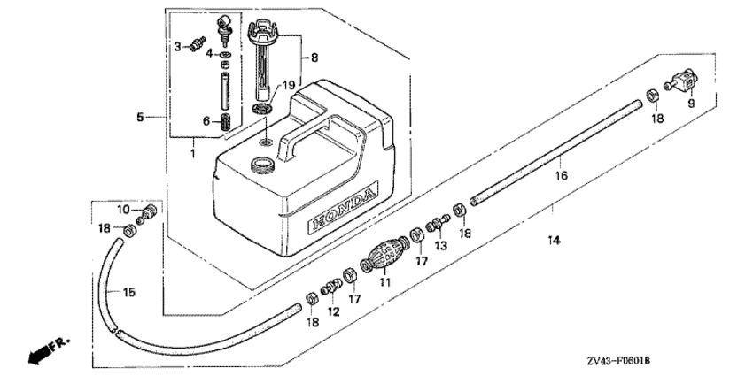
   Топливный бак (пластиковый)
Fuel Tank (plastics)      


ДЕТАЛИРОВКА ДЛЯ МОДЕЛИ: HONDA BF9.9AM

Подвесной fourstroke лодочный двигатель BF9.9AM - Топливный бак (пластиковый) / Fuel Tank (plastics)
Номер на
рисунке
АртикулНаименованиеКол-во
на складе
Цена
116900-ZV4-A20

Соеденитель топливного бака, в сборе (Joint assy., fuel)

под заказпо запросу 
116900-ZV4-A21

Соеденитель топливного бака, в сборе (Joint assy., fuel)

под заказ8700 руб. 
316977-ZV5-900

Фитинг для быстрого отключения (Fitting, quick disconnect)

под заказ3040 руб. 
316977-ZV5-A00

Фитинг для быстрого отключения (Fitting, quick disconnect)

2 шт5520 руб. 
416979-ZV5-900

Уплотнительное кольцо (O-ring)

под заказ370 руб. 
416979-ZV5-901

(последний код) O-RING

под заказ380 руб. 
517500-ZV4-A20

Топливный бак, в сборе (Tank assy., fuel)

под заказ15270 руб. 
517500-ZZ5-013

(последний код) TANK ASSY,FUEL 12

под заказ25890 руб. 
517500-ZV4-A21

Топливный бак, в сборе (Tank assy., fuel)

под заказ23630 руб. 
617583-ZV5-900

Топливный фильтр (Filter, fuel)

под заказ1820 руб. 
617583-ZV5-901

(последний код) FILTER, FUEL

1 шт1570 руб. 
817620-ZV4-A20

Крышка топливного фильтра (Cap comp., fuel filler)

под заказ6640 руб. 
917650-ZV4-005

Топливный коннектор, в сборе (a) (Connector assy., fuel (a))

под заказ6730 руб. 
904104-ZW9-010

(последний код) CONNECTOR ASSY AS

под заказ8420 руб. 
1017660-ZV5-900

Коннектор топливного бака (Connector comp., fuel)

под заказпо запросу 
1017660-ZV5-901

Коннектор топливного бака (Connector comp., fuel)

под заказпо запросу 
1017660-ZV5-902

Коннектор топливного бака (Connector comp., fuel)

под заказ3600 руб. 
1017660-ZV5-A00

Коннектор топливного бака (Connector comp., fuel)

под заказ8280 руб. 
1017660-ZW9-003

(последний код) CONNECTOR COMP., FUEL

под заказ6730 руб. 
1117661-921-000

Груша для подкачки топлива (Bulb, primer)

под заказ2990 руб. 
1117661-921-010

(последний код) BULB, PRIMER

под заказ2990 руб. 
1217665-ZV5-000

Внутренний клапан (Valve comp., in.)

под заказ3190 руб. 
1317680-ZV4-000

Наружный клапан (Valve comp., outlet)

под заказ2800 руб. 
1417700-ZV5-010

Трубка для подключения топливного бака, в сборе (Tube assy., fuel)

под заказ17970 руб. 
1404101-ZW9-010

(последний код) CONNECTOR SET,FUE

под заказ14780 руб. 
1517701-ZV5-000

Длинная топливная трубка (7.3x2000) (Tube, fuel long (7.3x2000))

под заказ4740 руб. 
1617702-ZV4-000

Короткая топливная трубка (6.3x500) (Tube, fuel short (6.3x500))

под заказ870 руб. 
1717703-921-000

Зажимной ремешек трубки, 20 мм (Band, tube clip, 20mm)

под заказ580 руб. 
1717703-921-010

(последний код) BAND, TUBE CLIP, 20MM

под заказ580 руб. 
1817704-ZV4-000

Зажимной ремешек трубки, 12.5 мм (Band, tube clip, 12.5mm)

5 шт320 руб. 
1817704-ZV4-010

(последний код) BAND, TUBE CLIP, 12.5MM

под заказ320 руб. 
1917624-ZV4-A20

Прокладка крышки бака (Packing, fuel cap)

под заказ1520 руб. 
1917624-ZV5-902

(последний код) PACKING, FUEL CAP

под заказ1520 руб. 

Время выполнения запроса 1.1136548519135 сек.

 
 

данный сайт носит информационный характер и не является публичной офертой

склад запчастей для водомоторной техники