вконтакте

Контактный телефон: +7 (981) 121-46-93, +7 (800) 200-90-76 , Email: parts-katalog@yandex.ru, где купить

 
 

  Логин:

Пароль:

Регистрация

www.partskatalog.ru Все каталоги Запчасти Mercury Запчасти Suzuki Запчасти Tohatsu Запчасти Honda Контакты

назад Раздел:   вперёд

Модификация Вашего двигателя:   Honda BF9.9AK SB
Модели с серийным номером двигателя от BABE-1100001 до BABE-1199999
Модели с серийным номером рамы от BABS-1100001 до BABS-1100832

Вернуться к выбору узлов мотора

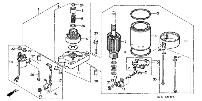
   Двигатель стартера
Starter Motor      


ДЕТАЛИРОВКА ДЛЯ МОДЕЛИ: HONDA BF9.9AK

Лодочный четырёх тактный мотор Хонда BF9.9AK - Starter Motor - Двигатель стартера

Время выполнения запроса 0.17758011817932 сек.

 
 

данный сайт носит информационный характер и не является публичной офертой

склад запчастей для водомоторной техники