вконтакте

Контактный телефон: +7 (981) 121-46-93, +7 (800) 200-90-76 , Email: parts-katalog@yandex.ru, где купить

 
 

  Логин:

Пароль:

Регистрация

www.partskatalog.ru Все каталоги Запчасти Mercury Запчасти Suzuki Запчасти Tohatsu Запчасти Honda Контакты



УВАЖАЕМЫЕ КЛИЕНТЫ!
C 19 ДЕКАБРЯ 2025 ПО 02 МАРТА 2026 ГОДА ОТДЕЛ ЗАПЧАСТЕЙ И СЕРВИС РАБОТАТЬ НЕ БУДУТ
ПРОДАЖА ЛОДОЧНЫХ МОТОРОВ В ШТАТНОМ РЕЖИМЕ
ОБ ИЗМЕНЕНИЯХ В ГРАФИКЕ РАБОТЫ ЧИТАЙТЕ НА САЙТА



назад Раздел:   вперёд

Модификация Вашего двигателя:   Honda BF9.9AK SDS
Модели с серийным номером двигателя от BABE-1100001 до BABE-1199999
Модели с серийным номером рамы от BABS-1100833 до BABS-1199999

Вернуться к выбору узлов мотора

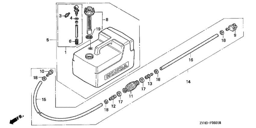
   Топливный бак (пластиковый)
Fuel Tank (plastics)      


ДЕТАЛИРОВКА ДЛЯ МОДЕЛИ: HONDA BF9.9AK

Подвесной fourstroke мотор BF9.9AK - Топливный бак (пластиковый)

Время выполнения запроса 0.19086813926697 сек.

 
 

данный сайт носит информационный характер и не является публичной офертой

склад запчастей для водомоторной техники