вконтакте

Контактный телефон: +7 (981) 121-46-93, +7 (800) 200-90-76 , Email: parts-katalog@yandex.ru, где купить

 
 

  Логин:

Пароль:

Регистрация

www.partskatalog.ru Все каталоги Запчасти Mercury Запчасти Suzuki Запчасти Tohatsu Запчасти Honda Контакты



УВАЖАЕМЫЕ КЛИЕНТЫ!
C 19 ДЕКАБРЯ 2025 ПО 02 МАРТА 2026 ГОДА ОТДЕЛ ЗАПЧАСТЕЙ И СЕРВИС РАБОТАТЬ НЕ БУДУТ
ПРОДАЖА ЛОДОЧНЫХ МОТОРОВ В ШТАТНОМ РЕЖИМЕ
ОБ ИЗМЕНЕНИЯХ В ГРАФИКЕ РАБОТЫ ЧИТАЙТЕ НА САЙТА



назад Раздел:   вперёд

Модификация Вашего двигателя:   Honda B75K3 LA
Модели с серийным номером двигателя от B75-4000001 до B75-4013000
Модели с серийным номером рамы от B75-4000001 до B75-4013000

Вернуться к выбору узлов мотора

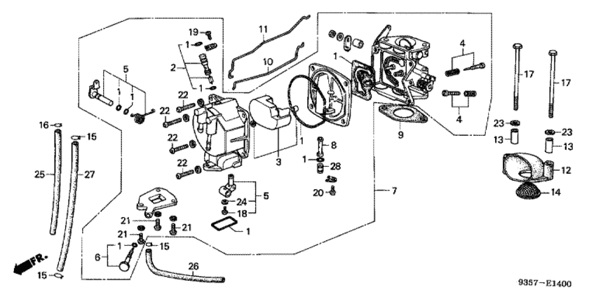
   Карбюратор / Воздуховод
Carburetor / Air Guide      


ДЕТАЛИРОВКА ДЛЯ МОДЕЛИ: HONDA B75K3

Подвесной четырёх тактный лодочный мотор B75K3 - Carburetor / Air Guide / Карбюратор / Воздуховод
Номер на
рисунке
АртикулНаименованиеКол-во
на складе
Цена
116010-920-004

Комплект прокладок (Gasket set)

под заказ3080 руб. 
216011-920-014

Клапан поплавка, набор (Valve set, float)

под заказ5480 руб. 
316013-920-004

Поплавок, набор (Float set)

под заказпо запросу 
416016-920-004

Набор винтов (Screw set)

под заказпо запросу 
516017-921-014

Link set (Link set)

под заказпо запросу 
616024-920-004

Дренажный винт, комплект (Screw set, drain)

под заказпо запросу 
716100-935-004

Карбюратор в сборе. (Carburetor assy.)

под заказ32140 руб. 
816166-921-004

Главная форсунка (Nozzle, main)

под заказпо запросу 
916201-921-000

Прокладка карбюратора (Gasket, carburetor)

под заказпо запросу 
1016593-935-000

Тяга дросселя (Rod, throttle)

под заказпо запросу 
1116622-935-000

Тяга дросселя (Rod, choke)

под заказпо запросу 
1217201-921-030

Направляющая воздуховода (Guide, air)

под заказпо запросу 
1317202-921-000

Промежуточный воротник (Collar, distance)

под заказпо запросу 
1417203-921-000

Пламегаситель (Trap, flame)

под заказпо запросу 
1590602-921-000

Зажим трубки (b8) (Clip, tube (b8))

под заказ270 руб. 
1690605-921-000

Зажим B7 трубки (Clip b7, tube)

под заказпо запросу 
1792000-06110-02

Болт под шестигранник., 6x110 (Bolt, hex., 6x110)

под заказпо запросу 
1893500-030-104-J

Винт с чашечкой, 3x10 (Screw, pan, 3x10)

под заказпо запросу 
1993500-040-060-H

Винт (Screw)

под заказ90 руб. 
2093500-040064J

Винт с чашечкой, 4x6 (Screw, pan, 4x6)

под заказ100 руб. 
2193500-040-120-H

Винт (Screw)

под заказ90 руб. 
2293500-040-160-H

Винт (Screw)

под заказ110 руб. 
23 9410106200

Плоская шайба, 6 мм (Washer, plain, 6mm)

под заказ90 руб. 
2494111-03800

Шайба (Washer)

под заказ90 руб. 
2595001-352-154-0

Топливный шланг, 3.5x215 (95001-35001-60m) (Tube, fuel, 3.5x215 (95001-35001-60m))

под заказпо запросу 
2695001-451-504-0

Топливный шланг, 4.5x150 (95001-45001-60m) (Tube, fuel, 4.5x150 (95001-45001-60m))

под заказ1210 руб. 
2695001-450-0160M

(последний код) BULK TUBE,F 45X1M

под заказ840 руб. 
2795001-453-554-0

Топливный шланг, 4.5x355 (95001-45001-60m) (Tube, fuel, 4.5x355 (95001-45001-60m))

под заказпо запросу 
2899101-921-0720

Главная форсунка (#72) (Jet, main (#72))

под заказпо запросу 
2899101-921-0750

Главная форсунка (#75) (Jet, main (#75))

под заказпо запросу 
2899101-921-0780

Главная форсунка (#78std.) (Jet, main (#78std.))

под заказпо запросу 
2899101-921-0800

Главная форсунка (#80) (Jet, main (#80))

под заказпо запросу 
2899101-921-0820

Главная форсунка (#82) (Jet, main (#82))

под заказпо запросу 

Время выполнения запроса 3.2707509994507 сек.

 
 

данный сайт носит информационный характер и не является публичной офертой

склад запчастей для водомоторной техники