вконтакте

Контактный телефон: +7 (981) 121-46-93, +7 (800) 200-90-76 , Email: parts-katalog@yandex.ru, где купить

 
 

  Логин:

Пароль:

Регистрация

www.partskatalog.ru Все каталоги Запчасти Mercury Запчасти Suzuki Запчасти Tohatsu Запчасти Honda Контакты



УВАЖАЕМЫЕ КЛИЕНТЫ!
C 19 ДЕКАБРЯ 2025 ПО 02 МАРТА 2026 ГОДА ОТДЕЛ ЗАПЧАСТЕЙ И СЕРВИС РАБОТАТЬ НЕ БУДУТ
ПРОДАЖА ЛОДОЧНЫХ МОТОРОВ В ШТАТНОМ РЕЖИМЕ
ОБ ИЗМЕНЕНИЯХ В ГРАФИКЕ РАБОТЫ ЧИТАЙТЕ НА САЙТА



назад Раздел:   вперёд

Модификация Вашего двигателя:   Honda BF4.5B6 LBK
Модели с серийным номером двигателя от BADE-2000001 до BADE-
Модели с серийным номером рамы от BASS-2200001 до BASS-

Вернуться к выбору узлов мотора

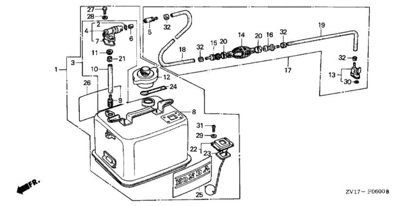
   Топливный бак (стандартный)
Fuel Tank (standard)      


ДЕТАЛИРОВКА ДЛЯ МОДЕЛИ: HONDA BF4.5B6

Подвесной лодочный 4x-тактный двигатель HONDA BF4.5B6 - Fuel Tank (standard) - Топливный бак (стандартный)

Время выполнения запроса 1.1209321022034 сек.

 
 

данный сайт носит информационный характер и не является публичной офертой

склад запчастей для водомоторной техники