вконтакте

Контактный телефон: +7 (981) 121-46-93, +7 (800) 200-90-76 , Email: parts-katalog@yandex.ru, где купить

 
 

  Логин:

Пароль:

Регистрация

www.partskatalog.ru Все каталоги Запчасти Mercury Запчасти Suzuki Запчасти Tohatsu Запчасти Honda Контакты



УВАЖАЕМЫЕ КЛИЕНТЫ!
C 19 ДЕКАБРЯ 2025 ПО 02 МАРТА 2026 ГОДА ОТДЕЛ ЗАПЧАСТЕЙ И СЕРВИС РАБОТАТЬ НЕ БУДУТ
ПРОДАЖА ЛОДОЧНЫХ МОТОРОВ В ШТАТНОМ РЕЖИМЕ
ОБ ИЗМЕНЕНИЯХ В ГРАФИКЕ РАБОТЫ ЧИТАЙТЕ НА САЙТА



назад Раздел:   вперёд

Модификация Вашего двигателя:   Honda BF4.5BX SGB
Модели с серийным номером двигателя от BADE-1200001 до BADE-1299999
Модели с серийным номером рамы от BASS-1400001 до BASS-1499999

Вернуться к выбору узлов мотора

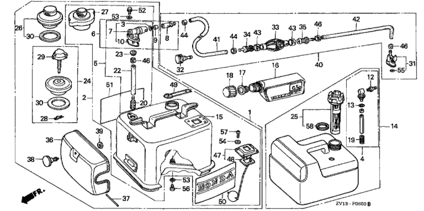
   Топливный бак / Вспомогательный бак
Fuel Tank / Sub Tank      


ДЕТАЛИРОВКА ДЛЯ МОДЕЛИ: HONDA BF4.5BX

Двигатель BF4.5BX - Fuel Tank / Sub Tank - Топливный бак / Вспомогательный бак
Номер на
рисунке
АртикулНаименованиеКол-во
на складе
Цена
206175-881-C41ZA

Tank kit, fuel (bodensee) *r8 * (Tank kit, fuel (bodensee) *r8 *)

под заказ46580 руб. 
206175-881-C42ZB

(последний код) TANK KIT, FUEL (BODENSEE)

под заказ26480 руб. 
316075-935-006

Уплотнительное кольцо (O-ring)

под заказ140 руб. 
516900-881-010

Топливный соеденитель А, комплект (Joint comp. a, fuel)

под заказ7640 руб. 
716951-935-006

Соеденитель A, согласование топлива (Joint a, fuel consent)

под заказ11150 руб. 
816952-935-016

Соеденитель B, согласование топлива (Joint b, fuel consent)

под заказ1740 руб. 
916953-935-000

Амортизатор топлива (Absorber, fuel)

под заказ550 руб. 
1016962-865-010

Кольцо сальника (Ring, cock seal)

под заказпо запросу 
1517500-881-C40ZA

Топливный бак *r8 * (Tank comp., fuel *r8 *)

под заказ31650 руб. 
2017583-881-000

Топливный фильтр (Filter, fuel)

под заказ1800 руб. 
2217611-935-000

Трубка внутри (Tube, inner)

под заказпо запросу 
2317612-881-000

Сальник внутри (Seal, inner)

под заказпо запросу 
2717620-881-053

Крышка топливного фильтра (Cap comp., fuel filler)

под заказ11150 руб. 
3117650-921-003ZB

Коннектор топливного бака *nh1 * (Connector comp., fuel *nh1 *)

под заказ6730 руб. 
31T-SF80212-7

   (не оригинальный аналог) Коннектор топливный SUNFINE тип Suzuki, Johnson, Evinrude, OMC, Honda, 9мм, 775641

под заказ1240 руб.
3317661-921-000

Груша для подкачки топлива (Bulb, primer)

под заказ2990 руб. 
3317661-921-010

(последний код) BULB, PRIMER

под заказ2990 руб. 
3417670-921-000

Внутренний клапан (Valve comp., in.)

под заказ1750 руб. 
3517680-921-000

Наружный клапан (Valve comp., outlet)

под заказпо запросу 
4017700-881-000ZD

Топливная трубка *nh1 * (Tube comp., fuel *nh1 *)

под заказ29250 руб. 
4117701-881-000

Длинная топливная трубка (Tube, fuel long)

под заказ6430 руб. 
4217702-921-000

Короткая топливная трубка (Tube, fuel short)

под заказ1180 руб. 
4317703-921-000

Зажимной ремешек трубки, 20 мм (Band, tube clip, 20mm)

под заказ580 руб. 
4317703-921-010

(последний код) BAND, TUBE CLIP, 20MM

под заказ580 руб. 
4417704-921-000

Зажимной ремешек трубки, 11 мм (Band, tube clip, 11mm)

под заказпо запросу 
4717800-ZV1-611

Измеритель уровня топлива (Meter assy., fuel)

под заказпо запросу 
4817803-GC3-003

Прокладка измерителя топлива (Packing, fuel meter)

под заказпо запросу 
4987571-881-671

Маркировка: осторожно, топливный бак (english / french) (Mark, tank caution (english/french))

под заказпо запросу 
5087573-881-670

Маркировка - бак (english) (Mark, tank (english))

под заказпо запросу 
5087573-881-C40

Маркировка b, tank (english) (Mark b, tank (english))

под заказпо запросу 
5187574-881-670

Маркировка - бак (french) (Mark, tank (french))

под заказпо запросу 
5187574-881-C40

Маркировка b, tank (french) (Mark b, tank (french))

под заказпо запросу 
5290120-881-000

Фланцевый болт, 6x16 (Bolt, flange, 6x16)

под заказпо запросу 
5390445-700-000

Прокладка из волокна, 6 мм (Packing, fiber, 6mm)

под заказпо запросу 
5490540-881-000

Прокладка из волокна, 5 мм (Packing, fiber, 5mm)

под заказпо запросу 
5591353-921-310

Уплотнительное кольцо, 5.5 мм (O-ring, 5.5mm)

под заказ210 руб. 
5793500-050-104-J

Винт с чашечкой, 5x10 (Screw, pan, 5x10)

под заказ150 руб. 

Время выполнения запроса 0.96084499359131 сек.

 
 

данный сайт носит информационный характер и не является публичной офертой

склад запчастей для водомоторной техники