Контактный телефон: +7 (981) 121-46-93, +7 (800) 200-90-76 , Email: parts-katalog@yandex.ru, где купить |
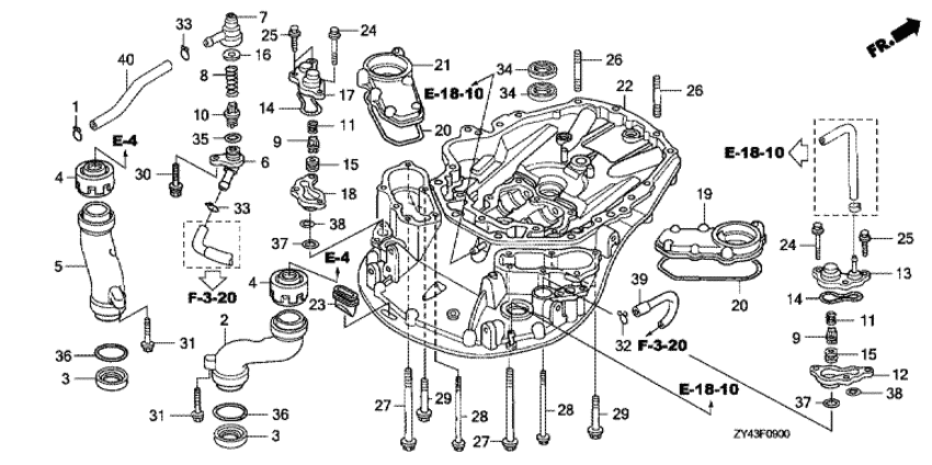
Модификация Вашего двигателя: Honda BF225AK1 XXCU Вернуться к выбору узлов мотора Крепёж корпуса |
|||||||||||||||||||||||||||||||||||||||||||||||||||||||||||||||||||||||||||||||||||||||||||||||||||||||||||||||||||||||||||||||||||||||||||||||||||||||||||||||||||||||||||||||||||||||||||||||||||||||||||||||||||||||||||||||||||||||||||||||||||||||||||||||||||||||||||||||
| Номер на рисунке | Артикул | Наименование | Кол-во на складе | Цена | |
| 1 | 16163-GHB-610 | Зажим трубки (Clip, tube) | под заказ | 1580 руб. | |
| 2 | 18141-ZY3-A00ZA | Guide, r. ex. *tgray * (Guide, r. ex. *tgray *) | под заказ | 7800 руб. | |
| 3 | 18148-ZY3-003 | Сальник, exhaust guide (Seal, exhaust guide) | 2 шт | 6380 руб. | |
| 4 | 18149-ZY3-A01 | Сальник b, ex. guide (Seal b, ex. guide) | под заказ | 6540 руб. | |
| 5 | 18151-ZY3-A00ZA | Guide, l. ex. *tgray * (Guide, l. ex. *tgray *) | под заказ | 7800 руб. | |
| 6 | 19277-ZY3-000ZA | Крышка сливного клапана *nh8 * (Cover, flush valve *nh8 *) | под заказ | 8690 руб. | |
| 7 | 19278-ZY3-000 | Case, flush Клапан (Case, flush valve) | под заказ | 4100 руб. | |
| 8 | 19279-ZW9-000 | Пружина сливного клапана (Spring, flush valve) | под заказ | 380 руб. | |
| 8 | 19279-ZW9-010 | (последний код) SPRING, FLUSH VALVE | под заказ | 380 руб. | |
| 9 | 19291-ZW5-000 | Сброс клапана (Valve, relief) | под заказ | 1220 руб. | |
| 10 | 19291-ZW9-000 | Сливной клапан (Valve, flash) | 1 шт | 1140 руб. | |
| 11 | 19292-ZW5-000 | Пружина освобождения клапана (Spring, relief valve) | под заказ | 0 руб. | |
| 12 | 19294-ZY3-000ZB | Прокладка, r. relief Клапан *tgray * (Spacer, r. relief valve *tgray *) | под заказ | 0 руб. | |
| 13 | 19295-ZY3-000 | Правая крышка предохранительного клапана (Cover, r. relief valve) | под заказ | 0 руб. | |
| 14 | 19296-ZY3-000 | Прокладка крышки предохранительного клапана (Packing, relief valve cover) | 1 шт | 1180 руб. | |
| 15 | 19297-ZW5-000 | Прокладка, relief Клапан (Packing, relief valve) | 2 шт | 690 руб. | |
| 16 | 19297-ZW9-000 | Прокладка сливного клапана (Packing, flash valve) | под заказ | 400 руб. | |
| 17 | 19297-ZY3-000 | Левая крышка предохранительного клапана (Cover, l. relief valve) | под заказ | 0 руб. | |
| 18 | 19298-ZY3-000ZB | Прокладка, l. relief Клапан *tgray * (Spacer, l. relief valve *tgray *) | под заказ | 0 руб. | |
| 19 | 19361-ZY3-000ZA | Правый кожух водяной рубашки *nh8 * (Cover, r. water jacket *nh8 *) | под заказ | по запросу | |
| 20 | 19362-ZY3-000 | Прокладка крышки водяной рубашки (Packing, water jacket cover) | под заказ | 2180 руб. | |
| 21 | 19366-ZY3-000ZA | Левый кожух водяной рубашки *nh8 * (Cover, l. water jacket *nh8 *) | под заказ | по запросу | |
| 22 | 23170-ZY3-030ZA | Case comp., mount *nh8* (Case comp., mount *nh8*) | под заказ | 181700 руб. | |
| 23 | 23173-ZY3-010 | Резинка сальника монтажного корпуса (Rubber, mount case seal) | под заказ | 1990 руб. | |
| 24 | 90030-ZY3-000 | Фланцевый болт, 6x22 (Bolt, flange, 6x22) | под заказ | 220 руб. | |
| 25 | 90031-ZY3-000 | Фланцевый болт, 6x32 (Bolt, flange, 6x32) | под заказ | 250 руб. | |
| 26 | 90045-ZY3-000 | Болт под шпильку, 10x45 (Bolt, stud, 10x45) | под заказ | 1040 руб. | |
| 27 | 90046-ZY3-000 | Фланцевый болт, 8x100 (Bolt, flange, 8x100) | под заказ | 1890 руб. | |
| 28 | 90047-ZY3-000 | Болт, Шайба, 6x121 (Bolt, washer, 6x121) | под заказ | 0 руб. | |
| 29 | 90049-ZY3-000 | Фланцевый болт, 8x30 (Bolt, flange, 8x30) | под заказ | 0 руб. | |
| 30 | 90059-ZY3-000 | Болт, Шайба, 6x29 (Bolt, washer, 6x29) | под заказ | 960 руб. | |
| 31 | 90207-HW1-671 | Фланцевый болт, 6x40 (Bolt, flange, 6x40) | под заказ | 0 руб. | |
| 32 | 90603-ZV4-000 | Зажим трубки (b10) (Clip, tube (b10)) | под заказ | 270 руб. | |
| 33 | 90605-ZV4-000 | Зажим трубки (b12.5) (Clip, tube (b12.5)) | под заказ | 120 руб. | |
| 34 | 91202-ZW5-003 | Сальник, 22x35x7 (Seal, water, 22x35x7) | 4 шт | 2660 руб. | |
| 35 | 91303-800-000 | Уплотнительное кольцо, 16 мм (O-ring, 16mm) | под заказ | 420 руб. | |
| 35 | 91304-MJ0-003 | (последний код) O-RING, 15.8X2.4 (SHOWA) | под заказ | 420 руб. | |
| 36 | 91304-ZY3-000 | Уплотнительное кольцо, 49.4x3.1 (O-ring, 49.4x3.1) | 2 шт | 1450 руб. | |
| 37 | 91305-ZY3-003 | Уплотнительное кольцо, 33.5x2 (O-ring, 33.5x2) | под заказ | 530 руб. | |
| 38 | 91306-ZY3-003 | Уплотнительное кольцо, 23.5x2 (O-ring, 23.5x2) | под заказ | 710 руб. | |
| 39 | 91404-ZY3-000 | Трубка контроля воды (Tube, water check) | под заказ | 680 руб. | |
| 40 | 91405-ZY3-000 | Трубка промывочного клапана (Tube, flush valve) | под заказ | 920 руб. | |
Время выполнения запроса 2.8299331665039 сек.
склад запчастей для водомоторной техники