Контактный телефон: +7 (981) 121-46-93, +7 (800) 200-90-76 , Email: parts-katalog@yandex.ru, где купить |
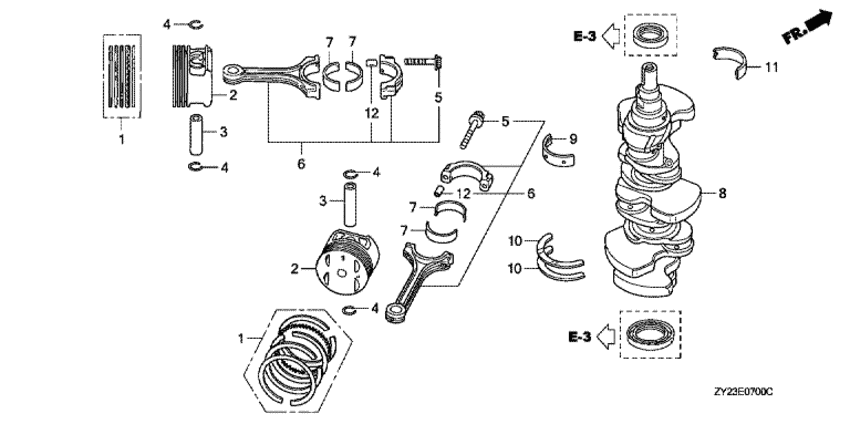
Модификация Вашего двигателя: Honda BF225A6 XXCD Вернуться к выбору узлов мотора Коленвал / Поршень |
|||||||||||||||||||||||||||||||||||||||||||||||||||||||||||||||||||||||||||||||||||||||||||||||||||||||||||||||||||||||||||||||||||||||||||||||||||||||||||||||||||||||||||||||||||||||||||
| Номер на рисунке | Артикул | Наименование | Кол-во на складе | Цена | |
| 1 | 13010-ZY3-A00 | Комплект поршневых колец (std.) (Ring set, piston (std.)) | 6 шт | 9780 руб. | |
| 1 | 13011-ZY3-A00 | Комплект поршневых колец (0.25) (Ring set, piston (0.25)) | под заказ | 9780 руб. | |
| 2 | 13101-ZY3-A00 | Поршень (Piston) | 6 шт | 14520 руб. | |
| 2 | 13102-ZY3-A00 | Поршень (0.25) (Piston (0.25)) | под заказ | 14520 руб. | |
| 3 | 13111-PEA-000 | Штифт (Pin) | 2 шт | 3600 руб. | |
| 4 | 13115-P5A-000 | Зажим (Clip) | 5 шт | 450 руб. | |
| 5 | 13204-P8A-A01 | Болт (Bolt) | под заказ | 1360 руб. | |
| 6 | 13210-PGK-A00 | Rod comp (Rod comp) | под заказ | 26800 руб. | |
| 7 | 13211-P8F-A11 | Подшипник a (Bearing a) | под заказ | 4470 руб. | |
| 7 | 13212-P8F-A11 | Подшипник b (Bearing b) | 10 шт | 5150 руб. | |
| 7 | 13213-P8F-A11 | Подшипник c (Bearing c) | 2 шт | 4470 руб. | |
| 7 | 13214-P8F-A11 | Подшипник d (Bearing d) | под заказ | 4470 руб. | |
| 7 | 13215-P8F-A11 | Подшипник e (Bearing e) | под заказ | 4470 руб. | |
| 8 | 13310-RGL-A00 | Коленчатый вал, комплект (Crankshaft comp.) | под заказ | 305580 руб. | |
| 9 | 13321-P8A-A01 | Подшипник a (Bearing a) | под заказ | 4080 руб. | |
| 9 | 13322-P8A-A01 | Подшипник b (Bearing b) | 1 шт | 5090 руб. | |
| 9 | 13323-P8A-A01 | Подшипник c (Bearing c) | 3 шт | 4080 руб. | |
| 9 | 13324-P8A-A01 | Подшипник d (Bearing d) | под заказ | 4080 руб. | |
| 9 | 13325-P8A-A01 | Подшипник e (Bearing e) | под заказ | 5090 руб. | |
| 9 | 13326-P8A-A01 | Подшипник f (Bearing f) | под заказ | 5090 руб. | |
| 10 | 13331-P8A-A01 | Шайба (Washer) | под заказ | 1930 руб. | |
| 11 | 13341-P8A-A01 | Подшипник a (Bearing a) | под заказ | 4080 руб. | |
| 11 | 13342-P8A-A01 | Подшипник b (Bearing b) | 1 шт | 5090 руб. | |
| 11 | 13343-P8A-A01 | Подшипник c (Bearing c) | 3 шт | 4080 руб. | |
| 11 | 13344-P8A-A01 | Подшипник d (Bearing d) | под заказ | 4080 руб. | |
| 11 | 13345-P8A-A01 | Подшипник e (Bearing e) | под заказ | 5090 руб. | |
| 11 | 13346-P8A-A01 | Подшипник f (Bearing f) | под заказ | 5090 руб. | |
| 12 | 94301-10120 | Шпонка (Dowel pin) | под заказ | 270 руб. | |
Время выполнения запроса 0.69747591018677 сек.
склад запчастей для водомоторной техники