вконтакте

Контактный телефон: +7 (981) 121-46-93, +7 (800) 200-90-76 , Email: parts-katalog@yandex.ru, где купить

 
 

  Логин:

Пароль:

Регистрация

www.partskatalog.ru Все каталоги Запчасти Mercury Запчасти Suzuki Запчасти Tohatsu Запчасти Honda Контакты



УВАЖАЕМЫЕ КЛИЕНТЫ!
C 19 ДЕКАБРЯ 2025 ПО 02 МАРТА 2026 ГОДА ОТДЕЛ ЗАПЧАСТЕЙ И СЕРВИС РАБОТАТЬ НЕ БУДУТ
ПРОДАЖА ЛОДОЧНЫХ МОТОРОВ В ШТАТНОМ РЕЖИМЕ
ОБ ИЗМЕНЕНИЯХ В ГРАФИКЕ РАБОТЫ ЧИТАЙТЕ НА САЙТА



назад Раздел:   вперёд

Модификация Вашего двигателя:   Honda BF225A3 XXCC
Модели с серийным номером двигателя от BEAGJ-1000001 до BEAGJ-1099999
Модели с серийным номером рамы от BAHJ-1100001 до BAHJ-1199999

Вернуться к выбору узлов мотора

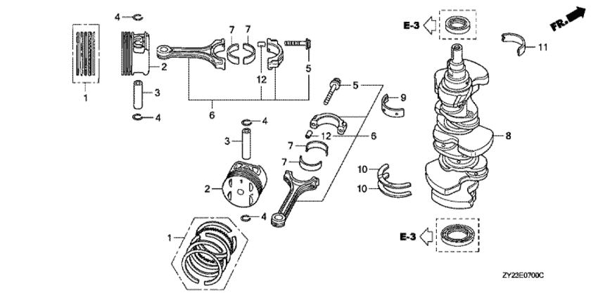
   Коленвал / Поршень
Crankshaft / Piston      


ДЕТАЛИРОВКА ДЛЯ МОДЕЛИ: HONDA BF225A3

Подвесной лодочный  двигатель BF225A3 - Коленвал / Поршень
Номер на
рисунке
АртикулНаименованиеКол-во
на складе
Цена
113010-ZY3-000

Комплект поршневых колец (std.) (Ring set, piston (std.))

под заказ9780 руб. 
113011-ZY3-000

Комплект поршневых колец (0.25) (Ring set, piston (0.25))

под заказ8370 руб. 
213101-ZY3-000

Поршень (Piston)

под заказ12420 руб. 
213102-ZY3-000

Поршень (0.25) (Piston (0.25))

под заказпо запросу 
313111-PEA-000

Штифт (Pin)

2 шт3600 руб. 
413115-P5A-000

Зажим (Clip)

5 шт450 руб. 
513204-P8A-A01

Болт (Bolt)

под заказ1360 руб. 
613210-PGK-A00

Rod comp (Rod comp)

под заказ26800 руб. 
713211-P8F-A11

Подшипник a (Bearing a)

под заказ4470 руб. 
713212-P8F-A11

Подшипник b (Bearing b)

10 шт5150 руб. 
713213-P8F-A11

Подшипник c (Bearing c)

2 шт4470 руб. 
713214-P8F-A11

Подшипник d (Bearing d)

под заказ4470 руб. 
713215-P8F-A11

Подшипник e (Bearing e)

под заказ4470 руб. 
813310-PGK-A00

Коленчатый вал, комплект (Crankshaft comp.)

под заказ305580 руб. 
913321-P8A-A01

Подшипник a (Bearing a)

под заказ4080 руб. 
913322-P8A-A01

Подшипник b (Bearing b)

1 шт5090 руб. 
913323-P8A-A01

Подшипник c (Bearing c)

3 шт4080 руб. 
913324-P8A-A01

Подшипник d (Bearing d)

под заказ4080 руб. 
913325-P8A-A01

Подшипник e (Bearing e)

под заказ5090 руб. 
913326-P8A-A01

Подшипник f (Bearing f)

под заказ5090 руб. 
1013331-P8A-A01

Шайба (Washer)

под заказ1930 руб. 
1113341-P8A-A01

Подшипник a (Bearing a)

под заказ4080 руб. 
1113342-P8A-A01

Подшипник b (Bearing b)

1 шт5090 руб. 
1113343-P8A-A01

Подшипник c (Bearing c)

3 шт4080 руб. 
1113344-P8A-A01

Подшипник d (Bearing d)

под заказ4080 руб. 
1113345-P8A-A01

Подшипник e (Bearing e)

под заказ5090 руб. 
1113346-P8A-A01

Подшипник f (Bearing f)

под заказ5090 руб. 
1294301-10120

Шпонка (Dowel pin)

под заказ270 руб. 

Время выполнения запроса 1.6216421127319 сек.

 
 

данный сайт носит информационный характер и не является публичной офертой

склад запчастей для водомоторной техники