вконтакте

Контактный телефон: +7 (981) 121-46-93, +7 (800) 200-90-76 , Email: parts-katalog@yandex.ru, где купить

 
 

  Логин:

Пароль:

Регистрация

www.partskatalog.ru Все каталоги Запчасти Mercury Запчасти Suzuki Запчасти Tohatsu Запчасти Honda Контакты



УВАЖАЕМЫЕ КЛИЕНТЫ!
C 19 ДЕКАБРЯ 2025 ПО 02 МАРТА 2026 ГОДА ОТДЕЛ ЗАПЧАСТЕЙ И СЕРВИС РАБОТАТЬ НЕ БУДУТ
ПРОДАЖА ЛОДОЧНЫХ МОТОРОВ В ШТАТНОМ РЕЖИМЕ
ОБ ИЗМЕНЕНИЯХ В ГРАФИКЕ РАБОТЫ ЧИТАЙТЕ НА САЙТА



назад Раздел:   вперёд

Модификация Вашего двигателя:   Honda BF200AK1 XXD
Модели с серийным номером двигателя от BEAEJ-1200001 до BEAEJ-
Модели с серийным номером рамы от BAEJ-1600001 до BAEJ-

Вернуться к выбору узлов мотора

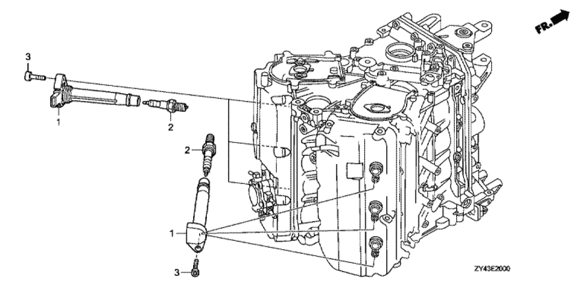
   Свеча зажигания
Spark Plug      


ДЕТАЛИРОВКА ДЛЯ МОДЕЛИ: HONDA BF200AK1

Подвесной лодочный  двигатель Хонда BF200AK1 - Свеча зажигания - Spark Plug
Номер на
рисунке
АртикулНаименованиеКол-во
на складе
Цена
130520-ZY3-003

Coil comp., Заглушка hole (Coil comp., plug hole)

под заказ23810 руб. 
231916-ZY3-003

Свеча зажигания (izfr6f11) (ngk) (Plug, spark (izfr6f11) (ngk))

под заказ7840 руб. 
231916-ZY3-004

Свеча зажигания (vkj20rz-m11) (denso) (Plug, spark (vkj20rz-m11) (denso))

под заказ7840 руб. 
390084-ZY3-000

Болт с гнездом, 6x25 (Bolt, socket, 6x25)

под заказ740 руб. 

Время выполнения запроса 0.59062886238098 сек.

 
 

данный сайт носит информационный характер и не является публичной офертой

склад запчастей для водомоторной техники