вконтакте

Контактный телефон: +7 (981) 121-46-93, +7 (800) 200-90-76 , Email: parts-katalog@yandex.ru, где купить

 
 

  Логин:

Пароль:

Регистрация

www.partskatalog.ru Все каталоги Запчасти Mercury Запчасти Suzuki Запчасти Tohatsu Запчасти Honda Контакты

назад Раздел:   вперёд

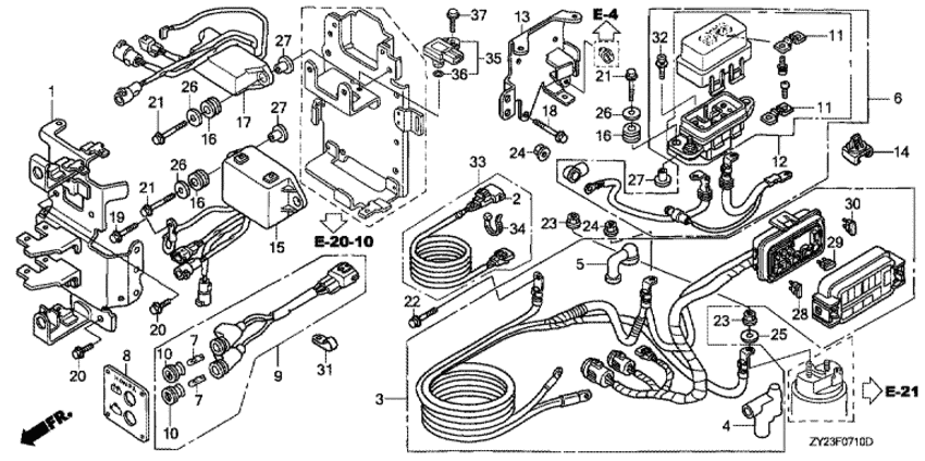
Модификация Вашего двигателя:   Honda BF200A6 XXCU
Модели с серийным номером двигателя от BEAEJ-1100001 до BEAEJ-
Модели с серийным номером рамы от BAFJ-1400001 до BAFJ-

Вернуться к выбору узлов мотора

   Кабель стартера (1)
Starter Cable (1)      


ДЕТАЛИРОВКА ДЛЯ МОДЕЛИ: HONDA BF200A6

Подвесной 4x-тактный лодочный мотор Honda BF200A6 - Starter Cable (1) - Кабель стартера (1)

Время выполнения запроса 0.18359208106995 сек.

 
 

данный сайт носит информационный характер и не является публичной офертой

склад запчастей для водомоторной техники