вконтакте

Контактный телефон: +7 (981) 121-46-93, +7 (800) 200-90-76 , Email: parts-katalog@yandex.ru, где купить

 
 

  Логин:

Пароль:

Регистрация

www.partskatalog.ru Все каталоги Запчасти Mercury Запчасти Suzuki Запчасти Tohatsu Запчасти Honda Контакты



УВАЖАЕМЫЕ КЛИЕНТЫ!
C 19 ДЕКАБРЯ 2025 ПО 02 МАРТА 2026 ГОДА ОТДЕЛ ЗАПЧАСТЕЙ И СЕРВИС РАБОТАТЬ НЕ БУДУТ
ПРОДАЖА ЛОДОЧНЫХ МОТОРОВ В ШТАТНОМ РЕЖИМЕ
ОБ ИЗМЕНЕНИЯХ В ГРАФИКЕ РАБОТЫ ЧИТАЙТЕ НА САЙТА



назад Раздел:   вперёд

Модификация Вашего двигателя:   Honda BF175AK1 XU
Модели с серийным номером двигателя от BEAJJ-1200001 до BEAJJ-
Модели с серийным номером рамы от BAJJ-1300001 до BAJJ-

Вернуться к выбору узлов мотора

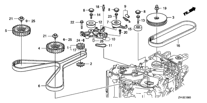
   Ремень распредвала
Timing Belt      


ДЕТАЛИРОВКА ДЛЯ МОДЕЛИ: HONDA BF175AK1

Подвесной  мотор BF175AK1 - Ремень распредвала
Номер на
рисунке
АртикулНаименованиеКол-во
на складе
Цена
113621-ZY3-C01

Шкиф привода ремня распредвала (Pulley, timing belt drive)

под заказ15730 руб. 
213622-ZY3-C00

Пластина направляющей ремня распредвала (Plate, timing belt guide)

под заказ11290 руб. 
313811-ZY3-A00

Шкив, Коленвал (Pulley, crankshaft)

под заказ23970 руб. 
414261-ZY3-C00

Шкив comp., r. Ремень распредвала driven (Pulley comp., r. timing belt driven)

под заказ20950 руб. 
514270-ZY3-C00

Шкив comp., l. Ремень распредвала driven (Pulley comp., l. timing belt driven)

под заказ30240 руб. 
614400-P8A-A01

Belt (Belt)

под заказ9400 руб. 
614400-P8A-A02

(последний код) BELT, TIMING (197YU26 GB-

под заказ9400 руб. 
714510-ZY3-003

Натяжитель ремня распредвала (Tensioner comp., timing belt)

под заказ22720 руб. 
814515-ZY3-000

Крышка натяжителя ремня распредвала (Cap, timing belt tensioner)

под заказ1220 руб. 
914520-ZY3-000

Пружина регулировки ремня распредвала, комплект (Spring comp., timing belt adjusting)

под заказ1030 руб. 
1014526-ZY3-405ZA

Основание comp., Ремень распредвала tensioner *nh8 * (Base comp., timing belt tensioner *nh8 *)

под заказ28150 руб. 
1114529-ZY3-000

Уплотнительное кольцо, Ремень распредвала tensioner Основание (O-ring, timing belt tensioner base)

1 шт1130 руб. 
1214550-ZY3-003

Idler, Ремень распредвала (koyo seiko) (Idler, timing belt (koyo seiko))

под заказ21790 руб. 
1314551-P8A-A01

Болт (Bolt)

под заказ1280 руб. 
1414553-ZY3-003

Болт, Ремень распредвала idler a (Bolt, timing belt idler a)

под заказ0 руб. 
1514555-ZY3-003

Idler b, Ремень распредвала (Idler b, timing belt)

под заказ16790 руб. 
1631638-ZY3-003

Belt, Генератор переменного тока (6pk745 m-180) (Belt, a.c. generator (6pk745 m-180))

2 шт8270 руб. 
1741122-ZV0-000

Штифт вертикального вала (Pin, vertical shaft)

под заказ130 руб. 
1890012-ZV5-013

Болт регулировочной пружины ремня распредвала (Bolt, timing belt adjusting spring)

под заказ670 руб. 
1990017-RJA-003

Болт с шайбой (Bolt-washer)

под заказ2780 руб. 
2090030-ZY3-000

Фланцевый болт, 6x22 (Bolt, flange, 6x22)

под заказ220 руб. 
2190031-P8A-A01

Болт с шайбой (Bolt-washer)

под заказ2300 руб. 
2290039-ZY3-000

Фланцевый болт, 10x40 (Bolt, flange, 10x40)

под заказ0 руб. 
2390040-ZY3-000

Фланцевый болт, 10x43 (Bolt, flange, 10x43)

под заказ0 руб. 
2490704-RCA-A00

Ключ (Key)

под заказ690 руб. 
2590741-ZY3-000

Ключ, special (Key, special)

под заказ0 руб. 
2694301-06100

Шпонка (Dowel pin)

1 шт230 руб. 

Время выполнения запроса 0.5177149772644 сек.

 
 

данный сайт носит информационный характер и не является публичной офертой

склад запчастей для водомоторной техники