вконтакте

Контактный телефон: +7 (981) 121-46-93, +7 (800) 200-90-76 , Email: parts-katalog@yandex.ru, где купить

 
 

  Логин:

Пароль:

Регистрация

www.partskatalog.ru Все каталоги Запчасти Mercury Запчасти Suzuki Запчасти Tohatsu Запчасти Honda Контакты

назад Раздел:   вперёд

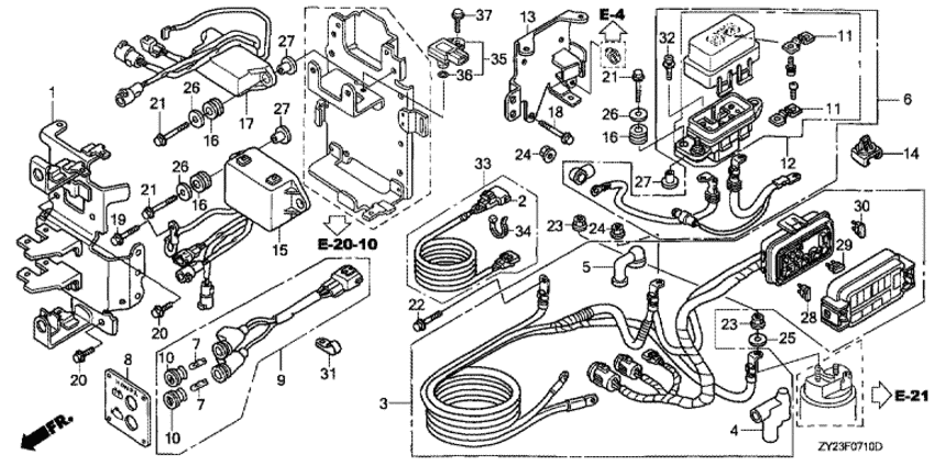
Модификация Вашего двигателя:   Honda BF175A6 XCD
Модели с серийным номером двигателя от BEAJJ-1100001 до BEAJJ-
Модели с серийным номером рамы от BAKJ-1200001 до BAKJ-

Вернуться к выбору узлов мотора

   Кабель стартера (1)
Starter Cable (1)      


ДЕТАЛИРОВКА ДЛЯ МОДЕЛИ: HONDA BF175A6

Подвесной 4x-тактный лодочный мотор BF175A6 - Кабель стартера (1)

Время выполнения запроса 0.16515398025513 сек.

 
 

данный сайт носит информационный характер и не является публичной офертой

склад запчастей для водомоторной техники