вконтакте

Контактный телефон: +7 (981) 121-46-93, +7 (800) 200-90-76 , Email: parts-katalog@yandex.ru, где купить

 
 

  Логин:

Пароль:

Регистрация

www.partskatalog.ru Все каталоги Запчасти Mercury Запчасти Suzuki Запчасти Tohatsu Запчасти Honda Контакты



УВАЖАЕМЫЕ КЛИЕНТЫ!
C 19 ДЕКАБРЯ 2025 ПО 02 МАРТА 2026 ГОДА ОТДЕЛ ЗАПЧАСТЕЙ И СЕРВИС РАБОТАТЬ НЕ БУДУТ
ПРОДАЖА ЛОДОЧНЫХ МОТОРОВ В ШТАТНОМ РЕЖИМЕ
ОБ ИЗМЕНЕНИЯХ В ГРАФИКЕ РАБОТЫ ЧИТАЙТЕ НА САЙТА



назад Раздел:   вперёд

Модификация Вашего двигателя:   Honda BF175A6 LD
Модели с серийным номером двигателя от BEAJJ-1100001 до BEAJJ-
Модели с серийным номером рамы от BAJJ-1200001 до BAJJ-

Вернуться к выбору узлов мотора

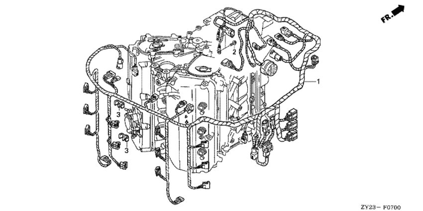
   Жгут проводов
Wire Harness      


ДЕТАЛИРОВКА ДЛЯ МОДЕЛИ: HONDA BF175A6

Подвесной четырёх-тактный лодочный мотор HONDA BF175A6 - Жгут проводов
Номер на
рисунке
АртикулНаименованиеКол-во
на складе
Цена
132100-ZY2-A00

Главный жгут проводов (Harness assy., main wire)

под заказпо запросу 
290013-ZW9-000

Фланцевый болт, 6x12 (Bolt, flange, 6x12)

под заказ320 руб. 
390654-ZY3-003

Зажим a, Жгут проводов (Clip a, harness)

под заказпо запросу 

Время выполнения запроса 0.40977501869202 сек.

 
 

данный сайт носит информационный характер и не является публичной офертой

склад запчастей для водомоторной техники