вконтакте

Контактный телефон: +7 (981) 121-46-93, +7 (800) 200-90-76 , Email: parts-katalog@yandex.ru, где купить

 
 

  Логин:

Пароль:

Регистрация

www.partskatalog.ru Все каталоги Запчасти Mercury Запчасти Suzuki Запчасти Tohatsu Запчасти Honda Контакты

назад Раздел:   вперёд

Модификация Вашего двигателя:   Honda BF150A4 XCD
Модели с серийным номером двигателя от BEANJ-1000001 до BEANJ-
Модели с серийным номером рамы от BAPJ-1000001 до BAPJ-

Вернуться к выбору узлов мотора

   Струбцина
Clamp      


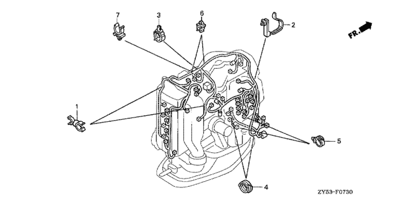
ДЕТАЛИРОВКА ДЛЯ МОДЕЛИ: HONDA BF150A4

Подвесной четырёх тактный лодочный мотор BF150A4 - Clamp
Номер на
рисунке
АртикулНаименованиеКол-во
на складе
Цена
116965-VM0-771

Струбцина, Шланг (Clamp, hose)

под заказ550 руб. 
232134-SM4-003

Ремешок (Band)

под заказ840 руб. 
332742-PK1-003

Струбцина (Clamp)

под заказ0 руб. 
490683-KJ2-003

Зажим под жгут проводов (Clip, wire harness)

под заказ610 руб. 
590683-SA0-003

Зажим (Clip)

под заказ460 руб. 
691531-SZ5-003

Зажим (Clip)

под заказ320 руб. 
791546-SP0-A01

Струбцина (Clamp)

под заказ0 руб. 

Время выполнения запроса 0.4993999004364 сек.

 
 

данный сайт носит информационный характер и не является публичной офертой

склад запчастей для водомоторной техники