вконтакте

Контактный телефон: +7 (981) 121-46-93, +7 (800) 200-90-76 , Email: parts-katalog@yandex.ru, где купить

 
 

  Логин:

Пароль:

Регистрация

www.partskatalog.ru Все каталоги Запчасти Mercury Запчасти Suzuki Запчасти Tohatsu Запчасти Honda Контакты

назад Раздел:   вперёд

Модификация Вашего двигателя:   Honda BF150A4 XD
Модели с серийным номером двигателя от BEANJ-1000001 до BEANJ-
Модели с серийным номером рамы от BANJ-1000001 до BANJ-

Вернуться к выбору узлов мотора

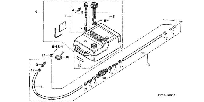
   Топливный бак
Fuel Tank      


ДЕТАЛИРОВКА ДЛЯ МОДЕЛИ: HONDA BF150A4

Подвесной 4x-тактный двигатель BF150A4 - Fuel Tank / Топливный бак
Номер на
рисунке
АртикулНаименованиеКол-во
на складе
Цена
116900-ZV5-902

Соеденитель топливного бака, в сборе (Joint assy., fuel)

под заказ11420 руб. 
216966-MR1-000

Соеденитель топливной трубки (Joint, fuel tube)

под заказ1020 руб. 
316966-MR5-000

Соеденитель топливной трубки (Joint, fuel tube)

под заказ1090 руб. 
416977-ZV5-A00

Фитинг для быстрого отключения (Fitting, quick disconnect)

2 шт5520 руб. 
516979-ZV5-901

Уплотнительное кольцо (O-ring)

под заказ380 руб. 
617010-ZV5-903

Tank set, fuel (25l) (Tank set, fuel (25l))

под заказ25850 руб. 
617010-ZV5-907

(последний код) TANK ASSY,FUEL 25

под заказ25850 руб. 
717583-ZV5-901

Топливный фильтр (Filter, fuel)

1 шт1570 руб. 
817620-ZV5-901

Крышка топливного фильтра (Cap comp., fuel filler)

под заказ8470 руб. 
817620-ZV5-903

(последний код) CAP COMP., FUEL FILLER

под заказ10560 руб. 
917624-ZV5-901

Прокладка крышки бака (Packing, fuel cap)

под заказ1520 руб. 
1017661-921-010

Груша для подкачки топлива (Bulb, primer)

под заказ2990 руб. 
1117665-ZV5-000

Внутренний клапан (Valve comp., in.)

под заказ3190 руб. 
1217680-ZV4-000

Наружный клапан (Valve comp., outlet)

под заказ2800 руб. 
1317700-ZY3-010

Трубка для подключения топливного бака, в сборе (joint type) (Tube assy., fuel (joint type))

под заказ14780 руб. 
1417701-ZV5-000

Длинная топливная трубка (7.3x2000) (Tube, fuel long (7.3x2000))

под заказ4740 руб. 
1517702-ZV4-000

Короткая топливная трубка (6.3x500) (Tube, fuel short (6.3x500))

под заказ870 руб. 
1617703-921-010

Зажимной ремешек трубки, 20 мм (Band, tube clip, 20mm)

под заказ580 руб. 
1717704-ZV4-010

Зажимной ремешек трубки, 12.5 мм (Band, tube clip, 12.5mm)

под заказ320 руб. 
1817738-ZY3-000

Заглушка топливной трубки (Plug, fuel tube)

под заказ1910 руб. 
1987571-921-010

Маркировка: осторожно, топливный бак (Mark, tank caution)

под заказпо запросу 

Время выполнения запроса 9.5875949859619 сек.

 
 

данный сайт носит информационный характер и не является публичной офертой

склад запчастей для водомоторной техники