Контактный телефон: +7 (981) 121-46-93, +7 (800) 200-90-76 , Email: parts-katalog@yandex.ru, где купить |
Модификация Вашего двигателя: Honda BF130A2 XCD Вернуться к выбору узлов мотора Переключающий вал |
|||||||||||||||||||||||||||||||||||||||||||||||||||||||||||||||||||||||||||||||||||||||||||||||||||||||||||||||||||||||||||||||||||||||||||||||||||||||||||||||||||||||||||||||||||||||||||||||||||||||||||||||||||||||||||||||||||||||||||||||||||||||
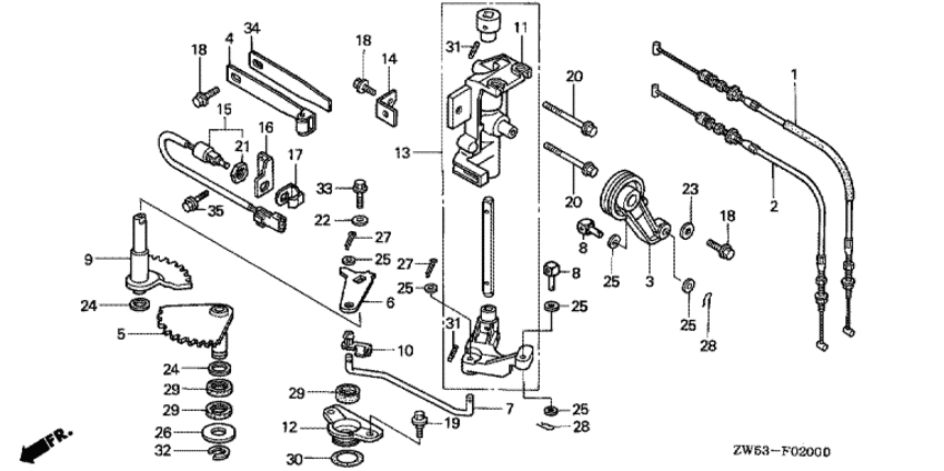
| Номер на рисунке | Артикул | Наименование | Кол-во на складе | Цена | |
| 1 | 17910-ZW5-003 | Кабели comp. a, Дроссель (Cable comp. a, throttle) | под заказ | 2360 руб. | |
| 2 | 17920-ZW5-003 | Кабели comp. b, Дроссель (Cable comp. b, throttle) | под заказ | 2180 руб. | |
| 3 | 17931-ZW5-000 | Рукоятка дроссельной заслонки (Arm, throttle) | под заказ | по запросу | |
| 4 | 24210-ZW1-010 | Нажимная пружина, комплект (Spring comp., click) | под заказ | 1600 руб. | |
| 5 | 24610-ZW5-000 | Переключающий вал (a) (Shaft comp., shift (a)) | под заказ | по запросу | |
| 6 | 24612-ZW1-010 | Рычаг переключения (Arm, shift) | под заказ | 3400 руб. | |
| 7 | 24613-ZW5-000 | Соеденительная тяга (Rod, link) | под заказ | по запросу | |
| 8 | 24618-ZV5-000 | Переключающий стержень (Pivot, shift) | 2 шт | 2090 руб. | |
| 9 | 24620-ZW5-000 | Переключающий вал (b) (Shaft comp., shift (b)) | под заказ | по запросу | |
| 10 | 24621-ZW5-000 | Втулка вала (Bush, shaft) | под заказ | по запросу | |
| 11 | 24628-ZW5-000ZA | Кронштейн переключающей тяги *nh8 * (Bracket, shift link *nh8 *) | под заказ | по запросу | |
| 12 | 24629-ZW1-000 | Держатель сальника (Holder, seal) | под заказ | 2910 руб. | |
| 13 | 24630-ZW5-000ZA | Link comp., shift *nh8 * (Link comp., shift *nh8 *) | под заказ | по запросу | |
| 14 | 32115-ZW5-010 | Кронштейн зажима (d) (Bracket, clip (d)) | под заказ | по запросу | |
| 15 | 35470-ZW5-003 | Переключатель нейтрали, в сборе (Switch assy., neutral) | под заказ | 10900 руб. | |
| 15 | 04302-ZW5-000 | (последний код) SET,NEUT SW | под заказ | 10900 руб. | |
| 16 | 35476-ZW1-010 | Кронштейн переключателя нейтрали (Bracket, neutral switch) | под заказ | по запросу | |
| 17 | 35618-ZV5-000 | Пластина переключателя нейтрали (Plate, neutral switch) | под заказ | 1200 руб. | |
| 18 | 90013-ZV0-010 | Фланцевый болт, 6x12 (Bolt, flange, 6x12) | под заказ | 350 руб. | |
| 19 | 90108-HE0-000 | Фланцевый болт, 6 мм (Bolt, flange, 6mm) | под заказ | по запросу | |
| 19 | 90023-ZW5-000 | Фланцевый болт, 6x11 (Bolt, flange, 6x11) | под заказ | 370 руб. | |
| 20 | 90125-ZV1-010 | Фланцевый болт, 6x42 (Bolt, flange, 6x42) | под заказ | 420 руб. | |
| 21 | 90302-ZV5-003 | Шестигранная гайка, 20 мм (Nut, hex., 20mm) | под заказ | 750 руб. | |
| 22 | 90406-KV3-780 | Шайба, 6 мм (Washer, 6mm) | под заказ | 270 руб. | |
| 23 | 90406-ZV5-010 | Шайба, 6 мм (Washer, 6mm) | под заказ | 600 руб. | |
| 23 | 90403-ZW1-000 | Плоская шайба, 6 мм (Washer, plain, 6mm) | под заказ | 600 руб. | |
| 24 | 90501-ZW5-000 | Шайба, Переключающий вал (Washer, shift shaft) | под заказ | 910 руб. | |
| 25 | 90504-921-010 | Плоская шайба, 6 мм (Washer, plain, 6mm) | 6 шт | 330 руб. | |
| 26 | 90508-ZV7-000 | Шайба (Washer) | под заказ | 1070 руб. | |
| 27 | 90759-ZV1-000 | Стопорный шплинт, 2.0 (Pin, split, 2.0) | 2 шт | 230 руб. | |
| 28 | 90765-ZW1-000 | Блокирующая шпилька special, 6 мм (Pin, lock special, 6mm) | под заказ | 220 руб. | |
| 29 | 91251-ZW5-003 | Сальник, 14x26x6 (Oil seal, 14x26x6) | 1 шт | 1180 руб. | |
| 30 | 91302-PF0-003 | Уплотнительное кольцо (O-ring) | 1 шт | 520 руб. | |
| 31 | 94305-30183 | Штифт (Pin) | под заказ | 120 руб. | |
| 32 | 94540-12029 | Уплотнительное кольцо, 12 мм (E-ring, 12mm) | под заказ | 1150 руб. | |
| 33 | 90056-ZY3-000 | Фланцевый болт, 6x12 (Bolt, flange, 6x12) | под заказ | 430 руб. | |
| 34 | 24221-ZW1-010 | Пружина с помощью при нажатии (Spring, click assist) | под заказ | по запросу | |
| 35 | 90022-ZW5-000 | Фланцевый болт, 6x14 (ct200) (Bolt, flange, 6x14 (ct200)) | под заказ | по запросу | |
Время выполнения запроса 0.64832496643066 сек.
склад запчастей для водомоторной техники