Контактный телефон: +7 (981) 121-46-93, +7 (800) 200-90-76 , Email: parts-katalog@yandex.ru, где купить |
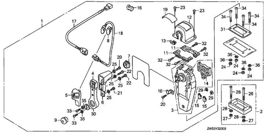
Модификация Вашего двигателя: Honda BF115A2 LE Вернуться к выбору узлов мотора Дистанционное управление (одинарное, правое, монтаж сверху) |
|||||||||||||||||||||||||||||||||||||||||||||||||||||||||||||||||||||||||||||||||||||||||||||||||||||||||||||||||||||||||||||||||||||||||||||||||||||||||||||||||||||||||||||||||||||||||||||||||||||||||||||||||||||||||||||||||||||||||||||||||||||||
| Номер на рисунке | Артикул | Наименование | Кол-во на складе | Цена | |
| 1 | 06240-ZW5-U00 | Комплект машинки дистанционного управления (одинарное, монтаж сверху) (r.) (Box kit, remote control (top mount single) (r.)) | под заказ | 60250 руб. | |
| 1 | 06240-ZW5-U40 | (последний код) BOX KIT, REMOTE CONTROL ( | 1 шт | 102990 руб. | |
| 2 | 06241-ZW5-U00 | Комплект прокладки для машинки дистанционного управления (одинарное, монтаж сверху) (Spacer kit, remote control box (top mount single)) | под заказ | 7070 руб. | |
| 3 | 24810-ZW5-U01 | Внутренний корпус, левый (монтаж сверху) (Housing assy., l. inner (top mount)) | под заказ | 67250 руб. | |
| 4 | 24811-ZW5-U01 | Рукоятка дистанционного управления (Handle, remote control) | под заказ | 15870 руб. | |
| 5 | 24812-ZW5-U01 | Крышка рукоятки (Cover, l. grip) | под заказ | 3280 руб. | |
| 6 | 24813-ZW5-U01 | Ручка рукоятки дистанционного управления (Grip, remote control handle) | под заказ | 1640 руб. | |
| 7 | 24814-ZW5-U01 | Колпачок рукоятки (Cap, grip) | под заказ | 1100 руб. | |
| 8 | 24815-ZW5-U01 | Колпачок переключателя (Cap, switch) | под заказ | 1700 руб. | |
| 9 | 24816-ZW5-U01 | Кнопка дросселя (Button, throttle) | под заказ | 1210 руб. | |
| 10 | 24818-ZW5-U01 | Пластина струбцины кабеля (Plate, cable clamp) | под заказ | 1320 руб. | |
| 11 | 24819-ZW5-U01 | Кронштейн корпуса машинки дистанционного управления (Bracket, remote control housing) | под заказ | 1500 руб. | |
| 12 | 24820-ZW5-U01 | Корпус машинки дистанционного управления (Housing comp., remote control box) | под заказ | 3810 руб. | |
| 13 | 24825-ZW5-U01 | Корпус провода (Housing, lead) | под заказ | 450 руб. | |
| 14 | 24826-ZW5-U01 | Зажерживающая пластина (Plate, dwell) | под заказ | 2250 руб. | |
| 15 | 24831-ZW5-U01 | Наконечник кабеля (Terminal, cable) | под заказ | 1270 руб. | |
| 16 | 24832-ZW5-U01 | Прокладка струбцины кабеля (Spacer, cable clamp) | под заказ | 640 руб. | |
| 17 | 32530-ZW7-U00 | Вложение под жгут проводов управления механизированным дифферентом наклона (a) (Sub harness assy., power trim-tilt (a)) | под заказ | 4100 руб. | |
| 18 | 35370-ZW5-U02 | Переключатель механизированного дифферента наклона, в сборе (a) (Switch assy., power trim-tilt (a)) | под заказ | 8970 руб. | |
| 19 | 87703-ZW5-U01 | Маркировка - одинарное дистанционное управление (Mark, remote control (single)) | под заказ | по запросу | |
| 19 | 87703-ZW5-U02 | Маркировка - одинарное дистанционное управление (Mark, remote control (single)) | под заказ | 1090 руб. | |
| 20 | 90101-ZW5-U00 | Винт с чашечкой, 5x16 (Screw, pan, 5x16) | под заказ | 420 руб. | |
| 21 | 90102-ZW5-U00 | Винт с чашечкой, 5x10 (Screw, pan, 5x10) | под заказ | 400 руб. | |
| 22 | 90103-ZW5-U01 | Винт с чашечкой, 5x20 (Screw, pan, 5x20) | под заказ | 530 руб. | |
| 23 | 90105-ZW5-U01 | Винт с чашечкой, 4x10 (Screw, pan, 4x10) | под заказ | 630 руб. | |
| 24 | 90301-ZW5-U00 | Шестигранная гайка, 5 мм (Nut, hex., 5mm) | под заказ | 230 руб. | |
| 25 | 90501-ZW5-U00 | Шайба с блокировкой, 5 мм (Washer, lock, 5mm) | под заказ | 130 руб. | |
| 26 | 93500-050-654-J | Винт с чашечкой, 5x65 (Screw, pan, 5x65) | под заказ | 570 руб. | |
| 27 | 94001-054900S | Шестигранная гайка, 5 мм (Nut, hex., 5mm) | 1 шт | 110 руб. | |
| 28 | 90502-ZV4-000 | Плоская шайба, 5 мм (Washer, plain, 5mm) | 2 шт | 550 руб. | |
| 29 | 9454006029 | Уплотнительное кольцо, 6 мм (E-ring, 6mm) | под заказ | 320 руб. | |
| 30 | 24817-ZW5-U01 | Пластина ручки (Plate, handle) | под заказ | 2430 руб. | |
| 31 | 24834-ZW5-U01 | Прокладка, одинарная (Packing, single) | под заказ | 1110 руб. | |
| 32 | 90104-ZW5-U00 | Винт с чашечкой, 5x18 (Screw, pan, 5x18) | под заказ | 550 руб. | |
| 33 | 90106-ZW5-U00 | Винт с чашечкой, 6x18 (Screw, pan, 6x18) | под заказ | 550 руб. | |
| 34 | 90107-ZW5-U00 | Винт с чашечкой, 5x40 (Screw, pan, 5x40) | под заказ | 580 руб. | |
| 35 | 90502-ZW5-U00 | Шайба с блокировкой, 6 мм (Washer, lock, 6mm) | под заказ | 410 руб. | |
| 36 | 90503-ZW5-U00 | Плоская шайба, 5 мм (Washer, plain, 5mm) | под заказ | 150 руб. | |
Время выполнения запроса 1.9434509277344 сек.
склад запчастей для водомоторной техники