вконтакте

Контактный телефон: +7 (981) 121-46-93, +7 (800) 200-90-76 , Email: parts-katalog@yandex.ru, где купить

 
 

  Логин:

Пароль:

Регистрация

www.partskatalog.ru Все каталоги Запчасти Mercury Запчасти Suzuki Запчасти Tohatsu Запчасти Honda Контакты



УВАЖАЕМЫЕ КЛИЕНТЫ!
C 19 ДЕКАБРЯ 2025 ПО 02 МАРТА 2026 ГОДА ОТДЕЛ ЗАПЧАСТЕЙ И СЕРВИС РАБОТАТЬ НЕ БУДУТ
ПРОДАЖА ЛОДОЧНЫХ МОТОРОВ В ШТАТНОМ РЕЖИМЕ
ОБ ИЗМЕНЕНИЯХ В ГРАФИКЕ РАБОТЫ ЧИТАЙТЕ НА САЙТА



назад Раздел:   вперёд

Модификация Вашего двигателя:   Honda BF115A2 LCD
Модели с серийным номером двигателя от BEBD-1000001 до BEBD-9999999
Модели с серийным номером рамы от BZBG-1300001 до BZBG-1300060

Вернуться к выбору узлов мотора

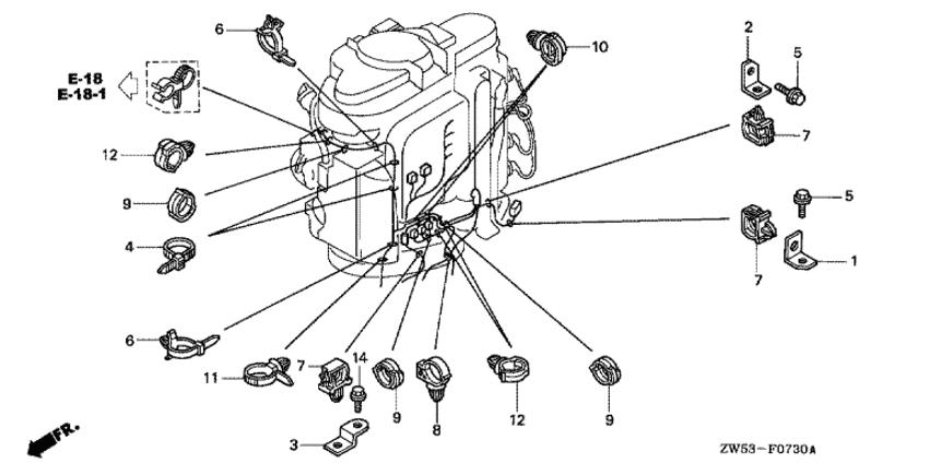
   Струбцина (со стороны предохранителя)
Clamp (fuse Side)      


ДЕТАЛИРОВКА ДЛЯ МОДЕЛИ: HONDA BF115A2

Подвесной  двигатель Хонда BF115A2 - Clamp (fuse Side)
Номер на
рисунке
АртикулНаименованиеКол-во
на складе
Цена
132114-ZW5-010

Кронштейн зажима (c) (Bracket, clip (c))

под заказпо запросу 
232115-ZW5-010

Кронштейн зажима (d) (Bracket, clip (d))

под заказпо запросу 
332119-ZW5-010

Кронштейн зажима (e) (Bracket, clip (e))

под заказ800 руб. 
332119-ZW5-020

(последний код) Bracket, clip (e)

под заказ1120 руб. 
435701-MG9-950

Ремешок (чёрный 3.5x140) (Band (black 3.5x140))

под заказ380 руб. 
590013-ZV0-010

Фланцевый болт, 6x12 (Bolt, flange, 6x12)

под заказ350 руб. 
690649-SC2-003

Ремешок (Band)

под заказ920 руб. 
790650-SB2-003

Зажим (Clip)

под заказ330 руб. 
890652-HC4-003

Струбцина (Clamp)

под заказ570 руб. 
990683-KJ2-003

Зажим под жгут проводов (Clip, wire harness)

под заказ610 руб. 
1090691-ZB7-003

Зажим под жгут проводов (Clip, harness)

под заказ340 руб. 
1191547-SF4-003

Ремешок (Band)

под заказ960 руб. 
1291558-SD5-003

Зажим (Clip)

под заказ560 руб. 
1490021-ZY3-000

Фланцевый болт, 6x14 (Bolt, flange, 6x14)

под заказ220 руб. 

Время выполнения запроса 1.1482980251312 сек.

 
 

данный сайт носит информационный характер и не является публичной офертой

склад запчастей для водомоторной техники