вконтакте

Контактный телефон: +7 (981) 121-46-93, +7 (800) 200-90-76 , Email: parts-katalog@yandex.ru, где купить

 
 

  Логин:

Пароль:

Регистрация

www.partskatalog.ru Все каталоги Запчасти Mercury Запчасти Suzuki Запчасти Tohatsu Запчасти Honda Контакты



УВАЖАЕМЫЕ КЛИЕНТЫ!
C 19 ДЕКАБРЯ 2025 ПО 02 МАРТА 2026 ГОДА ОТДЕЛ ЗАПЧАСТЕЙ И СЕРВИС РАБОТАТЬ НЕ БУДУТ
ПРОДАЖА ЛОДОЧНЫХ МОТОРОВ В ШТАТНОМ РЕЖИМЕ
ОБ ИЗМЕНЕНИЯХ В ГРАФИКЕ РАБОТЫ ЧИТАЙТЕ НА САЙТА



назад Раздел:   вперёд

Модификация Вашего двигателя:   Honda BF115AX XCD
Модели с серийным номером двигателя от BEBD-1000001 до BEBD-9999999
Модели с серийным номером рамы от BZBG-1000001 до BZBG-1099999

Вернуться к выбору узлов мотора

   Переключающий вал
Shift Shaft      


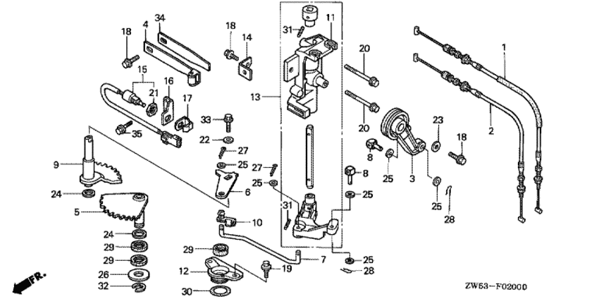
ДЕТАЛИРОВКА ДЛЯ МОДЕЛИ: HONDA BF115AX

Подвесной четырёх-тактный лодочный двигатель BF115AX - Shift Shaft / Переключающий вал
Номер на
рисунке
АртикулНаименованиеКол-во
на складе
Цена
117910-ZW5-003

Кабели comp. a, Дроссель (Cable comp. a, throttle)

под заказ2360 руб. 
217920-ZW5-003

Кабели comp. b, Дроссель (Cable comp. b, throttle)

под заказ2180 руб. 
317931-ZW5-000

Рукоятка дроссельной заслонки (Arm, throttle)

под заказпо запросу 
424210-ZW1-000

Нажимная пружина, комплект (Spring comp., click)

под заказпо запросу 
524610-ZW5-000

Переключающий вал (a) (Shaft comp., shift (a))

под заказпо запросу 
624612-ZW5-000

Рычаг переключения (Arm, shift)

под заказпо запросу 
724613-ZW5-000

Соеденительная тяга (Rod, link)

под заказпо запросу 
824618-ZV5-000

Переключающий стержень (Pivot, shift)

2 шт2090 руб. 
924620-ZW5-000

Переключающий вал (b) (Shaft comp., shift (b))

под заказпо запросу 
1024621-ZW5-000

Втулка вала (Bush, shaft)

под заказпо запросу 
1124628-ZW5-000ZA

Кронштейн переключающей тяги *nh8 * (Bracket, shift link *nh8 *)

под заказпо запросу 
1224629-ZW1-000

Держатель сальника (Holder, seal)

под заказ2910 руб. 
1324630-ZW5-000ZA

Link comp., shift *nh8 * (Link comp., shift *nh8 *)

под заказпо запросу 
1432115-ZW5-000

Кронштейн зажима (d) (Bracket, clip (d))

под заказпо запросу 
1535470-ZW5-003

Переключатель нейтрали, в сборе (Switch assy., neutral)

под заказ10900 руб. 
1504302-ZW5-000

(последний код) SET,NEUT SW

под заказ10900 руб. 
1635476-ZW1-000

Кронштейн переключателя нейтрали (Bracket, neutral switch)

под заказпо запросу 
1735618-ZV5-000

Пластина переключателя нейтрали (Plate, neutral switch)

под заказ1200 руб. 
1890013-ZV0-010

Фланцевый болт, 6x12 (Bolt, flange, 6x12)

под заказ350 руб. 
1990108-HE0-000

Фланцевый болт, 6 мм (Bolt, flange, 6mm)

под заказпо запросу 
2090125-ZV1-000

Фланцевый болт, 6x42 (Bolt, flange, 6x42)

под заказпо запросу 
2190302-ZV5-003

Шестигранная гайка, 20 мм (Nut, hex., 20mm)

под заказ750 руб. 
2290406-KV3-780

Шайба, 6 мм (Washer, 6mm)

под заказ270 руб. 
2390406-ZV5-000

Шайба, 6 мм (Washer, 6mm)

под заказ860 руб. 
2390403-ZW1-000

Плоская шайба, 6 мм (Washer, plain, 6mm)

под заказ600 руб. 
2490501-ZW5-000

Шайба, Переключающий вал (Washer, shift shaft)

под заказ910 руб. 
2590504-921-010

Плоская шайба, 6 мм (Washer, plain, 6mm)

6 шт330 руб. 
2690508-ZV7-000

Шайба (Washer)

под заказ1070 руб. 
2790759-ZV1-000

Стопорный шплинт, 2.0 (Pin, split, 2.0)

2 шт230 руб. 
2890765-ZW1-000

Блокирующая шпилька special, 6 мм (Pin, lock special, 6mm)

под заказ220 руб. 
2991251-ZW5-003

Сальник, 14x26x6 (Oil seal, 14x26x6)

1 шт1180 руб. 
3091302-PF0-003

Уплотнительное кольцо (O-ring)

1 шт520 руб. 
3194305-30183

Штифт (Pin)

под заказ120 руб. 
3294540-12029

Уплотнительное кольцо, 12 мм (E-ring, 12mm)

под заказ1150 руб. 
3395701-060-120-2

Болт (Bolt)

под заказ140 руб. 

Время выполнения запроса 1.7029359340668 сек.

 
 

данный сайт носит информационный характер и не является публичной офертой

склад запчастей для водомоторной техники