вконтакте

Контактный телефон: +7 (981) 121-46-93, +7 (800) 200-90-76 , Email: parts-katalog@yandex.ru, где купить

 
 

  Логин:

Пароль:

Регистрация

www.partskatalog.ru Все каталоги Запчасти Mercury Запчасти Suzuki Запчасти Tohatsu Запчасти Honda Контакты



УВАЖАЕМЫЕ КЛИЕНТЫ!
C 19 ДЕКАБРЯ 2025 ПО 02 МАРТА 2026 ГОДА ОТДЕЛ ЗАПЧАСТЕЙ И СЕРВИС РАБОТАТЬ НЕ БУДУТ
ПРОДАЖА ЛОДОЧНЫХ МОТОРОВ В ШТАТНОМ РЕЖИМЕ
ОБ ИЗМЕНЕНИЯХ В ГРАФИКЕ РАБОТЫ ЧИТАЙТЕ НА САЙТА



назад Раздел:   вперёд

Модификация Вашего двигателя:   Honda BF90DK0 EFI; LRTD
Модели с серийным номером двигателя от BEBCJ-1000001 до BEBCJ-
Модели с серийным номером рамы от BBCJ-1000001 до BBCJ-

Вернуться к выбору узлов мотора

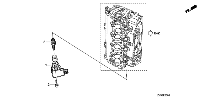
   Заглушка top coil
Plug Top Coil      


ДЕТАЛИРОВКА ДЛЯ МОДЕЛИ: HONDA BF90DK0

Подвесной  лодочный мотор BF90DK0 - Plug Top Coil
Номер на
рисунке
АртикулНаименованиеКол-во
на складе
Цена
130520-PWC-003

Катушка в сборе (Coil assy)

под заказ13060 руб. 
130520-PWC-S01

(последний код) COIL ASSY., PLUG TOP

под заказ12490 руб. 
290016-ZW9-000

Фланцевый болт, 6x25 (Bolt, flange, 6x25)

под заказ420 руб. 
39807B-5617C

Свеча зажигания (izfr6k-11e) (ngk) (Plug, spark (izfr6k-11e) (ngk))

4 шт6200 руб. 

Время выполнения запроса 0.25570511817932 сек.

 
 

данный сайт носит информационный характер и не является публичной офертой

склад запчастей для водомоторной техники