Контактный телефон: +7 (981) 121-46-93, +7 (800) 200-90-76 , Email: parts-katalog@yandex.ru, где купить |
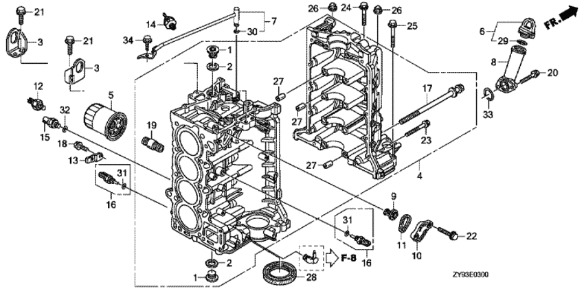
Модификация Вашего двигателя: Honda BF90DK0 EFI; XRTL Вернуться к выбору узлов мотора Блок цилиндра |
||||||||||||||||||||||||||||||||||||||||||||||||||||||||||||||||||||||||||||||||||||||||||||||||||||||||||||||||||||||||||||||||||||||||||||||||||||||||||||||||||||||||||||||||||||||||||||||||||||||||||||||||||||||||||||||||||||||||||||||||||||||||||||||||||||||||
| Номер на рисунке | Артикул | Наименование | Кол-во на складе | Цена | |
| 1 | 11106-PWA-300 | Болт (Bolt) | под заказ | 1060 руб. | |
| 2 | 11107-PWA-300 | Шайба (Washer) | под заказ | 300 руб. | |
| 3 | 11911-ZY9-000 | Подвес двигателя (Hanger, engine) | под заказ | 2990 руб. | |
| 3 | 11911-ZY9-010 | (последний код) HANGER, ENGINE | под заказ | 4200 руб. | |
| 4 | 12000-ZY9-405 | Блок цилиндров в сборе (частично) (Block assy., cylinder) | под заказ | 310500 руб. | |
| 4 | 12000-ZY9-415ZA | (последний код) BLOCK ASSY., CYLINDER *NH | под заказ | 329990 руб. | |
| 5 | 15400-RTA-004 | Картридж (Cartridge) | под заказ | 1280 руб. | |
| 5 | 15400-PLM-A02 | (последний код) CARTRIDGE, OIL FILTER (HO | 25 шт | 2190 руб. | |
| 5 | W610/3 | (не оригинальный аналог) Масляный фильтр Mann W610/3 | 3 шт | 700 руб. | |
| 6 | 15600-ZY9-000 | Колпачок масляного фильтра (Cap assy., oil filler) | под заказ | 2040 руб. | |
| 6 | 15600-ZY9-M00 | (последний код) CAP ASSY., OIL FILLER | под заказ | 2040 руб. | |
| 7 | 15612-ZY9-000 | Масляная трубка (Pipe, oil) | под заказ | 12020 руб. | |
| 8 | 15631-ZY9-000 | Расширение масляного фильтра (Extension, oil filler) | под заказ | 7720 руб. | |
| 9 | 19300-ZW9-003 | Термостат в сборе. (Thermostat assy.) | под заказ | 7770 руб. | |
| 11 | 19317-ZW9-000 | Уплотнительное кольцо крышки термостата (O-ring, thermostat cover) | 3 шт | 940 руб. | |
| 12 | 30530-RGA-004 | Датчик comp., knock (Sensor comp., knock) | под заказ | 16480 руб. | |
| 13 | 32114-ZW9-730 | Кронштейн зажима b (Bracket, clip b) | под заказ | 560 руб. | |
| 14 | 35490-ZW9-003 | Выключатель при низком давлении масла (Switch assy., oil pressure) | под заказ | 6360 руб. | |
| 15 | 35490-ZY9-004 | Выключатель при низком давлении масла (Switch assy., oil pressure) | 1 шт | 16820 руб. | |
| 16 | 35673-ZY3-003 | Датчик температуры воды, в сборе (Sensor assy., water temperature) | под заказ | 3700 руб. | |
| 17 | 90008-ZY9-003 | Болт с шайбой, 10x105 (Bolt-washer, 10x105) | под заказ | 1270 руб. | |
| 18 | 90011-ZW9-000 | Фланцевый болт, 6x14 (ct200) (Bolt, flange, 6x14 (ct200)) | под заказ | 370 руб. | |
| 19 | 90015-PH1-013 | Держатель (Holder) | под заказ | 1140 руб. | |
| 20 | 90016-ZW9-000 | Фланцевый болт, 6x25 (Bolt, flange, 6x25) | под заказ | 420 руб. | |
| 21 | 90026-ZY3-000 | Фланцевый болт, 8x20 (Bolt, flange, 8x20) | под заказ | 250 руб. | |
| 22 | 90030-ZY3-000 | Фланцевый болт, 6x22 (Bolt, flange, 6x22) | под заказ | 220 руб. | |
| 23 | 90031-ZY3-000 | Фланцевый болт, 6x32 (Bolt, flange, 6x32) | под заказ | 250 руб. | |
| 24 | 90054-ZY3-000 | Фланцевый болт, 8x35 (Bolt, flange, 8x35) | под заказ | 330 руб. | |
| 25 | 90120-HW1-670 | Фланцевый болт, 8x45 (Bolt, flange, 8x45) | под заказ | по запросу | |
| 25 | 90120-HW1-671 | Фланцевый болт, 8x45 (Bolt, flange, 8x45) | под заказ | 680 руб. | |
| 26 | 90201-ZY9-000 | Гайка с фланцевым колпачком, 8 мм (Nut, flange cap, 8mm) | под заказ | 290 руб. | |
| 27 | 90701-PD2-000 | Шпонка (Dowel pin) | под заказ | 460 руб. | |
| 28 | 91214-PNA-014 | Сальник (Oil seal) | 1 шт | 1760 руб. | |
| 29 | 91302-MAL-601 | Уплотнительное кольцо, 18.1x3.6 (O-ring, 18.1x3.6) | под заказ | 330 руб. | |
| 30 | 91305-ZY6-003 | Уплотнительное кольцо, 6.5x1.5 (O-ring, 6.5x1.5) | под заказ | 350 руб. | |
| 31 | 91307-PNA-003 | Уплотнительное кольцо (O-ring) | под заказ | 260 руб. | |
| 32 | 91319-PR3-003 | Уплотнительное кольцо (O-ring) | под заказ | 690 руб. | |
| 33 | 91324-PF4-004 | Уплотнительное кольцо (O-ring) | под заказ | 340 руб. | |
| 34 | 96300-060-140-9 | Фланцевый болт, 6x14 (Bolt, flange, 6x14) | под заказ | 150 руб. | |
| 10 | 19315-ZY9-000 | Крышка термостата (Cover, thermostat) | под заказ | 7570 руб. | |
| 10 | 19315-ZY9-H00 | (последний код) COVER THERMOSTAT | под заказ | 6030 руб. | |
Время выполнения запроса 0.59102487564087 сек.
склад запчастей для водомоторной техники