вконтакте

Контактный телефон: +7 (981) 121-46-93, +7 (800) 200-90-76 , Email: parts-katalog@yandex.ru, где купить

 
 

  Логин:

Пароль:

Регистрация

www.partskatalog.ru Все каталоги Запчасти Mercury Запчасти Suzuki Запчасти Tohatsu Запчасти Honda Контакты



УВАЖАЕМЫЕ КЛИЕНТЫ!
C 19 ДЕКАБРЯ 2025 ПО 02 МАРТА 2026 ГОДА ОТДЕЛ ЗАПЧАСТЕЙ И СЕРВИС РАБОТАТЬ НЕ БУДУТ
ПРОДАЖА ЛОДОЧНЫХ МОТОРОВ В ШТАТНОМ РЕЖИМЕ
ОБ ИЗМЕНЕНИЯХ В ГРАФИКЕ РАБОТЫ ЧИТАЙТЕ НА САЙТА



назад Раздел:   вперёд

Модификация Вашего двигателя:   Honda BF90AX LRTB
Модели с серийным номером двигателя от BBBE-1000001 до BBBE-2099999
Модели с серийным номером рамы от BBBL-4000001 до BBBL-4399999

Вернуться к выбору узлов мотора

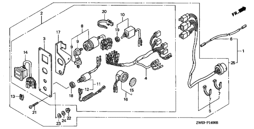
   Панель управления
Control Panel      


ДЕТАЛИРОВКА ДЛЯ МОДЕЛИ: HONDA BF90AX

Подвесной fourstroke двигатель BF90AX - Панель управления - Control Panel
Номер на
рисунке
АртикулНаименованиеКол-во
на складе
Цена
106323-ZW1-V10

Панель переключателей, комплект (dual) (Panel kit, switch (dual))

под заказпо запросу 
106323-ZW1-V11

Панель переключателей, комплект (dual) (Panel kit, switch (dual))

под заказпо запросу 
232340-ZW1-V01

Контрольная панель, в сборе (Panel assy., control)

под заказпо запросу 
232340-ZW1-V02

Контрольная панель, в сборе (Panel assy., control)

под заказ38320 руб. 
232340-ZW1-V04

(последний код) PANEL ASSY., CONTROL

под заказ37200 руб. 
332346-ZW1-V02

Контрольная панель (Panel, control)

под заказпо запросу 
432545-ZW1-V00

Жгут проводов панели переключателей (Harness assy., switch panel)

под заказпо запросу 
432545-ZW1-V01

Жгут проводов панели переключателей (Harness assy., switch panel)

под заказпо запросу 
532580-ZW1-V01

Кабель панели переключателей (Cable assy., switch panel)

под заказ21790 руб. 
532580-ZW2-D01

(последний код) CABLE ASSY., SWITCH PANEL

под заказ21770 руб. 
632600-ZW1-900

Провод ЗЕМЛЯ (bonding) (Cord assy., earth (bonding))

под заказ2630 руб. 
732901-952-770

Хомут кабеля (natural 2.4x92) (Tie, cable (natural 2.4x92))

под заказ40 руб. 
835100-ZV5-003

Комбинированный выключатель, в сборе (Switch assy., combination)

1 шт25590 руб. 
935110-ZV5-003

Ключ комбинированного выключателя, в сборе (Key assy., combination switch)

2 шт1580 руб. 
1035630-ZW1-V01

Выключатель соленоида (Switch assy., solenoid)

под заказпо запросу 
1136180-ZV5-013

Выключатель - аварийный останов двигателя, в сборе (Switch assy., emergency stop)

под заказ10010 руб. 
1136180-ZV5-033

(последний код) SWITCH ASSY., EMERGENCY S

под заказ10010 руб. 
1236182-ZV4-650

Шнур аварийной остановки двигателя (Cord comp., emergency)

под заказ3330 руб. 
1236182-ZV4-651

(последний код) CORD COMP., EMERGENCY

под заказ3330 руб. 
1336187-ZV4-651

Клипса аварийной блокировки (Clip, emergency lock)

под заказ1240 руб. 
1336187-ZV4-652

(последний код) CLIP, EMERGENCY LOCK

5 шт1240 руб. 
1437210-ZW1-701

Индикаторные лампы (Lamp assy., indication)

под заказпо запросу 
1538403-341-672

Пластина зуммера (Plate, winker buzzer)

под заказ820 руб. 
1638410-ZV5-003

Предупреждающий зуммер (Buzzer comp., warning)

под заказ10770 руб. 
1738414-ZW1-V02

Кронштейн зуммера (Bracket, buzzer)

под заказпо запросу 
1890302-921-000

Шестигранная гайка, 16 мм (Nut, hex., 16mm)

2 шт570 руб. 
1990305-ZW1-V01

Шестигранная гайка, 12 мм (Nut, hex., 12mm)

под заказпо запросу 
2090649-SC2-003

Ремешок (Band)

под заказ920 руб. 
2193500-050-401-B

Винт с чашечкой, 5x40 (Screw, pan, 5x40)

под заказпо запросу 
2294050-05020

Гайка (Nut)

под заказ140 руб. 
2394103-05200

Плоская шайба, 5 мм (Washer, plain, 5mm)

под заказпо запросу 
2494111-05400

Шайба (Washer)

под заказ90 руб. 
2506323-ZW1-V00

Панель переключателей, комплект (single) (Panel kit, switch (single))

под заказпо запросу 
2506323-ZW1-V01

Панель переключателей, комплект (single) (Panel kit, switch (single))

под заказпо запросу 

Время выполнения запроса 1.6334788799286 сек.

 
 

данный сайт носит информационный характер и не является публичной офертой

склад запчастей для водомоторной техники