Контактный телефон: +7 (981) 121-46-93, +7 (800) 200-90-76 , Email: parts-katalog@yandex.ru, где купить |
Модификация Вашего двигателя: Honda BF90A1 LRTB Вернуться к выбору узлов мотора Панель управления |
|||||||||||||||||||||||||||||||||||||||||||||||||||||||||||||||||||||||||||||||||||||||||||||||||||||||||||||||||||||||||||||||||||||||||||||||||||||||||||||||||||||||||||||||||||||||||||||||||||||||||||||
| Номер на рисунке | Артикул | Наименование | Кол-во на складе | Цена | |
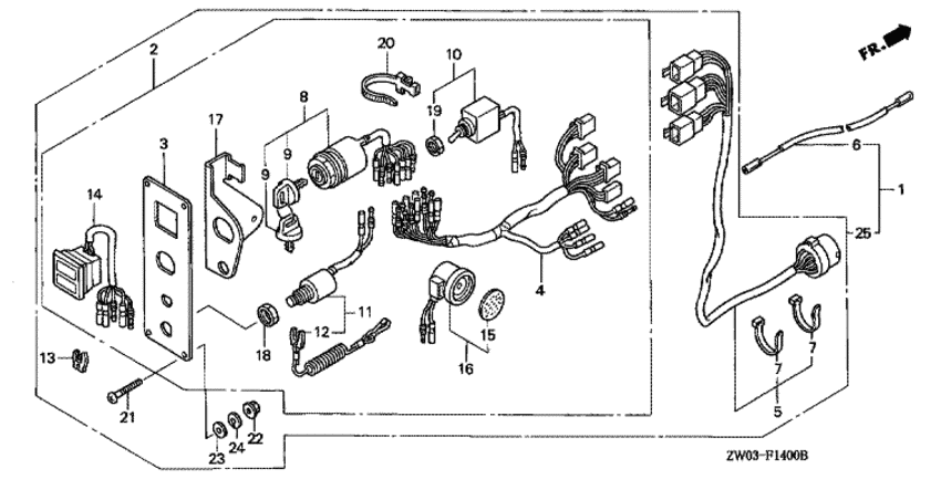
| 1 | 06323-ZW1-V11 | Панель переключателей, комплект (dual) (Panel kit, switch (dual)) | под заказ | по запросу | |
| 2 | 32340-ZW1-V02 | Контрольная панель, в сборе (Panel assy., control) | под заказ | 38320 руб. | |
| 2 | 32340-ZW1-V04 | (последний код) PANEL ASSY., CONTROL | под заказ | 37200 руб. | |
| 3 | 32346-ZW1-V02 | Контрольная панель (Panel, control) | под заказ | по запросу | |
| 4 | 32545-ZW1-V01 | Жгут проводов панели переключателей (Harness assy., switch panel) | под заказ | по запросу | |
| 5 | 32580-ZW1-V01 | Кабель панели переключателей (Cable assy., switch panel) | под заказ | 21790 руб. | |
| 5 | 32580-ZW2-D01 | (последний код) CABLE ASSY., SWITCH PANEL | под заказ | 21770 руб. | |
| 6 | 32600-ZW1-900 | Провод ЗЕМЛЯ (bonding) (Cord assy., earth (bonding)) | под заказ | 2630 руб. | |
| 7 | 32901-952-770 | Хомут кабеля (natural 2.4x92) (Tie, cable (natural 2.4x92)) | под заказ | 40 руб. | |
| 8 | 35100-ZV5-003 | Комбинированный выключатель, в сборе (Switch assy., combination) | 1 шт | 25590 руб. | |
| 9 | 35110-ZV5-003 | Ключ комбинированного выключателя, в сборе (Key assy., combination switch) | 2 шт | 1580 руб. | |
| 10 | 35630-ZW1-V01 | Выключатель соленоида (Switch assy., solenoid) | под заказ | по запросу | |
| 11 | 36180-ZV5-013 | Выключатель - аварийный останов двигателя, в сборе (Switch assy., emergency stop) | под заказ | 10010 руб. | |
| 11 | 36180-ZV5-033 | (последний код) SWITCH ASSY., EMERGENCY S | под заказ | 10010 руб. | |
| 12 | 36182-ZV4-650 | Шнур аварийной остановки двигателя (Cord comp., emergency) | под заказ | 3330 руб. | |
| 12 | 36182-ZV4-651 | (последний код) CORD COMP., EMERGENCY | под заказ | 3330 руб. | |
| 13 | 36187-ZV4-651 | Клипса аварийной блокировки (Clip, emergency lock) | под заказ | 1240 руб. | |
| 13 | 36187-ZV4-652 | (последний код) CLIP, EMERGENCY LOCK | 5 шт | 1240 руб. | |
| 14 | 37210-ZW1-701 | Индикаторные лампы (Lamp assy., indication) | под заказ | по запросу | |
| 14 | 37210-ZW1-702 | Индикаторные лампы (2-led) (Lamp assy., indication (2-led)) | под заказ | 19720 руб. | |
| 15 | 38403-341-672 | Пластина зуммера (Plate, winker buzzer) | под заказ | 820 руб. | |
| 16 | 38410-ZV5-003 | Предупреждающий зуммер (Buzzer comp., warning) | под заказ | 10770 руб. | |
| 17 | 38414-ZW1-V02 | Кронштейн зуммера (Bracket, buzzer) | под заказ | по запросу | |
| 18 | 90302-921-000 | Шестигранная гайка, 16 мм (Nut, hex., 16mm) | 2 шт | 570 руб. | |
| 19 | 90305-ZW1-V01 | Шестигранная гайка, 12 мм (Nut, hex., 12mm) | под заказ | по запросу | |
| 20 | 90649-SC2-003 | Ремешок (Band) | под заказ | 920 руб. | |
| 21 | 93500-050-401-B | Винт с чашечкой, 5x40 (Screw, pan, 5x40) | под заказ | по запросу | |
| 22 | 94050-05020 | Гайка (Nut) | под заказ | 140 руб. | |
| 23 | 94103-05200 | Плоская шайба, 5 мм (Washer, plain, 5mm) | под заказ | по запросу | |
| 24 | 94111-05400 | Шайба (Washer) | под заказ | 90 руб. | |
| 25 | 06323-ZW1-V01 | Панель переключателей, комплект (single) (Panel kit, switch (single)) | под заказ | по запросу | |
Время выполнения запроса 0.79967403411865 сек.
склад запчастей для водомоторной техники