Контактный телефон: +7 (981) 121-46-93, +7 (800) 200-90-76 , Email: parts-katalog@yandex.ru, где купить |
Модификация Вашего двигателя: Honda BF75A2 LRTB Вернуться к выбору узлов мотора Карбюратор |
|||||||||||||||||||||||||||||||||||||||||||||||||||||||||||||||||||||||||||||||||||||||||||||||||||||||||||||||||||||||||||||||||||||||||||||||||||||||||||||||||||||||||||||||||||||||||||||||||||||||||||||||||||||||||||||||||||||||||||||||||||||||||||||||||||||||||||||||||||||||||||||||||||||||||||||||||||||||||||||||||||||||||||||||||||||||||||||
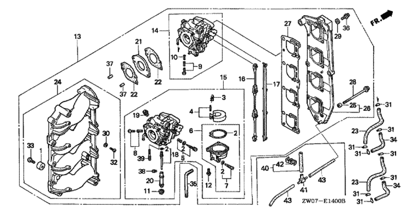
| Номер на рисунке | Артикул | Наименование | Кол-во на складе | Цена | |
| 1 | 12155-ZV5-000 | Металлический анод (Metal, anode) | 1 шт | 1370 руб. | |
| 2 | 16010-ZV4-005 | Комплект прокладок (Gasket set) | 10 шт | 2170 руб. | |
| 3 | 16011-ZV4-005 | Клапан поплавка, набор (Valve set, float) | 1 шт | 6940 руб. | |
| 4 | 16013-ZW1-003 | Поплавок, набор (Float set) | под заказ | 7730 руб. | |
| 4 | 16013-ZW4-H01 | (последний код) FLOAT SET | под заказ | 7730 руб. | |
| 5 | 16016-ZW1-L01 | Набор винтов (Screw set) | 5 шт | 1740 руб. | |
| 6 | 16023-ZW1-000 | Поплавковая камера, набор (Chamber set, float) | под заказ | по запросу | |
| 7 | 16024-ZV4-650 | Дренажный винт, комплект (Screw set, drain) | под заказ | 2400 руб. | |
| 8 | 16028-ZV3-000 | Набор винтов (Screw set) | под заказ | 1590 руб. | |
| 9 | 16029-ZV3-000 | Набор винтов (Screw set) | под заказ | 1510 руб. | |
| 10 | 16052-KG4-003 | Пружина компрессионной катушки (Spring, compression coil) | под заказ | 830 руб. | |
| 11 | 16071-ZV4-005 | Винт заглушки (Screw, plug) | 3 шт | 970 руб. | |
| 12 | 16081-ZV4-650 | Винт с шайбой (Screw-washer) | под заказ | 380 руб. | |
| 13 | 16100-ZW0-L02ZA | Карбюратор в сборе. (bg35d b) *nh8 * (Carburetor assy. (bg35d b) *nh8 *) | под заказ | по запросу | |
| 13 | 16100-ZW0-L03ZA | Карбюратор в сборе. (bg35d c) *nh8 * (Carburetor assy. (bg35d c) *nh8 *) | под заказ | по запросу | |
| 14 | 16101-ZW0-L01 | Карбюратор в сборе. (#1 #2 #3) (Carburetor assy. (#1 #2 #3)) | под заказ | по запросу | |
| 15 | 16102-ZW0-L01 | Карбюратор в сборе. (#4) (Carburetor assy. (#4)) | под заказ | по запросу | |
| 16 | 16142-ZW1-000 | Рычаг, link (Lever, link) | под заказ | 8810 руб. | |
| 17 | 16144-ZW1-000 | Link, choke (Link, choke) | под заказ | 7180 руб. | |
| 18 | 16150-ZW0-L01 | Форсунка, #42 (Jet set, #42) | под заказ | по запросу | |
| 19 | 16162-ZW1-000 | Болт, holding (Bolt, holding) | под заказ | по запросу | |
| 20 | 16166-ZW0-000 | Главная форсунка (Nozzle, main) | под заказ | по запросу | |
| 21 | 16211-ZW1-000 | Изолятор карбюратора (Insulator, carburetor) | под заказ | 1400 руб. | |
| 22 | 16221-ZW1-000 | Прокладка карбюратора (Packing, carburetor) | 5 шт | 900 руб. | |
| 23 | 16851-ZW1-000 | Топливная трубка А (Tube a, fuel) | под заказ | по запросу | |
| 24 | 17100-ZW1-000ZA | Впускной коллектор *nh8 * (Manifold assy., intake *nh8 *) | под заказ | по запросу | |
| 25 | 17202-ZV5-300 | Промежуточный воротник, 6.5x11x7.5 (Collar, distance, 6.5x11x7.5) | под заказ | по запросу | |
| 25 | 17202-ZV5-310 | Промежуточный воротник, 6.5x11x7.5 (Collar, distance, 6.5x11x7.5) | под заказ | 740 руб. | |
| 26 | 17380-ZW1-010 | Пластина глушителя (Plate comp., silencer) | под заказ | по запросу | |
| 26 | 17380-ZW1-020 | Пластина глушителя (Plate comp., silencer) | под заказ | по запросу | |
| 27 | 17384-ZW1-000 | Прокладка пластины глушителя (Packing, silencer plate) | 3 шт | 2040 руб. | |
| 28 | 90021-ZW1-000 | Фланцевый болт, 6x106 (Bolt, flange, 6x106) | под заказ | по запросу | |
| 28 | 90021-ZW1-010 | Фланцевый болт, 6x106 (Bolt, flange, 6x106) | под заказ | по запросу | |
| 29 | 90406-ZV5-000 | Шайба, 6 мм (Washer, 6mm) | под заказ | 860 руб. | |
| 29 | 90403-ZW1-000 | Плоская шайба, 6 мм (Washer, plain, 6mm) | под заказ | 600 руб. | |
| 29 | 90406-ZV5-010 | Шайба, 6 мм (Washer, 6mm) | под заказ | 600 руб. | |
| 30 | 90452-323-000 | Шайба уплотнения, 5 мм (Washer, sealing, 5mm) | под заказ | 120 руб. | |
| 31 | 90603-ZV4-000 | Зажим трубки (b10) (Clip, tube (b10)) | под заказ | 270 руб. | |
| 32 | 93500-050-100-B | Винт с чашечкой, 5x10 (Screw, pan, 5x10) | под заказ | по запросу | |
| 32 | 90181-ZW4-000 | Винт с чашечкой, 5x10 (Screw, pan, 5x10) | под заказ | 150 руб. | |
| 33 | 93500-060184J | Винт с чашечкой, 6x18 (Screw, pan, 6x18) | под заказ | 240 руб. | |
| 34 | 95001-551-754-0 | Топливный шланг, 5.3x175 (95001-55001-60m) (Tube, fuel, 5.3x175 (95001-55001-60m)) | под заказ | 600 руб. | |
| 35 | 95003-050-233-1 | Виниловая трубка, 3.5x6.5x230 (95003-05001-60m) (Tube, vinyl, 3.5x6.5x230 (95003-05001-60m)) | под заказ | по запросу | |
| 36 | 95701-0602002 | Фланцевый болт, 6x20 (Bolt, flange, 6x20) | под заказ | 180 руб. | |
| 36 | 90018-ZW5-000 | Фланцевый болт, 6x20 (Bolt, flange, 6x20) | под заказ | 290 руб. | |
| 37 | 96220-60150 | Ролик, 6x15 (Roller, 6x15) | под заказ | 50 руб. | |
| 38 | 99101-ZW1-1350 | Главная форсунка, #135 (Jet, main, #135) | под заказ | по запросу | |
| 38 | 99112-HC4-1300 | Главная форсунка, #130 (Jet, main, #130) | под заказ | по запросу | |
| 38 | 99112-HC4-1320 | Главная форсунка, #132 (Jet, main, #132) | под заказ | по запросу | |
| 39 | 99103-MA10400 | Jet, slow, #40 (Jet, slow, #40) | под заказ | 2100 руб. | |
| 39 | 99103-MAZ0400 | (последний код) JET,SLOW #40 | под заказ | 2100 руб. | |
| 40 | 17387-ZW1-000 | Трубка в сборе., drain (Tube assy., drain) | под заказ | по запросу | |
| 41 | 17398-ZW1-000 | Joint, Глушитель drain (Joint, silencer drain) | под заказ | по запросу | |
| 42 | 47585-SJ6-003 | Зажим (Clip) | под заказ | 450 руб. | |
| 43 | 95003-070-143-1 | Трубка (Tube) | под заказ | 110 руб. | |
Время выполнения запроса 2.5846879482269 сек.
склад запчастей для водомоторной техники