вконтакте

Контактный телефон: +7 (981) 121-46-93, +7 (800) 200-90-76 , Email: parts-katalog@yandex.ru, где купить

 
 

  Логин:

Пароль:

Регистрация

www.partskatalog.ru Все каталоги Запчасти Mercury Запчасти Suzuki Запчасти Tohatsu Запчасти Honda Контакты

назад Раздел:   вперёд

Модификация Вашего двигателя:   Honda BF75A1 LHTC
Модели с серийным номером двигателя от BBAE-2100001 до BBAE-2199999
Модели с серийным номером рамы от BBAL-4400001 до BBAL-4409999

Вернуться к выбору узлов мотора

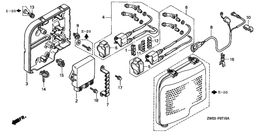
   Катушка зажигания / Блок управления C.D.I.
Ignition Coil / C.d.i. Unit      


ДЕТАЛИРОВКА ДЛЯ МОДЕЛИ: HONDA BF75A1

Подвесной  мотор BF75A1 - Ignition Coil / C.d.i. Unit / Катушка зажигания / Блок управления C.D.I.
Номер на
рисунке
АртикулНаименованиеКол-во
на складе
Цена
119786-PP8-003

Струбцина, intercooler reserve tank Трубка (Clamp, intercooler reserve tank tube)

под заказпо запросу 
230400-ZW1-013

Блок управления C.D.I. (C.d.i. unit)

под заказ121000 руб. 
330416-ZW1-000

Корпус модуля C.D.I. (Case, c.d.i. unit)

под заказ13320 руб. 
430500-ZW1-004

Катушка зажигания, в сборе (1) (Coil assy., ignition (1))

под заказ10930 руб. 
430500-ZW1-505

(последний код) COIL ASSY,IGN 1

под заказ10930 руб. 
530506-ML4-003

Подвес катушки зажигания (Suspension, ignition coil)

под заказпо запросу 
630550-ZW1-004

Катушка зажигания, в сборе (2) (Coil assy., ignition (2))

под заказ10930 руб. 
630550-ZW1-505

(последний код) COIL ASSY,IGN 2

под заказ10930 руб. 
732108-ZW1-000

Кронштейн comp., coвышеler (Bracket comp., coupler)

под заказпо запросу 
832193-ZW1-000

Провод переключателя (Cord, switch)

под заказпо запросу 
932660-MJ6-710

Фиксатор провода (Clamper, cord)

под заказ600 руб. 
1032763-PA0-000

Зажим провода (Clamp, cord)

под заказ1720 руб. 
1132766-PM3-000

Струбцина B (Clamp b)

под заказ750 руб. 
1232777-695-000

Струбцина (Clamp)

под заказ690 руб. 
1340102-ZV5-000

Пыльник под корпусом (Grommet, under case)

под заказ430 руб. 
1590682-ZV5-003

Зажим под жгут проводов (Clip, wire harness)

под заказ300 руб. 
1691402-ZW1-003

Зажим, Переключатель cord (Clip, switch cord)

под заказпо запросу 
1795701-060-120-2

Болт (Bolt)

под заказ140 руб. 
1895701-0601602

Фланцевый болт, 6x16 (Bolt, flange, 6x16)

под заказ140 руб. 

Время выполнения запроса 9.9490430355072 сек.

 
 

данный сайт носит информационный характер и не является публичной офертой

склад запчастей для водомоторной техники