вконтакте

Контактный телефон: +7 (981) 121-46-93, +7 (800) 200-90-76 , Email: parts-katalog@yandex.ru, где купить

 
 

  Логин:

Пароль:

Регистрация

www.partskatalog.ru Все каталоги Запчасти Mercury Запчасти Suzuki Запчасти Tohatsu Запчасти Honda Контакты

назад Раздел:   вперёд

Модификация Вашего двигателя:   Honda BF75A1 LHTD
Модели с серийным номером двигателя от BBAE-2100001 до BBAE-2199999
Модели с серийным номером рамы от BBAL-4400001 до BBAL-4409999

Вернуться к выбору узлов мотора

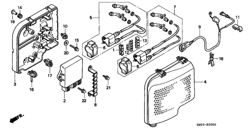
   Катушка зажигания / Блок управления C.D.I.
Ignition Coil / C.d.i. Unit      


ДЕТАЛИРОВКА ДЛЯ МОДЕЛИ: HONDA BF75A1

Подвесной четырёх-тактный мотор HONDA BF75A1 - Катушка зажигания / Блок управления C.D.I. - Ignition Coil / C.d.i. Unit
Номер на
рисунке
АртикулНаименованиеКол-во
на складе
Цена
430421-ZW1-000

Крышка модуля C.D.I. (Cover, c.d.i. unit)

под заказ12400 руб. 
1590121-ZV0-000

Фланцевый болт, 6x25 (Bolt, flange, 6x25)

под заказ380 руб. 
1590121-ZV0-010

(последний код) BOLT, FLANGE, 6X25

под заказ380 руб. 
1690672-SA0-003

Хомут (Strap)

под заказ870 руб. 
1991553-ZV5-000

Воротниковая втулка корпуса модуля C.D.I. (Collar, c.d.i. unit case)

под заказ580 руб. 
20 9410306200

Плоская шайба, 6 мм (Washer, plain, 6mm)

под заказ90 руб. 

Время выполнения запроса 0.2374439239502 сек.

 
 

данный сайт носит информационный характер и не является публичной офертой

склад запчастей для водомоторной техники