вконтакте

Контактный телефон: +7 (981) 121-46-93, +7 (800) 200-90-76 , Email: parts-katalog@yandex.ru, где купить

 
 

  Логин:

Пароль:

Регистрация

www.partskatalog.ru Все каталоги Запчасти Mercury Запчасти Suzuki Запчасти Tohatsu Запчасти Honda Контакты



УВАЖАЕМЫЕ КЛИЕНТЫ!
C 19 ДЕКАБРЯ 2025 ПО 02 МАРТА 2026 ГОДА ОТДЕЛ ЗАПЧАСТЕЙ И СЕРВИС РАБОТАТЬ НЕ БУДУТ
ПРОДАЖА ЛОДОЧНЫХ МОТОРОВ В ШТАТНОМ РЕЖИМЕ
ОБ ИЗМЕНЕНИЯХ В ГРАФИКЕ РАБОТЫ ЧИТАЙТЕ НА САЙТА



назад Раздел:   вперёд

Модификация Вашего двигателя:   Honda BF75A1 LHD
Модели с серийным номером двигателя от BBAE-2100001 до BBAE-2199999
Модели с серийным номером рамы от BBAL-4400001 до BBAL-4409999

Вернуться к выбору узлов мотора

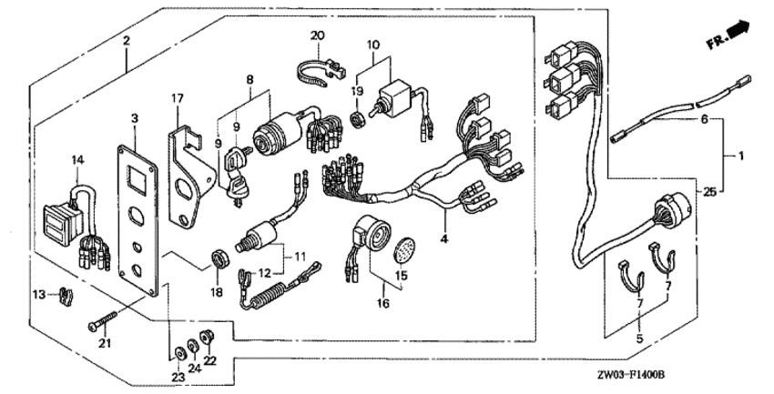
   Панель управления
Control Panel      


ДЕТАЛИРОВКА ДЛЯ МОДЕЛИ: HONDA BF75A1

Лодочный 4-тактный мотор HONDA BF75A1 - Control Panel / Панель управления

Время выполнения запроса 0.8668520450592 сек.

 
 

данный сайт носит информационный характер и не является публичной офертой

склад запчастей для водомоторной техники