Контактный телефон: +7 (981) 121-46-93, +7 (800) 200-90-76 , Email: parts-katalog@yandex.ru, где купить |
Модификация Вашего двигателя: Honda BFP60A XRTU; Power Thrust Вернуться к выбору узлов мотора Дистанционное управление в сборе (2) |
|||||||||||||||||||||||||||||||||||||||||||||||||||||||||||||||||||||||||||||||||||||||||||||||||||||||||||||||||||||||||||||||||||||||||||||||||||||||||||||||||||||||||||||||||||||||||||||||||||||||||||||||||||||||||||||||||||||||||||||||||||||||||||||||||||||||||||||||||||||||||||||||||||||||||||||||||||||||||||||||||||||||||||||||||||||||||||||||||||||||||||||||||||||||||||||||||||||||||||||||||||||||||||||||||||||||||||||||||||||||||||||
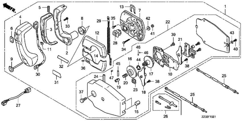
| Номер на рисунке | Артикул | Наименование | Кол-во на складе | Цена | |
| 1 | 24800-ZW1-V21 | Машинка дистанционного управления, в сборе (крепление на панель) (Box assy., remote control (panel mount)) | под заказ | 53410 руб. | |
| 2 | 24811-ZW1-V21 | Рукоятка дистанционного управления (Handle, remote control) | под заказ | 25170 руб. | |
| 3 | 24812-ZW1-V21 | Рычаг блокировки рукоятки (Lever, handle lock) | под заказ | 1600 руб. | |
| 4 | 24813-ZW1-V21 | Ручка рукоятки дистанционного управления (Grip, remote control handle) | под заказ | 4410 руб. | |
| 5 | 24816-ZW1-V21 | Пружина рукоятки дистанционного управления (Spring, remote control handle) | под заказ | 490 руб. | |
| 6 | 24819-ZW1-V21 | Крышка рукоятки (Cover, grip) | под заказ | 900 руб. | |
| 7 | 24820-ZW1-V21 | Корпус в сборе., Дистанционное управление в сборе (a) (Housing assy., remote control box (a)) | под заказ | 4360 руб. | |
| 8 | 24821-ZW1-003 | Втулка (Bushing) | под заказ | 430 руб. | |
| 9 | 24822-ZW1-V21 | Кнопка дросселя (Button, throttle) | под заказ | 980 руб. | |
| 10 | 24825-ZW1-V01 | Frame в сборе., Дистанционное управление в сборе (Frame assy., remote control box) | под заказ | 2910 руб. | |
| 11 | 24829-ZW1-003 | Ремешок кабеля (b) (Band, cable (b)) | под заказ | 320 руб. | |
| 12 | 24830-ZW1-V21 | Корпус машинки дистанционного управления (b) (Housing, remote control box (b)) | под заказ | 7260 руб. | |
| 13 | 24834-ZW1-003 | Фиксатор (Retainer) | под заказ | 560 руб. | |
| 14 | 24836-ZW1-V21 | Корпус машинки дистанционного управления (c) (Housing, remote control box (c)) | под заказ | 3880 руб. | |
| 15 | 24839-ZW1-V01 | Пыльник (Grommet) | под заказ | 480 руб. | |
| 16 | 24841-ZW1-V01 | Колесо управления (Wheel, control) | под заказ | 9200 руб. | |
| 17 | 24843-ZW1-V01 | Вал румпеля (Shaft, handle) | под заказ | 15010 руб. | |
| 18 | 24845-ZW1-V01 | Arm в сборе., shift link (Arm assy., shift link) | под заказ | 11620 руб. | |
| 19 | 24847-ZW1-V01 | Вал переключения передач (Shaft, gear shift) | под заказ | 490 руб. | |
| 20 | 24848-ZW1-V01 | Пружина переключения передач (Spring, gear shift) | под заказ | 490 руб. | |
| 21 | 24865-ZW1-V01 | Рукоятка тяги дроссельной заслонки (Arm assy., throttle link) | под заказ | 3400 руб. | |
| 22 | 24870-ZW1-V21 | Внутренний корпус в сборе (держатель панели) (Housing assy., inner (panel mount)) | под заказ | 47420 руб. | |
| 23 | 24873-ZW1-V01 | Втулка (Bush) | под заказ | 1270 руб. | |
| 24 | 24883-ZW1-V01 | Нажимная пружина переключателя (Spring, shift click) | под заказ | 340 руб. | |
| 25 | 24911-ZW1-003 | Тросики газ-реверс (10`) (brunswick) (Cable comp., remote control (10`) (brunswick)) | под заказ | 7930 руб. | |
| 25 | 24911-ZW1-V00 | Тросики газ-реверс (10`) (teleflex) (Cable comp., remote control (10`) (teleflex)) | под заказ | 8120 руб. | |
| 25 | 24910-ZW1-004XT | (последний код) CABLE REMOCON 10 | под заказ | 11340 руб. | |
| 25 | 24912-ZW1-003 | Тросики газ-реверс (11`) (brunswick) (Cable comp., remote control (11`) (brunswick)) | под заказ | 8280 руб. | |
| 25 | 24912-ZW1-V00 | Тросики газ-реверс (11`) (teleflex) (Cable comp., remote control (11`) (teleflex)) | под заказ | 8450 руб. | |
| 25 | 24913-ZW1-003 | Тросики газ-реверс (12`) (brunswick) (Cable comp., remote control (12`) (brunswick)) | под заказ | 8650 руб. | |
| 25 | 24913-ZW1-V00 | Тросики газ-реверс (12`) (teleflex) (Cable comp., remote control (12`) (teleflex)) | под заказ | 7560 руб. | |
| 25 | 24914-ZW1-003 | Тросики газ-реверс (13`) (brunswick) (Cable comp., remote control (13`) (brunswick)) | под заказ | 9040 руб. | |
| 25 | 24914-ZW1-V00 | Тросики газ-реверс (13`) (teleflex) (Cable comp., remote control (13`) (teleflex)) | под заказ | 9110 руб. | |
| 25 | 24915-ZW1-003 | Тросики газ-реверс (14`) (brunswick) (Cable comp., remote control (14`) (brunswick)) | под заказ | 9450 руб. | |
| 25 | 24915-ZW1-V00 | Тросики газ-реверс (14`) (teleflex) (Cable comp., remote control (14`) (teleflex)) | под заказ | 9450 руб. | |
| 25 | 24914-ZW1-004XT | (последний код) CABLE REMOCON 14 | под заказ | 11730 руб. | |
| 25 | 24916-ZW1-003 | Тросики газ-реверс (15`) (brunswick) (Cable comp., remote control (15`) (brunswick)) | под заказ | 9870 руб. | |
| 25 | 24916-ZW1-V00 | Тросики газ-реверс (15`) (teleflex) (Cable comp., remote control (15`) (teleflex)) | под заказ | 9780 руб. | |
| 25 | 24917-ZW1-003 | Тросики газ-реверс (16`) (brunswick) (Cable comp., remote control (16`) (brunswick)) | под заказ | 10320 руб. | |
| 25 | 24917-ZW1-V00 | Тросики газ-реверс (16`) (teleflex) (Cable comp., remote control (16`) (teleflex)) | под заказ | 10110 руб. | |
| 25 | 24918-ZW1-003 | Тросики газ-реверс (17`) (brunswick) (Cable comp., remote control (17`) (brunswick)) | под заказ | 10780 руб. | |
| 25 | 24918-ZW1-V00 | Тросики газ-реверс (17`) (teleflex) (Cable comp., remote control (17`) (teleflex)) | под заказ | 23330 руб. | |
| 25 | 24919-ZW1-003 | Тросики газ-реверс (18`) (brunswick) (Cable comp., remote control (18`) (brunswick)) | под заказ | 13290 руб. | |
| 25 | 24919-ZW1-V00 | Тросики газ-реверс (18`) (teleflex) (Cable comp., remote control (18`) (teleflex)) | под заказ | 10770 руб. | |
| 25 | 24920-ZW1-003 | Тросики газ-реверс (19`) (brunswick) (Cable comp., remote control (19`) (brunswick)) | под заказ | 11770 руб. | |
| 25 | 24920-ZW1-V00 | Тросики газ-реверс (19`) (teleflex) (Cable comp., remote control (19`) (teleflex)) | под заказ | 11110 руб. | |
| 25 | 24921-ZW1-003 | Тросики газ-реверс (20`) (brunswick) (Cable comp., remote control (20`) (brunswick)) | под заказ | 14330 руб. | |
| 25 | 24921-ZW1-V00 | Тросики газ-реверс (20`) (teleflex) (Cable comp., remote control (20`) (teleflex)) | под заказ | 11420 руб. | |
| 26 | 24931-ZW1-V00 | Adapter, Кабель дистанционного управления (Adapter, remocon cable) | под заказ | 25570 руб. | |
| 27 | 32167-ZW5-650 | Жгут проводов в сборе., Механизированный дифферент наклона (Harness assy., power trim-tilt) | под заказ | 2100 руб. | |
| 28 | 35180-ZW1-003 | Выключатель - аварийный останов двигателя, в сборе (Switch assy., emergency stop) | под заказ | 9520 руб. | |
| 29 | 35182-ZW1-003 | Шнур аварийной остановки двигателя (Cord comp., emergency) | под заказ | 2560 руб. | |
| 30 | 35370-ZW1-V01 | Переключатель механизированного дифферента наклона, в сборе (a) (Switch assy., power trim-tilt (a)) | под заказ | 9890 руб. | |
| 31 | 87705-ZW1-003 | Маркировка - дистанционное управление (a) (panel) (Mark, remote control (a) (panel)) | под заказ | 1030 руб. | |
| 32 | 87706-ZW1-003 | Маркировка - дистанционное управление (b) (по правому борту) (Mark, remote control (b) (for starboard)) | под заказ | 1520 руб. | |
| 32 | 87707-ZW1-003 | Маркировка - дистанционное управление (c) (для port) (Mark, remote control (c) (for port)) | под заказ | 1520 руб. | |
| 33 | 90136-ZW1-003 | Винт a (Screw a) | под заказ | 350 руб. | |
| 34 | 90137-ZW1-003 | Винт b (Screw b) | под заказ | 350 руб. | |
| 35 | 90138-ZW1-003 | Винт c (Screw c) | под заказ | 350 руб. | |
| 36 | 90139-ZW1-003 | Фрикционный винт (Screw, friction) | под заказ | 180 руб. | |
| 37 | 90140-ZW1-003 | Болт (Bolt) | под заказ | 800 руб. | |
| 38 | 90142-ZW1-003 | Винт (8-32x3 / 8) (Screw (8-32x3/8)) | под заказ | 350 руб. | |
| 39 | 90143-ZW1-003 | Винт (10-32x3 / 8) (Screw (10-32x3/8)) | под заказ | 330 руб. | |
| 40 | 90145-ZW1-003 | Винт (10-32x5 / 8) (Screw (10-32x5/8)) | под заказ | 330 руб. | |
| 41 | 90314-ZW1-003 | Гайка (1 / 4x20) (Nut (1/4x20)) | под заказ | 350 руб. | |
| 42 | 90551-ZW1-003 | Шайба (Washer) | под заказ | 550 руб. | |
| 43 | 90552-ZW1-003 | Шайба (Washer) | под заказ | 490 руб. | |
| 44 | 90653-ZW1-003 | Внешнее стопорное кольцо (Circlip, external) | под заказ | 130 руб. | |
| 45 | 90753-ZW1-003 | Штифт переключающей шестерни (Pin, gearshift) | под заказ | 250 руб. | |
| 46 | 90953-ZW1-003 | Стальной шарик (Ball, steel) | под заказ | 490 руб. | |
| 47 | 91553-ZW1-003 | Ролик нажимного переключателя (Roller, shift click) | под заказ | 360 руб. | |
Время выполнения запроса 3.0961549282074 сек.
склад запчастей для водомоторной техники