вконтакте

Контактный телефон: +7 (981) 121-46-93, +7 (800) 200-90-76 , Email: parts-katalog@yandex.ru, где купить

 
 

  Логин:

Пароль:

Регистрация

www.partskatalog.ru Все каталоги Запчасти Mercury Запчасти Suzuki Запчасти Tohatsu Запчасти Honda Контакты

назад Раздел:   вперёд

Модификация Вашего двигателя:   Honda BFP60A XRTU; Power Thrust
Модели с серийным номером двигателя от BEBFJ-1000001 до BEBFJ-
Модели с серийным номером рамы от BBFJ-8000001 до BBFJ-

Вернуться к выбору узлов мотора

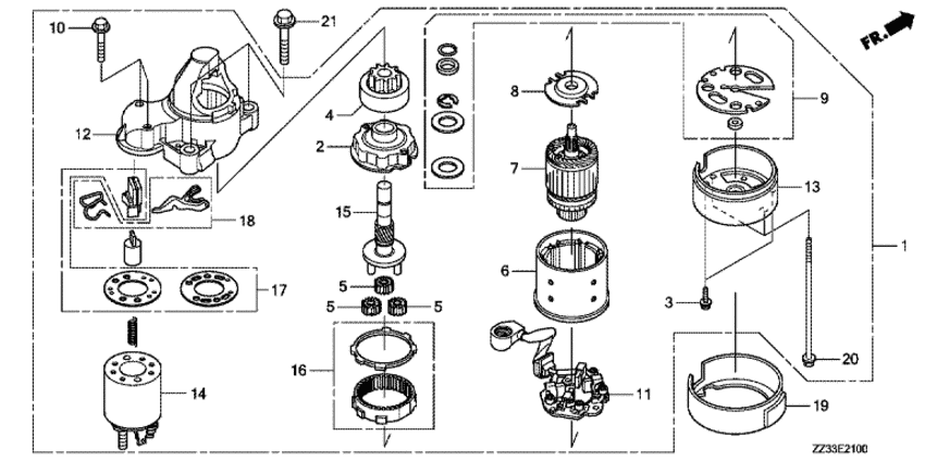
   Двигатель стартера
Starter Motor      


ДЕТАЛИРОВКА ДЛЯ МОДЕЛИ: HONDA BFP60A

Подвесной fourstroke двигатель Honda BFP60A - Starter Motor / Двигатель стартера
Номер на
рисунке
АртикулНаименованиеКол-во
на складе
Цена
131200-ZZ3-003

Электростартер, в сборе (Motor assy., starter)

под заказ173050 руб. 
231212-ZZ3-003

Центральный кронштейн, в сборе (Bracket assy., center)

под заказ0 руб. 
331213-ZZ3-003

Винт, (m4x16) (Screw, (m4x16))

под заказ0 руб. 
431214-ZZ3-003

Комплект шестерёнок (Pinion assy)

под заказ0 руб. 
531215-ZZ3-003

Планетарные шестерни (Gear, planet)

под заказ0 руб. 
631216-ZZ3-003

Обойма (Yoke assy.)

под заказ0 руб. 
731217-ZZ3-003

Якорь в сборе. (Armature assy.)

под заказ0 руб. 
831224-ZZ3-003

Центральный кронштейн (Bracket, center)

под заказ0 руб. 
931225-ZZ3-003

Стопор шайбы (Stopper set, washer)

под заказ1940 руб. 
1031226-ZZ3-003

Болт (m6x37) (Bolt (m6x37))

под заказ0 руб. 
1131231-ZZ3-003

Держатель втулки (Holder assy., brush)

под заказ8580 руб. 
1231235-ZZ3-003

Картер коробки передач (нога), в сборе (Case assy., gear)

под заказ0 руб. 
1331236-ZZ3-003

Задняя крышка (Cover assy., rr.)

под заказ0 руб. 
1431240-ZZ3-003

Магнитный выключатель (Switch assy., magnetic)

под заказ57590 руб. 
1531246-ZZ3-003

Вал шестерни (Shaft, pinion)

под заказ0 руб. 
1631247-ZZ3-003

Внутренние шестерни (Gear assy., internal)

под заказ0 руб. 
1731249-ZZ3-003

Пылезащитная крышка (Cover kit, dust)

под заказ3960 руб. 
1831250-ZZ3-003

Рычаг переключения (Lever set, shift)

под заказ0 руб. 
1931258-ZZ3-000

Подвес стартера (Suspension, starter)

под заказ0 руб. 
2031261-ZZ3-003

Сквозной болт (Bolt, through)

под заказ0 руб. 
2190126-ZW4-000

Фланцевый болт, 8x45 (Bolt, flange, 8x45)

под заказ350 руб. 

Время выполнения запроса 3.6504409313202 сек.

 
 

данный сайт носит информационный характер и не является публичной офертой

склад запчастей для водомоторной техники