вконтакте

Контактный телефон: +7 (981) 121-46-93, +7 (800) 200-90-76 , Email: parts-katalog@yandex.ru, где купить

 
 

  Логин:

Пароль:

Регистрация

www.partskatalog.ru Все каталоги Запчасти Mercury Запчасти Suzuki Запчасти Tohatsu Запчасти Honda Контакты

назад Раздел:   вперёд

Модификация Вашего двигателя:   Honda BF60A XRTL
Модели с серийным номером двигателя от BEBFJ-1000001 до BEBFJ-
Модели с серийным номером рамы от BBFJ-1000001 до BBFJ-

Вернуться к выбору узлов мотора

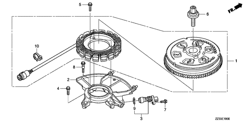
   Генератор переменного тока
A.c. Generator      


ДЕТАЛИРОВКА ДЛЯ МОДЕЛИ: HONDA BF60A

Подвесной 4-тактный двигатель BF60A - A.c. Generator / Генератор переменного тока
Номер на
рисунке
АртикулНаименованиеКол-во
на складе
Цена
131630-ZZ3-003

Генератор переменного тока в сборе (Generator assy., a.c.)

под заказ148800 руб. 
231636-ZZ3-000

Кронштейн генератора переменного тока (Bracket, a.c. generator)

под заказ0 руб. 
337500-PNB-003

Датчик в сборе (Sensor assy)

под заказ15390 руб. 
490016-ZW9-000

Фланцевый болт, 6x25 (Bolt, flange, 6x25)

под заказ420 руб. 
590016-ZY3-000

Фланцевый болт, 6x28 (Bolt, flange, 6x28)

2 шт250 руб. 
690017-RWC-A01

Болт с шайбой (Bolt-washer)

под заказ2900 руб. 
790017-ZY3-000

Фланцевый болт, 6x16 (Bolt, flange, 6x16)

под заказ220 руб. 
890023-ZY6-000

Специальный болт, 6x31 (Bolt, special, 6x31)

под заказ690 руб. 
991333-PNA-003

Уплотнительное кольцо (O-ring)

под заказ300 руб. 
1091540-S0A-003

Зажим (Clip)

под заказ400 руб. 

Время выполнения запроса 0.28421592712402 сек.

 
 

данный сайт носит информационный характер и не является публичной офертой

склад запчастей для водомоторной техники