Контактный телефон: +7 (981) 121-46-93, +7 (800) 200-90-76 , Email: parts-katalog@yandex.ru, где купить |
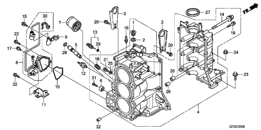
Модификация Вашего двигателя: Honda BF60A LRTL Вернуться к выбору узлов мотора Блок цилиндра |
||||||||||||||||||||||||||||||||||||||||||||||||||||||||||||||||||||||||||||||||||||||||||||||||||||||||||||||||||||||||||||||||||||||||||||||||||||||||||||||||||||||||||||||||||||||||||||||||||||||||||||||||||||||||||||||||||||||||||||||||||||||||||||||||||||||||||||||||||||||||||||||||
| Номер на рисунке | Артикул | Наименование | Кол-во на складе | Цена | |
| 1 | 11106-ZZ3-300 | Болт уплотнения, 24 мм (Bolt, sealing, 24mm) | под заказ | по запросу | |
| 2 | 11107-PWA-300 | Шайба (Washer) | под заказ | 300 руб. | |
| 3 | 11911-ZZ3-000 | Подвес двигателя (Hanger, engine) | под заказ | по запросу | |
| 4 | 12000-ZZ3-405ZA | Блок цилиндров в сборе (частично) *nh8* (Block assy., cylinder *nh8*) | под заказ | 309350 руб. | |
| 5 | 12109-ZZ3-000 | Болт слива масла из блока цилиндра (Bolt, block oil drain) | под заказ | 0 руб. | |
| 6 | 12155-ZV5-000 | Металлический анод (Metal, anode) | 1 шт | 1370 руб. | |
| 7 | 15400-PFB-014 | Картридж масляного фильтра (toyo roki) (Cartridge, oil filter (toyo roki)) | 1 шт | 2530 руб. | |
| 7 | 15400-ZZ3-003 | (последний код) CARTRIDGE, OIL FILTER (TO | 137 шт | 2530 руб. | |
| 7 | W67/1 | (не оригинальный аналог) Масляный фильтр W67/1 | 24 шт | 500 руб. | |
| 7 | T-AT-07067 | (не оригинальный аналог) Масляный фильтр Arctic Cat / Kawasaki / Yamaha AT-07067 (Bronco) | под заказ | 990 руб. | |
| 7 | T-615-110 | (не оригинальный аналог) Масляный фильтр Mercury / Honda 615-110 (WSM) | под заказ | 1590 руб. | |
| 7 | T-15400-PFB-014 | (не оригинальный аналог) Масляный фильтр Honda 15400-PFB-014 (MIZASHI) | под заказ | по запросу | |
| 7 | T-10-82230 | (не оригинальный аналог) Фильтр масляный 10-82230 (EMGO) | под заказ | 620 руб. | |
| 7 | T-10-82240 | (не оригинальный аналог) Фильтр масляный 10-82240 (EMGO) | под заказ | 620 руб. | |
| 7 | T-18-7913 | (не оригинальный аналог) Масляный фильтр Mercury / / Mariner / Honda 18-7913 (Sierra) | под заказ | 940 руб. | |
| 7 | T-55-1321 | (не оригинальный аналог) Масляный фильтр 55-1321 (WSM) | под заказ | 1230 руб. | |
| 7 | T-AT-MZ1439 | (не оригинальный аналог) Масляный фильтр Arctic Cat / Kawasaki / Yamaha AT-MZ1439 (MIZASHI) | под заказ | 530 руб. | |
| 7 | T-AT-MZ1424 | (не оригинальный аналог) Масляный фильтр Arctic Cat / Kawasaki / Yamaha AT-MZ1424 (MIZASHI) | под заказ | 600 руб. | |
| 7 | T-SC-OT227 | (не оригинальный аналог) Масляный фильтр Honda / Kawasaki / Polaris / Yamaha SC-OT227 | под заказ | по запросу | |
| 7 | T-SC-CN036 | (не оригинальный аналог) Масляный фильтр Honda SC-CN036 | под заказ | по запросу | |
| 8 | 31750-ZZ3-003 | Выпрямитель-регулятор, в сборе (Rectifier assy., regulator) | под заказ | 34500 руб. | |
| 9 | 31752-ZZ3-000 | Кронштейн A регулятора пара (Bracket a, regulator coupler) | под заказ | по запросу | |
| 10 | 31754-ZZ3-000 | Прокладка регулятора (Packing, regulator) | под заказ | 0 руб. | |
| 11 | 31756-ZZ3-000 | Кронштейн B регулятора пара (Bracket b, regulator coupler) | под заказ | по запросу | |
| 12 | 35490-ZZ3-003 | Выключатель при низком давлении масла (Switch assy., oil pressure) | под заказ | 7320 руб. | |
| 13 | 35673-ZY3-003 | Датчик температуры воды, в сборе (Sensor assy., water temperature) | под заказ | 3700 руб. | |
| 14 | 90001-ZZ3-003 | Болт, Шайба, 9x100 (Bolt, washer, 9x100) | под заказ | 0 руб. | |
| 15 | 90011-ZW9-000 | Фланцевый болт, 6x14 (ct200) (Bolt, flange, 6x14 (ct200)) | под заказ | 370 руб. | |
| 16 | 90012-ZV5-013 | Болт регулировочной пружины ремня распредвала (Bolt, timing belt adjusting spring) | под заказ | 670 руб. | |
| 17 | 90013-ZW9-000 | Фланцевый болт, 6x12 (Bolt, flange, 6x12) | под заказ | 320 руб. | |
| 18 | 90015-590-000 | Держатель (Holder) | под заказ | 380 руб. | |
| 19 | 90016-ZY3-000 | Фланцевый болт, 6x28 (Bolt, flange, 6x28) | 2 шт | 250 руб. | |
| 20 | 90017-ZY3-000 | Фланцевый болт, 6x16 (Bolt, flange, 6x16) | под заказ | 220 руб. | |
| 21 | 90021-ZY3-000 | Фланцевый болт, 6x14 (Bolt, flange, 6x14) | под заказ | 220 руб. | |
| 22 | 90030-ZY3-000 | Фланцевый болт, 6x22 (Bolt, flange, 6x22) | под заказ | 220 руб. | |
| 23 | 90035-ZY3-000 | Фланцевый болт, 8x28 (Bolt, flange, 8x28) | под заказ | 270 руб. | |
| 24 | 90201-ZY9-000 | Гайка с фланцевым колпачком, 8 мм (Nut, flange cap, 8mm) | под заказ | 290 руб. | |
| 25 | 90442-397-000 | Шайба (Washer) | под заказ | 110 руб. | |
| 26 | 90701-PD2-000 | Шпонка (Dowel pin) | под заказ | 460 руб. | |
| 27 | 91204-PW5-005 | Сальник (Oil seal) | под заказ | 1960 руб. | |
| 28 | 91304-ME5-003 | Уплотнительное кольцо, 5.1x2.2 (arai) (O-ring, 5.1x2.2 (arai)) | под заказ | 0 руб. | |
| 29 | 91307-PNA-003 | Уплотнительное кольцо (O-ring) | под заказ | 260 руб. | |
| 30 | 91541-S0A-003 | Зажим (Clip) | под заказ | 380 руб. | |
| 31 | 93500-060184J | Винт с чашечкой, 6x18 (Screw, pan, 6x18) | под заказ | 240 руб. | |
| 32 | 94301-14200 | Шпонка (Dowel pin) | под заказ | 220 руб. | |
Время выполнения запроса 1.1679260730743 сек.
склад запчастей для водомоторной техники