вконтакте

Контактный телефон: +7 (981) 121-46-93, +7 (800) 200-90-76 , Email: parts-katalog@yandex.ru, где купить

 
 

  Логин:

Пароль:

Регистрация

www.partskatalog.ru Все каталоги Запчасти Mercury Запчасти Suzuki Запчасти Tohatsu Запчасти Honda Контакты



УВАЖАЕМЫЕ КЛИЕНТЫ!
C 19 ДЕКАБРЯ 2025 ПО 02 МАРТА 2026 ГОДА ОТДЕЛ ЗАПЧАСТЕЙ И СЕРВИС РАБОТАТЬ НЕ БУДУТ
ПРОДАЖА ЛОДОЧНЫХ МОТОРОВ В ШТАТНОМ РЕЖИМЕ
ОБ ИЗМЕНЕНИЯХ В ГРАФИКЕ РАБОТЫ ЧИТАЙТЕ НА САЙТА



назад Раздел:   вперёд

Модификация Вашего двигателя:   Honda BF50A2 LRB
Модели с серийным номером двигателя от BAZE-1000001 до BAZE-9999999
Модели с серийным номером рамы от BAZL-3100001 до BAZL-3199999

Вернуться к выбору узлов мотора

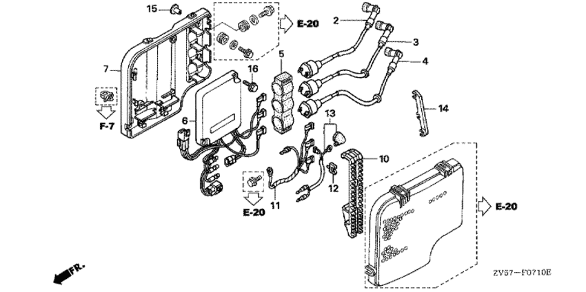
   Катушка зажигания / Блок управления C.D.I.
Ignition Coil / C.d.i. Unit      


ДЕТАЛИРОВКА ДЛЯ МОДЕЛИ: HONDA BF50A2

Подвесной  лодочный двигатель BF50A2 - Катушка зажигания / Блок управления C.D.I. - Ignition Coil / C.d.i. Unit
Номер на
рисунке
АртикулНаименованиеКол-во
на складе
Цена
230511-ZV5-003

Катушка зажигания, комплект (1) (Coil comp., ignition (1))

под заказ4670 руб. 
330512-ZV5-003

Катушка зажигания, комплект (2) (Coil comp., ignition (2))

под заказ4670 руб. 
430513-ZV5-003

Катушка зажигания, комплект (3) (Coil comp., ignition (3))

под заказ4670 руб. 
530516-ZV5-003

Подвес катушки зажигания (Suspension, ignition coil)

1 шт1600 руб. 
630580-ZV5-003

Блок управления C.D.I. (C.d.i. unit)

под заказ66200 руб. 
730587-ZV5-003

Корпус модуля C.D.I. (Case, c.d.i. unit)

под заказ7560 руб. 
1032106-ZV5-000

Кронштейн коннектора (a) (Bracket, connector (a))

под заказпо запросу 
1132610-ZV5-000

Провод ЗЕМЛЯ (Cord assy., earth)

под заказпо запросу 
1232805-413-000

Зажим кабеля мигающего светового сигнала (Clip, winker cord)

под заказ110 руб. 
1337204-ZV5-000

Провод переключателя (Cord, switch)

под заказпо запросу 
1490601-ZV5-000

Зажим высоковольтного провода (Clip, high tension cord)

под заказпо запросу 
1591553-ZV5-010

Воротниковая втулка корпуса модуля C.D.I. (Collar, c.d.i. unit case)

под заказ580 руб. 
1690018-ZW5-000

Фланцевый болт, 6x20 (Bolt, flange, 6x20)

под заказ290 руб. 

Время выполнения запроса 4.7936651706696 сек.

 
 

данный сайт носит информационный характер и не является публичной офертой

склад запчастей для водомоторной техники