Контактный телефон: +7 (981) 121-46-93, +7 (800) 200-90-76 , Email: parts-katalog@yandex.ru, где купить |
Модификация Вашего двигателя: Honda BF50A2 LRTF Вернуться к выбору узлов мотора Карбюратор |
|||||||||||||||||||||||||||||||||||||||||||||||||||||||||||||||||||||||||||||||||||||||||||||||||||||||||||||||||||||||||||||||||||||||||||||||||||||||||||||||||||||||||||||||||||||||||||||||||||||||||||||||||||||||||||||||||||||||||||||||||||||||||||||||||||||||||||||||||||||||||||||||||||||||||||||||||||||||||||||||||||||||||||||||||||||||||||||||||||||||||||||||||||||||||||||||||||||||||||||||||||||||||||||||||||||||||||||||||
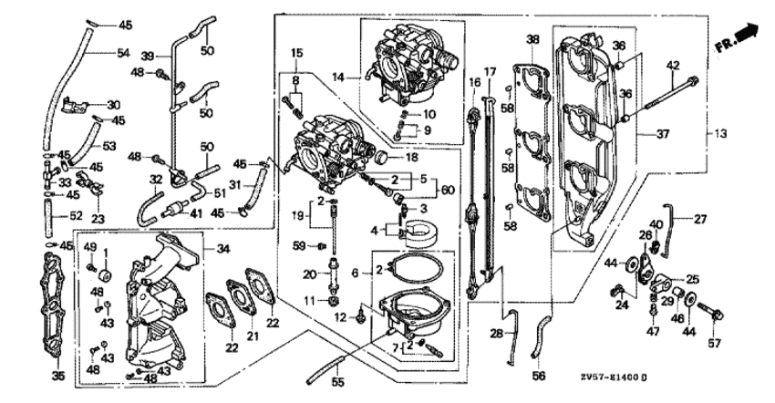
| Номер на рисунке | Артикул | Наименование | Кол-во на складе | Цена | |
| 1 | 12155-ZV5-000 | Металлический анод (Metal, anode) | 1 шт | 1370 руб. | |
| 2 | 16010-ZV4-005 | Комплект прокладок (Gasket set) | 10 шт | 2170 руб. | |
| 3 | 16011-ZV4-005 | Клапан поплавка, набор (Valve set, float) | 1 шт | 6940 руб. | |
| 4 | 16013-ZW1-003 | Поплавок, набор (Float set) | под заказ | 7730 руб. | |
| 4 | 16013-ZW4-H01 | (последний код) FLOAT SET | под заказ | 7730 руб. | |
| 5 | 16016-ZW4-003 | Набор винтов (Screw set) | под заказ | 1510 руб. | |
| 6 | 16023-ZV3-000 | Поплавковая камера, набор (Chamber set, float) | под заказ | 11100 руб. | |
| 7 | 16024-ZV4-650 | Дренажный винт, комплект (Screw set, drain) | под заказ | 2400 руб. | |
| 8 | 16028-ZV3-000 | Набор винтов (Screw set) | под заказ | 1590 руб. | |
| 9 | 16029-ZV3-000 | Набор винтов (Screw set) | под заказ | 1510 руб. | |
| 10 | 16052-KG4-003 | Пружина компрессионной катушки (Spring, compression coil) | под заказ | 830 руб. | |
| 11 | 16071-ZV4-005 | Винт заглушки (Screw, plug) | 3 шт | 970 руб. | |
| 12 | 16081-ZV4-650 | Винт с шайбой (Screw-washer) | под заказ | 380 руб. | |
| 13 | 16100-ZW4-013ZA | Карбюратор в сборе. (bg31a b) *nh8 * (Carburetor assy. (bg31a b) *nh8 *) | под заказ | 124850 руб. | |
| 14 | 16101-ZW4-003 | Карбюратор в сборе. (#1 / #2) (Carburetor assy. (#1/#2)) | под заказ | 32480 руб. | |
| 15 | 16102-ZW4-003 | Карбюратор в сборе. (#3) (Carburetor assy. (#3)) | под заказ | 32480 руб. | |
| 16 | 16142-ZV3-000 | Рычаг тяги (Lever comp., link) | под заказ | 2200 руб. | |
| 17 | 16144-ZV3-000 | Магистраль дросселя (Line, choke) | под заказ | 410 руб. | |
| 18 | 16148-141-881 | Пылезащитный колпчок заслонки (Cap, choke dust) | под заказ | 580 руб. | |
| 19 | 16150-ZW4-000 | Форсунка, #42 (Jet set, #42) | под заказ | 3570 руб. | |
| 20 | 16166-ZW4-000 | Главная форсунка (Nozzle, main) | под заказ | 4260 руб. | |
| 21 | 16211-ZW4-000 | Изолятор карбюратора (Insulator, carburetor) | 6 шт | 1120 руб. | |
| 22 | 16221-ZW4-000 | Прокладка карбюратора (Packing, carburetor) | 3 шт | 690 руб. | |
| 23 | 16223-ZV5-000 | Струбцина топливной трубки (a) (Clamp, fuel tube (a)) | под заказ | 670 руб. | |
| 24 | 16263-ZA0-000 | Соеденитель тяги (Joint, rod) | под заказ | 410 руб. | |
| 25 | 16574-ZV5-000 | Рычаг дросселя (a) (Arm, choke (a)) | под заказ | по запросу | |
| 26 | 16575-ZV5-000 | Рычаг дросселя (b) (Arm, choke (b)) | под заказ | по запросу | |
| 27 | 16622-ZV5-000 | Тяга дросселя (Rod, choke) | под заказ | 610 руб. | |
| 28 | 16628-ZV5-000 | Тяга ручки дросселя (Rod, choke knob) | под заказ | по запросу | |
| 29 | 16659-ZV5-000 | Пружина регулировки рычага заслонкиg (Spring, choke arm adjusting) | под заказ | по запросу | |
| 30 | 16815-ZV5-000 | Струбцина топливной трубки (Clamp, fuel tube) | под заказ | 760 руб. | |
| 30 | 16815-ZV5-010 | Струбцина топливной трубки (Clamp, fuel tube) | под заказ | 740 руб. | |
| 30 | 16815-ZV5-020 | (последний код) Clamp, fuel tube | под заказ | 0 руб. | |
| 31 | 16871-ZV5-000 | Топливная трубка C (Tube c, fuel) | под заказ | по запросу | |
| 32 | 16881-ZV5-000 | Топливная трубка D (Tube d, fuel) | под заказ | 730 руб. | |
| 33 | 16960-ME9-000 | Трубка соеденительного тройника (Pipe, three way joint) | под заказ | 2720 руб. | |
| 34 | 17100-ZV5-000ZA | Впускной коллектор *nh8 * (Manifold, intake *nh8 *) | под заказ | 51460 руб. | |
| 35 | 17151-ZV5-000 | Прокладка впускного коллектора (Packing, intake manifold) | 4 шт | 1130 руб. | |
| 36 | 17202-ZV5-300 | Промежуточный воротник, 6.5x11x7.5 (Collar, distance, 6.5x11x7.5) | под заказ | по запросу | |
| 36 | 17202-ZV5-310 | Промежуточный воротник, 6.5x11x7.5 (Collar, distance, 6.5x11x7.5) | под заказ | 740 руб. | |
| 37 | 17380-ZV5-000 | Пластина глушителя (Plate comp., silencer) | под заказ | 12440 руб. | |
| 38 | 17384-ZV5-000 | Прокладка пластины глушителя (Packing, silencer plate) | 2 шт | 3860 руб. | |
| 39 | 17881-ZV5-010 | Установочная трубка (Pipe, install) | под заказ | 7130 руб. | |
| 40 | 17957-ZV4-000 | Связующая втулка (Bush, linkage) | 1 шт | 260 руб. | |
| 41 | 36135-ZV5-004 | Клапан контроля амортизатора (Valve, dashpot check) | под заказ | 2360 руб. | |
| 42 | 90021-ZV5-000 | Фланцевый болт, 6x97 (Bolt, flange, 6x97) | под заказ | по запросу | |
| 42 | 90021-ZV5-010 | Фланцевый болт, 6x97 (Bolt, flange, 6x97) | под заказ | 670 руб. | |
| 43 | 90452-323-000 | Шайба уплотнения, 5 мм (Washer, sealing, 5mm) | под заказ | 120 руб. | |
| 44 | 90511-ZV4-000 | Плоская шайба, 6 мм (Washer, plain, 6mm) | под заказ | 440 руб. | |
| 45 | 90603-ZV4-000 | Зажим трубки (b10) (Clip, tube (b10)) | под заказ | 270 руб. | |
| 46 | 91503-ZV5-000 | Промежуточный воротник, 6.5x10.5x16 (Collar, distance, 6.5x10.5x16) | под заказ | 890 руб. | |
| 47 | 93500-040160B | Винт с чашечкой, 4x16 (Screw, pan, 4x16) | под заказ | по запросу | |
| 47 | 90180-ZW4-000 | Винт с чашечкой, 4x16 (Screw, pan, 4x16) | под заказ | по запросу | |
| 48 | 93500-050-100-B | Винт с чашечкой, 5x10 (Screw, pan, 5x10) | под заказ | по запросу | |
| 48 | 90181-ZW4-000 | Винт с чашечкой, 5x10 (Screw, pan, 5x10) | под заказ | 150 руб. | |
| 49 | 93500-060184J | Винт с чашечкой, 6x18 (Screw, pan, 6x18) | под заказ | 240 руб. | |
| 50 | 95001-350-454-0 | Топливный шланг, 3.5x45 (95001-35001-60m) (Tube, fuel, 3.5x45 (95001-35001-60m)) | под заказ | 640 руб. | |
| 51 | 95001-350-604-0 | Топливный шланг, 3.5x60 (95001-35001-60m) (Tube, fuel, 3.5x60 (95001-35001-60m)) | под заказ | по запросу | |
| 52 | 95001-550-654-0 | Топливный шланг, 5.3x65 (95001-55001-60m) (Tube, fuel, 5.3x65 (95001-55001-60m)) | под заказ | по запросу | |
| 53 | 95001-551-104-0 | Топливный шланг, 5.3x110 (95001-55001-60m) (Tube, fuel, 5.3x110 (95001-55001-60m)) | под заказ | 380 руб. | |
| 54 | 95001-551-704-0 | Топливный шланг, 5.3x170 (95001-55001-60m) (Tube, fuel, 5.3x170 (95001-55001-60m)) | под заказ | 380 руб. | |
| 55 | 95003-050-163-1 | Виниловая трубка, 3.5x6.5x160 (95003-05001-60m) (Tube, vinyl, 3.5x6.5x160 (95003-05001-60m)) | под заказ | по запросу | |
| 56 | 95003-050-203-1 | Виниловая трубка, 3.5x6.5x200 (95003-05001-60m) (Tube, vinyl, 3.5x6.5x200 (95003-05001-60m)) | под заказ | 110 руб. | |
| 57 | 95701-060-280-2 | Болт (Bolt) | под заказ | 120 руб. | |
| 57 | 90016-ZY3-000 | Фланцевый болт, 6x28 (Bolt, flange, 6x28) | 2 шт | 250 руб. | |
| 58 | 96220-60150 | Ролик, 6x15 (Roller, 6x15) | под заказ | 50 руб. | |
| 59 | 99101-ZV5-1250 | Главная форсунка, #125 (Jet, main, #125) | под заказ | 1080 руб. | |
| 59 | 99101-ZV5-1280 | Главная форсунка, #128 (Jet, main, #128) | под заказ | 1080 руб. | |
| 59 | 99101-ZV5-1300 | Главная форсунка, #130 (Jet, main, #130) | под заказ | 1080 руб. | |
Время выполнения запроса 0.89106798171997 сек.
склад запчастей для водомоторной техники