вконтакте

Контактный телефон: +7 (981) 121-46-93, +7 (800) 200-90-76 , Email: parts-katalog@yandex.ru, где купить

 
 

  Логин:

Пароль:

Регистрация

www.partskatalog.ru Все каталоги Запчасти Mercury Запчасти Suzuki Запчасти Tohatsu Запчасти Honda Контакты

назад Раздел:   вперёд

Модификация Вашего двигателя:   Honda BF50D EFI; LRFW
Модели с серийным номером двигателя от BEBEJ-1000001 до BEBEJ-
Модели с серийным номером рамы от BBEJ-1000001 до BBEJ-

Вернуться к выбору узлов мотора

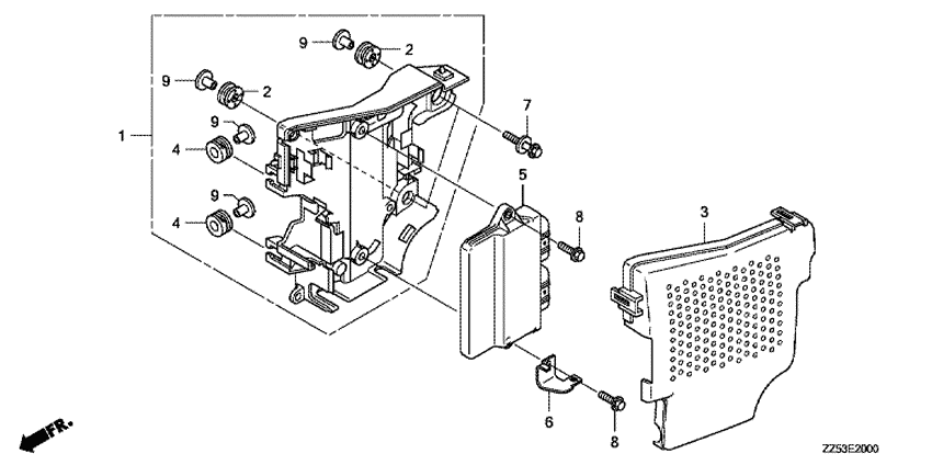
   Электронный блок управления
Electronic Control Unit      


ДЕТАЛИРОВКА ДЛЯ МОДЕЛИ: HONDA BF50D

Подвесной четырёхтактный лодочный мотор BF50D - Электронный блок управления / Electronic Control Unit
Номер на
рисунке
АртикулНаименованиеКол-во
на складе
Цена
130410-ZZ5-000

Case в сборе., electronic parts (Case assy., electronic parts)

под заказ14050 руб. 
230419-ZY9-003

Пыльник корпуса электрических частей (Grommet, electronic parts case)

под заказ920 руб. 
330421-ZZ5-000

Крышка электрических частей (Cover, electronic parts)

под заказ6010 руб. 
330421-ZZ5-010

(последний код) COVER, ELECTRONIC PARTS

под заказ6010 руб. 
430598-ZV5-000

Пыльник корпуса модуля C.D.I. (b) (Grommet, c.d.i. unit case (b))

под заказ910 руб. 
534750-ZZ5-003

Электронный блок управления (Control unit, electronic)

под заказ160080 руб. 
634754-ZZ5-000

Кронштейн, Электронный блок управления (Bracket, electronic control unit)

под заказ0 руб. 
790003-ZW2-000

Болт с шайбой, 6x27 (ct200) (Bolt-washer, 6x27 (ct200))

под заказ570 руб. 
890018-ZW5-000

Фланцевый болт, 6x20 (Bolt, flange, 6x20)

под заказ290 руб. 
991553-ZV5-010

Воротниковая втулка корпуса модуля C.D.I. (Collar, c.d.i. unit case)

под заказ580 руб. 
534750-ZZ5-013

Электронный блок управления (Control unit, electronic)

под заказ160080 руб. 
534750-ZZ5-023

Электронный блок управления (Control unit, electronic)

под заказ160080 руб. 

Время выполнения запроса 0.70695304870605 сек.

 
 

данный сайт носит информационный характер и не является публичной офертой

склад запчастей для водомоторной техники