вконтакте

Контактный телефон: +7 (981) 121-46-93, +7 (800) 200-90-76 , Email: parts-katalog@yandex.ru, где купить

 
 

  Логин:

Пароль:

Регистрация

www.partskatalog.ru Все каталоги Запчасти Mercury Запчасти Suzuki Запчасти Tohatsu Запчасти Honda Контакты



УВАЖАЕМЫЕ КЛИЕНТЫ!
C 19 ДЕКАБРЯ 2025 ПО 02 МАРТА 2026 ГОДА ОТДЕЛ ЗАПЧАСТЕЙ И СЕРВИС РАБОТАТЬ НЕ БУДУТ
ПРОДАЖА ЛОДОЧНЫХ МОТОРОВ В ШТАТНОМ РЕЖИМЕ
ОБ ИЗМЕНЕНИЯХ В ГРАФИКЕ РАБОТЫ ЧИТАЙТЕ НА САЙТА



назад Раздел:   вперёд

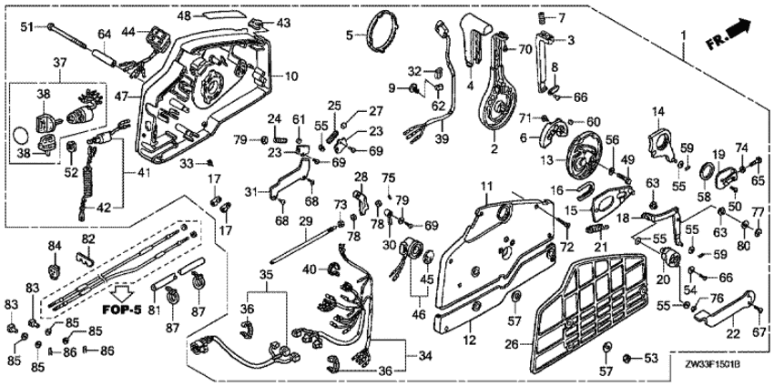
Модификация Вашего двигателя:   Honda BF50A4 LHE
Модели с серийным номером двигателя от BAZE-3000001 до BAZE-9999999
Модели с серийным номером рамы от BAZL-3400001 до BAZL-3999999

Вернуться к выбору узлов мотора

   Дистанционное управление (2)
Remote Control (2)      


ДЕТАЛИРОВКА ДЛЯ МОДЕЛИ: HONDA BF50A4

Двигатель BF50A4 - Remote Control (2) - Дистанционное управление (2)

Время выполнения запроса 0.18783903121948 сек.

 
 

данный сайт носит информационный характер и не является публичной офертой

склад запчастей для водомоторной техники