Контактный телефон: +7 (981) 121-46-93, +7 (800) 200-90-76 , Email: parts-katalog@yandex.ru, где купить |
Модификация Вашего двигателя: Honda BF50A4 XRTE Вернуться к выбору узлов мотора Дистанционное управление (2) |
|||||||||||||||||||||||||||||||||||||||||||||||||||||||||||||||||||||||||||||||||||||||||||||||||||||||||||||||||||||||||||||||||||||||||||||||||||||||||||||||||||||||||||||||||||||||||||||||||||||||||||||||||||||||||||||||||||||||||||||||||||||||||||||||||||||||||||||||||||||||||||||||||||||||||||||||||||||||||||||||||||||||||||||||||||||||||||||||||||||||||||||||||||||||||||||||||||||||||||||||||||||||||||||||||||||||||||||||||||||||||||||||||||||||||||||||||||||||||||||||||||||||||||||||||||||||||||||||||||||||||||||||||||||||||||||||||||||||||||||||||||||||||||||||||||||||||||||||||||||||||||||||||||||
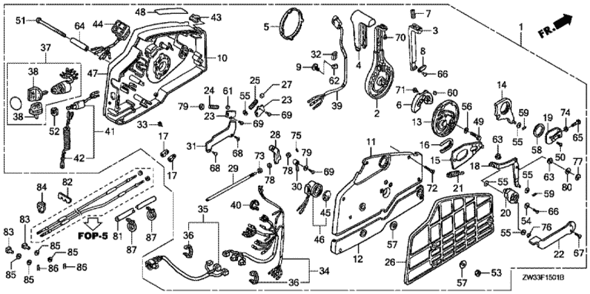
| Номер на рисунке | Артикул | Наименование | Кол-во на складе | Цена | |
| 1 | 24800-ZW4-H10 | Машинка дистанционного управления, в сборе (p / t) (Box assy., remote control (p/t)) | под заказ | 54880 руб. | |
| 1 | 24800-ZW2-D02 | (последний код) Remote Control Assy (NHK MEC) | под заказ | 54880 руб. | |
| 1 | 24800-ZW4-H11 | Машинка дистанционного управления, в сборе (p / t) (Box assy., remote control (p/t)) | под заказ | 54880 руб. | |
| 2 | 24811-ZV5-000 | Рукоятка дистанционного управления (Handle, remote control) | под заказ | 18440 руб. | |
| 2 | 24811-ZV5-010 | (последний код) HANDLE, REMOTE CONTROL | под заказ | 18440 руб. | |
| 3 | 24812-ZV5-000 | Рычаг блокировки рукоятки (Lever, handle lock) | под заказ | 2930 руб. | |
| 4 | 24813-ZV5-000 | Ручка рукоятки дистанционного управления (Grip, remote control handle) | 1 шт | 5200 руб. | |
| 5 | 24814-ZV5-010 | Колпачок рукоятки (Cap, handle) | под заказ | 1530 руб. | |
| 6 | 24815-ZV5-000 | Блок блокировки нейтрали (Block, neutral lock) | под заказ | 1300 руб. | |
| 6 | 24815-ZV5-010 | (последний код) BLOCK, NEUTRAL LOCK | под заказ | 1300 руб. | |
| 7 | 24816-ZV5-000 | Пружина рукоятки дистанционного управления (Spring, remote control handle) | под заказ | 460 руб. | |
| 8 | 24817-ZV5-000 | Пластина для установки рычага (Plate, lever setting) | под заказ | 580 руб. | |
| 9 | 24818-ZV5-003 | Струбцина под жгут проводов (Clamp, harness) | под заказ | 250 руб. | |
| 10 | 24820-ZV5-000 | Корпус машинки дистанционного управления (a) (Housing comp., remote control box (a)) | под заказ | 26630 руб. | |
| 10 | 24820-ZV5-010 | (последний код) HOUSING COMP., REMOTE CON | под заказ | 26630 руб. | |
| 11 | 24830-ZV5-010 | Корпус машинки дистанционного управления (b) (Housing comp., remote control box (b)) | под заказ | 9400 руб. | |
| 12 | 24836-ZV5-000 | Корпус машинки дистанционного управления (c) (Housing, remote control box (c)) | под заказ | 6780 руб. | |
| 13 | 24841-ZV5-000 | Колесо управления (Wheel, control) | 1 шт | 9350 руб. | |
| 14 | 24845-ZV5-000 | Рычаг переключающей тяги (Arm comp., shift link) | под заказ | 8000 руб. | |
| 15 | 24850-ZV5-000 | Скользящая пластина (Plate comp., sliding) | под заказ | 7150 руб. | |
| 16 | 24854-ZV5-000 | Воротник скользящей пластины (Collar, sliding plate) | 2 шт | 1400 руб. | |
| 17 | 24855-ZV5-000 | Переключающий стержень (Pivot, shift) | 6 шт | 1610 руб. | |
| 18 | 24860-ZV5-000 | Плечо соеденительной тяги (Arm comp., link joint) | под заказ | 8000 руб. | |
| 19 | 24865-ZV5-000 | Кронштейн соеденительной тяги (Bracket, link joint) | под заказ | 2800 руб. | |
| 20 | 24875-ZV5-000 | Колесо акселератора (Wheel, accelerator) | под заказ | 4510 руб. | |
| 21 | 24876-ZV5-000 | Пружина колеса акселератора (Spring, accelerator wheel) | под заказ | 460 руб. | |
| 22 | 24878-ZV5-000 | Рычаг холостого хода (Lever, idle) | под заказ | 9310 руб. | |
| 23 | 24881-ZV5-000 | Пластина установочной пружины (Plate, spring setting) | под заказ | 580 руб. | |
| 24 | 24883-ZV5-000 | Нажимная пружина переключателя (Spring, shift click) | под заказ | 460 руб. | |
| 25 | 24884-ZV5-000 | Возвратная пружина дроссельной заслонки (Spring, choke return) | под заказ | 460 руб. | |
| 26 | 24885-ZV5-000 | Прокладка машинки газ-реверс (Spacer, remote control box) | под заказ | 12970 руб. | |
| 27 | 24887-ZV5-000 | Прокладка нажимной пружины (Spacer, click spring) | под заказ | 910 руб. | |
| 28 | 24891-ZV5-000 | Блокировка дросселя (Block, throttle friction) | под заказ | 1600 руб. | |
| 29 | 24892-ZV5-000 | Фрикционный болт (Bolt, friction) | под заказ | 2220 руб. | |
| 30 | 24894-ZV5-000 | Прокладка переключателя нейтрали (Spacer, neutral switch) | под заказ | 1200 руб. | |
| 31 | 24895-ZV5-000 | Струбцина кабеля наклона двигателя (Clamp, power tilt cord) | под заказ | 1170 руб. | |
| 32 | 24897-ZV5-000 | Направляющая трубка проводки (Pipe, harness guide) | под заказ | 900 руб. | |
| 33 | 24898-ZV5-000 | Прокладка струбцины кабеля (Spacer, cable clamp) | под заказ | 910 руб. | |
| 34 | 32530-ZY3-000 | Кабель для дистанционного управления (b) (Cable assy., remote control (b)) | под заказ | 38790 руб. | |
| 34 | 32530-ZY3-010 | (последний код) CABLE ASSY., REMOTE CONTR | под заказ | 38790 руб. | |
| 35 | 32580-ZY3-000 | Кабель панели переключателей (Cable assy., switch panel) | под заказ | 27130 руб. | |
| 35 | 32580-ZW2-D01 | (последний код) CABLE ASSY., SWITCH PANEL | под заказ | 21770 руб. | |
| 36 | 32901-952-770 | Хомут кабеля (natural 2.4x92) (Tie, cable (natural 2.4x92)) | под заказ | 40 руб. | |
| 37 | 35100-ZV5-003 | Комбинированный выключатель, в сборе (Switch assy., combination) | 1 шт | 25590 руб. | |
| 38 | 35110-ZV5-003 | Ключ комбинированного выключателя, в сборе (Key assy., combination switch) | 2 шт | 1580 руб. | |
| 39 | 35370-ZV5-823 | Переключатель механизированного дифферента наклона, в сборе (Switch assy., power trim-tilt) | 1 шт | 10220 руб. | |
| 40 | 35701-MG9-950 | Ремешок (чёрный 3.5x140) (Band (black 3.5x140)) | под заказ | 380 руб. | |
| 41 | 36180-ZV5-013 | Выключатель - аварийный останов двигателя, в сборе (Switch assy., emergency stop) | под заказ | 10010 руб. | |
| 41 | 36180-ZV5-033 | (последний код) SWITCH ASSY., EMERGENCY S | под заказ | 10010 руб. | |
| 42 | 36182-ZV4-650 | Шнур аварийной остановки двигателя (Cord comp., emergency) | под заказ | 3330 руб. | |
| 42 | 36182-ZV4-651 | (последний код) CORD COMP., EMERGENCY | под заказ | 3330 руб. | |
| 43 | 36187-ZV4-651 | Клипса аварийной блокировки (Clip, emergency lock) | под заказ | 1240 руб. | |
| 43 | 36187-ZV4-652 | (последний код) CLIP, EMERGENCY LOCK | 5 шт | 1240 руб. | |
| 44 | 37210-ZV5-013 | Индикаторные лампы (2-led) (Lamp assy., indication (2-led)) | под заказ | 19720 руб. | |
| 45 | 38403-341-672 | Пластина зуммера (Plate, winker buzzer) | под заказ | 820 руб. | |
| 46 | 38410-ZV5-003 | Предупреждающий зуммер (Buzzer comp., warning) | под заказ | 10770 руб. | |
| 47 | 87701-ZV5-010 | Пластина дистанционного управления (Plate, remote control) | под заказ | 11340 руб. | |
| 48 | 87702-ZW9-800 | Маркировка - холостой ход -> быстрее (Mark, fast idle) | под заказ | 890 руб. | |
| 49 | 90009-ZV5-000 | Болт под шестигранник., 8x35 (Bolt, hex., 8x35) | под заказ | 590 руб. | |
| 49 | 90008-ZW9-000 | Фланцевый болт, 8x35 (Bolt, flange, 8x35) | под заказ | 900 руб. | |
| 50 | 90105-MM4-000 | Винт с чашечкой, 6x10 (Screw, pan, 6x10) | под заказ | 170 руб. | |
| 51 | 90125-ZV5-000 | Винт, 6x95 (Screw, 6x95) | под заказ | 740 руб. | |
| 52 | 90302-921-000 | Шестигранная гайка, 16 мм (Nut, hex., 16mm) | 2 шт | 570 руб. | |
| 53 | 90304-ZV4-000 | Шестигранная гайка, 6 мм (Nut, hex., 6mm) | под заказ | 280 руб. | |
| 54 | 90502-ZV4-000 | Плоская шайба, 5 мм (Washer, plain, 5mm) | 2 шт | 550 руб. | |
| 55 | 90506-ZV4-000 | Плоская шайба, 6 мм (Washer, plain, 6mm) | 4 шт | 380 руб. | |
| 55 | 90504-921-010 | Плоская шайба, 6 мм (Washer, plain, 6mm) | 6 шт | 330 руб. | |
| 56 | 90507-ZV4-000 | Плоская шайба, 8 мм (Washer, plain, 8mm) | под заказ | 360 руб. | |
| 57 | 90512-921-010 | Шайба, 6 мм (Washer, 6mm) | 6 шт | 380 руб. | |
| 58 | 90557-ZV5-000 | Шайба, 28 мм (Washer, 28mm) | под заказ | 600 руб. | |
| 59 | 90751-ZV5-000 | Блокирующая шпилька, 6 мм (Pin, lock, 6mm) | под заказ | 260 руб. | |
| 60 | 90772-ZV5-000 | Штифт, 6x6 (Pin, 6x6) | под заказ | 320 руб. | |
| 61 | 91151-ZV5-000 | Нажимной ролик (Roller, click) | под заказ | 500 руб. | |
| 62 | 91475-SB6-000 | Зажим (Clip) | под заказ | 370 руб. | |
| 63 | 91567-ZV5-000 | Воротник соеденительной тяги (Collar, link joint) | под заказ | 400 руб. | |
| 64 | 91570-ZV5-000 | Промежуточный воротник, 6x10x43.5 (Collar, distance, 6x10x43.5) | под заказ | 1210 руб. | |
| 65 | 92101-05016-4J | Болт под шестигранник., 5x16 (Bolt, hex., 5x16) | под заказ | 140 руб. | |
| 66 | 93500-050-104-J | Винт с чашечкой, 5x10 (Screw, pan, 5x10) | под заказ | 150 руб. | |
| 67 | 93700-050-124-J | Овальный винт, 5x12 (Screw, oval, 5x12) | под заказ | по запросу | |
| 67 | 90108-ZW4-000 | Плоский винт, 5x12 (Screw, flat, 5x12) | под заказ | 300 руб. | |
| 68 | 93901-250J0 | Нажимной винт, 5x8 (Screw, tapping, 5x8) | под заказ | 230 руб. | |
| 69 | 93901-251J0 | Нажимной винт, 5x10 (Screw, tapping, 5x10) | под заказ | 90 руб. | |
| 70 | 93901-252J0 | Нажимной винт, 5x12 (Screw, tapping, 5x12) | под заказ | 230 руб. | |
| 71 | 93903-262J0 | Нажимной винт, 6x16 (Screw, tapping, 6x16) | под заказ | 310 руб. | |
| 72 | 93905-255J0 | Нажимной винт, 5x25 (Screw, tapping, 5x25) | под заказ | 310 руб. | |
| 73 | 94001-064-900-S | Гайка (Nut) | под заказ | 200 руб. | |
| 74 | 94002-054-900-S | Шестигранная гайка, 5 мм (Nut, hex., 5mm) | под заказ | 110 руб. | |
| 75 | 94540-03029 | Уплотнительное кольцо (E-ring) | под заказ | 140 руб. | |
| 76 | 94540-04029 | Уплотнительное кольцо (E-ring) | 2 шт | 600 руб. | |
| 77 | 94540-07029 | Уплотнительное кольцо (E-ring) | под заказ | 430 руб. | |
| 78 | 90401-ZW4-000 | Плоская шайба, 4 мм (Washer, plain, 4mm) | под заказ | 260 руб. | |
| 79 | 90402-ZW4-000 | Плоская шайба, 5 мм (Washer, plain, 5mm) | под заказ | 370 руб. | |
| 80 | 90518-921-000 | Плоская шайба, 8 мм (Washer, plain, 8mm) | под заказ | 150 руб. | |
| 81 | 17736-ZW1-000 | Гофрированная трубка (28 мм) (Tube, corrugate (28mm)) | под заказ | 710 руб. | |
| 82 | 17877-ZV5-000 | Пластина кабеля дистанционного управления (Plate, remote control cable) | 1 шт | 1200 руб. | |
| 83 | 24618-ZV5-000 | Переключающий стержень (Pivot, shift) | 2 шт | 2090 руб. | |
| 84 | 40105-ZV5-000 | Пыльник под корпусом (a) (Grommet, under case (a)) | под заказ | 3210 руб. | |
| 86 | 90765-ZV5-000 | Штифт специального замка, 6 мм (Pin, special lock, 6mm) | под заказ | 150 руб. | |
| 87 | 91058-MG9-681 | Ремешок самостоятельной блокировки (Band, self lock) | под заказ | 480 руб. | |
Время выполнения запроса 1.6325879096985 сек.
склад запчастей для водомоторной техники