вконтакте

Контактный телефон: +7 (981) 121-46-93, +7 (800) 200-90-76 , Email: parts-katalog@yandex.ru, где купить

 
 

  Логин:

Пароль:

Регистрация

www.partskatalog.ru Все каталоги Запчасти Mercury Запчасти Suzuki Запчасти Tohatsu Запчасти Honda Контакты

назад Раздел:   вперёд

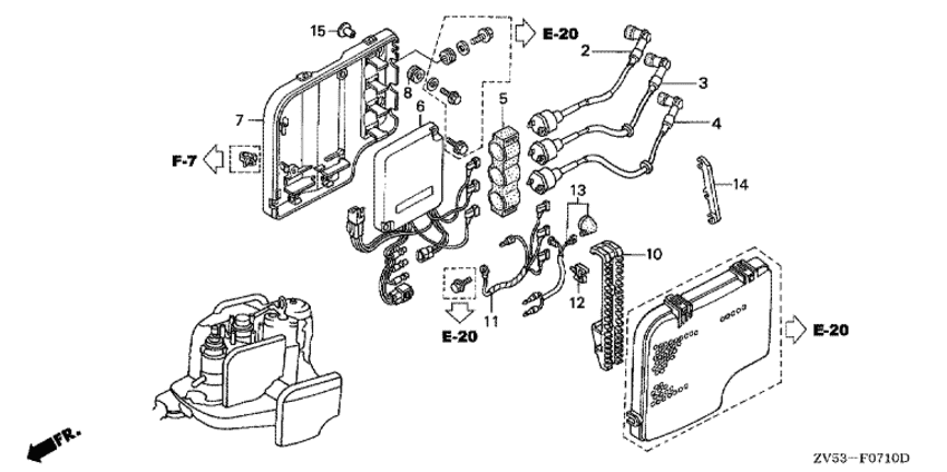
Модификация Вашего двигателя:   Honda BF45AM SRD
Модели с серийным номером двигателя от BAFE-1000001 до BAFE-1099999
Модели с серийным номером рамы от BSAF-1000001 до BSAF-1099999

Вернуться к выбору узлов мотора

   Катушка зажигания / Блок управления C.D.I. (2)
Ignition Coil / C.d.i. Unit (2)      


ДЕТАЛИРОВКА ДЛЯ МОДЕЛИ: HONDA BF45AM

Двигатель Хонда BF45AM - Ignition Coil / C.d.i. Unit (2) - Катушка зажигания / Блок управления C.D.I. (2)

Время выполнения запроса 0.30383896827698 сек.

 
 

данный сайт носит информационный характер и не является публичной офертой

склад запчастей для водомоторной техники