вконтакте

Контактный телефон: +7 (981) 121-46-93, +7 (800) 200-90-76 , Email: parts-katalog@yandex.ru, где купить

 
 

  Логин:

Пароль:

Регистрация

www.partskatalog.ru Все каталоги Запчасти Mercury Запчасти Suzuki Запчасти Tohatsu Запчасти Honda Контакты

назад Раздел:   вперёд

Модификация Вашего двигателя:   Honda BF40A XRTD
Модели с серийным номером двигателя от BAYE-1000001 до BAYE-9999999
Модели с серийным номером рамы от BAYU-1000001 до BAYU-1999999

Вернуться к выбору узлов мотора

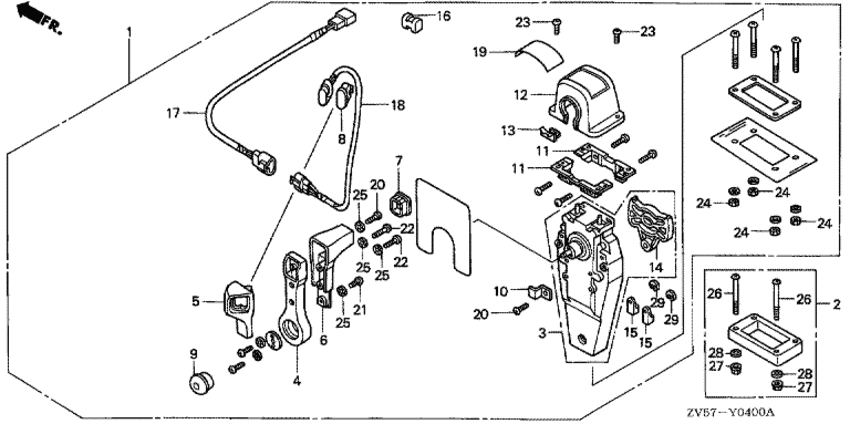
   Дистанционное управление (одинарное, правое, монтаж сверху)
Remote Control (top Mount Single Type) (right)      


ДЕТАЛИРОВКА ДЛЯ МОДЕЛИ: HONDA BF40A

Подвесной  лодочный мотор Хонда BF40A - Дистанционное управление (одинарное, правое, монтаж сверху) / Remote Control (top Mount Single Type) (right)
Номер на
рисунке
АртикулНаименованиеКол-во
на складе
Цена
106240-ZW5-U00

Комплект машинки дистанционного управления (одинарное, монтаж сверху) (r.) (Box kit, remote control (top mount single) (r.))

под заказ60250 руб. 
106240-ZW5-U40

(последний код) BOX KIT, REMOTE CONTROL (

1 шт102990 руб. 
206241-ZW5-U00

Комплект прокладки для машинки дистанционного управления (одинарное, монтаж сверху) (Spacer kit, remote control box (top mount single))

под заказ7070 руб. 
324810-ZW5-U01

Внутренний корпус, левый (монтаж сверху) (Housing assy., l. inner (top mount))

под заказ67250 руб. 
424811-ZW5-U01

Рукоятка дистанционного управления (Handle, remote control)

под заказ15870 руб. 
524812-ZW5-U01

Крышка рукоятки (Cover, l. grip)

под заказ3280 руб. 
624813-ZW5-U01

Ручка рукоятки дистанционного управления (Grip, remote control handle)

под заказ1640 руб. 
724814-ZW5-U01

Колпачок рукоятки (Cap, grip)

под заказ1100 руб. 
824815-ZW5-U01

Колпачок переключателя (Cap, switch)

под заказ1700 руб. 
924816-ZW5-U01

Кнопка дросселя (Button, throttle)

под заказ1210 руб. 
1024818-ZW5-U01

Пластина струбцины кабеля (Plate, cable clamp)

под заказ1320 руб. 
1124819-ZW5-U01

Кронштейн корпуса машинки дистанционного управления (Bracket, remote control housing)

под заказ1500 руб. 
1224820-ZW5-U01

Корпус машинки дистанционного управления (Housing comp., remote control box)

под заказ3810 руб. 
1324825-ZW5-U01

Корпус провода (Housing, lead)

под заказ450 руб. 
1424826-ZW5-U01

Зажерживающая пластина (Plate, dwell)

под заказ2250 руб. 
1524831-ZW5-U01

Наконечник кабеля (Terminal, cable)

под заказ1270 руб. 
1624832-ZW5-U01

Прокладка струбцины кабеля (Spacer, cable clamp)

под заказ640 руб. 
1732530-ZW7-U00

Вложение под жгут проводов управления механизированным дифферентом наклона (a) (Sub harness assy., power trim-tilt (a))

под заказ4100 руб. 
1835370-ZW5-U01

Переключатель механизированного дифферента наклона, в сборе (a) (Switch assy., power trim-tilt (a))

под заказпо запросу 
1987703-ZW5-U01

Маркировка - одинарное дистанционное управление (Mark, remote control (single))

под заказпо запросу 
2090101-ZW5-U00

Винт с чашечкой, 5x16 (Screw, pan, 5x16)

под заказ420 руб. 
2190102-ZW5-U00

Винт с чашечкой, 5x10 (Screw, pan, 5x10)

под заказ400 руб. 
2290103-ZW5-U01

Винт с чашечкой, 5x20 (Screw, pan, 5x20)

под заказ530 руб. 
2390105-ZW5-U01

Винт с чашечкой, 4x10 (Screw, pan, 4x10)

под заказ630 руб. 
2490301-ZW5-U00

Шестигранная гайка, 5 мм (Nut, hex., 5mm)

под заказ230 руб. 
2590501-ZW5-U00

Шайба с блокировкой, 5 мм (Washer, lock, 5mm)

под заказ130 руб. 
2693500-050-654-J

Винт с чашечкой, 5x65 (Screw, pan, 5x65)

под заказ570 руб. 
2794050-05020

Гайка (Nut)

под заказ140 руб. 
2894103-05200

Плоская шайба, 5 мм (Washer, plain, 5mm)

под заказпо запросу 
29 9454006029

Уплотнительное кольцо, 6 мм (E-ring, 6mm)

под заказ320 руб. 

Время выполнения запроса 2.1202409267426 сек.

 
 

данный сайт носит информационный характер и не является публичной офертой

склад запчастей для водомоторной техники