вконтакте

Контактный телефон: +7 (981) 121-46-93, +7 (800) 200-90-76 , Email: parts-katalog@yandex.ru, где купить

 
 

  Логин:

Пароль:

Регистрация

www.partskatalog.ru Все каталоги Запчасти Mercury Запчасти Suzuki Запчасти Tohatsu Запчасти Honda Контакты



УВАЖАЕМЫЕ КЛИЕНТЫ!
C 19 ДЕКАБРЯ 2025 ПО 02 МАРТА 2026 ГОДА ОТДЕЛ ЗАПЧАСТЕЙ И СЕРВИС РАБОТАТЬ НЕ БУДУТ
ПРОДАЖА ЛОДОЧНЫХ МОТОРОВ В ШТАТНОМ РЕЖИМЕ
ОБ ИЗМЕНЕНИЯХ В ГРАФИКЕ РАБОТЫ ЧИТАЙТЕ НА САЙТА



назад Раздел:   вперёд

Модификация Вашего двигателя:   Honda BF40A4 LRTW
Модели с серийным номером двигателя от BAYE-3000001 до BAYE-
Модели с серийным номером рамы от BAYS-3400001 до BAYS-3499999

Вернуться к выбору узлов мотора

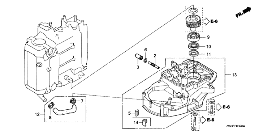
   Первичная коробка передач
Primary Gear Case      


ДЕТАЛИРОВКА ДЛЯ МОДЕЛИ: HONDA BF40A4

Подвесной четырёхтактный лодочный мотор BF40A4 - Primary Gear Case
Номер на
рисунке
АртикулНаименованиеКол-во
на складе
Цена
523161-ZV5-000

Rubber, Сальник (Rubber, seal)

под заказ420 руб. 
790602-ZV3-010

Струбцина трубки (d18.8) (Clamp, tube (d18.8))

под заказ670 руб. 
790602-ZV3-030

(последний код) CLAMP, TUBE (D18.8)

под заказ670 руб. 
790602-ZV3-020

Струбцина трубки (d18.8) (Clamp, tube (d18.8))

под заказ670 руб. 
890604-ZY3-000

Струбцина трубки (d21) (Clamp, tube (d21))

под заказ490 руб. 
890604-ZY3-010

Струбцина трубки (d21) (Clamp, tube (d21))

под заказпо запросу 
991024-ZV5-003

Подшипник, радиальный шариковый, 6205 (Bearing, radial ball, 6205)

4 шт2240 руб. 
96205CS13NTN

   (подбор по маркировке) Подшипник NTN 6205CS13(25*52*13 мм)

под заказ0
1091204-ZV5-005

Сальник, 25x40x7 (Oil seal, 25x40x7)

10 шт1330 руб. 
1191221-ZV5-005

Сальник, 17x26x7 (Seal, water, 17x26x7)

7 шт670 руб. 
1206154-ZV5-000

Масляная трубка, комплект (Tube set, oil)

под заказ4690 руб. 
1304231-ZV5-000ZA

Корпус основной шестерни, комплект *nh8* (Case comp. kit, primary gear *nh8*)

под заказ65380 руб. 
1423173-ZW5-000

Резинка сальника монтажного корпуса (Rubber, mount case seal)

под заказ0 руб. 

Время выполнения запроса 0.36175298690796 сек.

 
 

данный сайт носит информационный характер и не является публичной офертой

склад запчастей для водомоторной техники