вконтакте

Контактный телефон: +7 (981) 121-46-93, +7 (800) 200-90-76 , Email: parts-katalog@yandex.ru, где купить

 
 

  Логин:

Пароль:

Регистрация

www.partskatalog.ru Все каталоги Запчасти Mercury Запчасти Suzuki Запчасти Tohatsu Запчасти Honda Контакты

назад Раздел:   вперёд

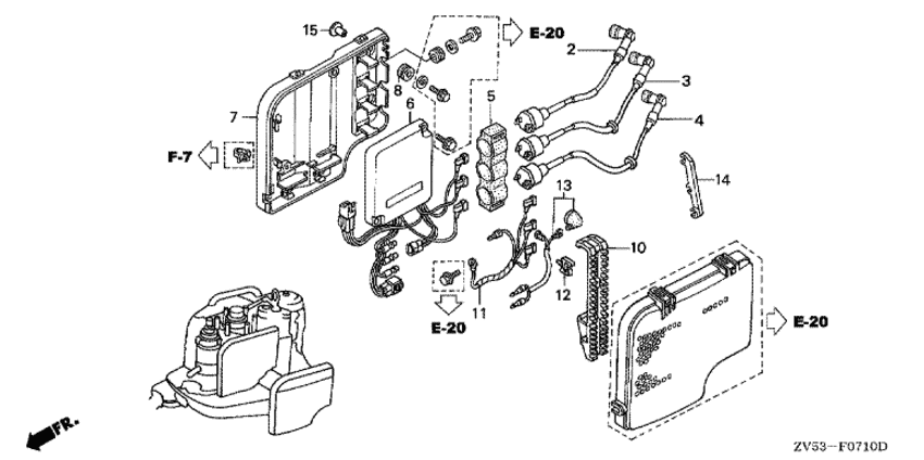
Модификация Вашего двигателя:   Honda BF35AM LRB
Модели с серийным номером двигателя от BAGE-1000001 до BAGE-1099999
Модели с серийным номером рамы от BLAG-1000001 до BLAG-1099999

Вернуться к выбору узлов мотора

   Катушка зажигания / Блок управления C.D.I. (2)
Ignition Coil / C.d.i. Unit (2)      


ДЕТАЛИРОВКА ДЛЯ МОДЕЛИ: HONDA BF35AM

Лодочный  мотор Хонда BF35AM - Катушка зажигания / Блок управления C.D.I. (2) / Ignition Coil / C.d.i. Unit (2)

Время выполнения запроса 0.22214984893799 сек.

 
 

данный сайт носит информационный характер и не является публичной офертой

склад запчастей для водомоторной техники