вконтакте

Контактный телефон: +7 (981) 121-46-93, +7 (800) 200-90-76 , Email: parts-katalog@yandex.ru, где купить

 
 

  Логин:

Пароль:

Регистрация

www.partskatalog.ru Все каталоги Запчасти Mercury Запчасти Suzuki Запчасти Tohatsu Запчасти Honda Контакты



УВАЖАЕМЫЕ КЛИЕНТЫ!
C 19 ДЕКАБРЯ 2025 ПО 02 МАРТА 2026 ГОДА ОТДЕЛ ЗАПЧАСТЕЙ И СЕРВИС РАБОТАТЬ НЕ БУДУТ
ПРОДАЖА ЛОДОЧНЫХ МОТОРОВ В ШТАТНОМ РЕЖИМЕ
ОБ ИЗМЕНЕНИЯХ В ГРАФИКЕ РАБОТЫ ЧИТАЙТЕ НА САЙТА



назад Раздел:   вперёд

Модификация Вашего двигателя:   Honda BF35AM LRC
Модели с серийным номером двигателя от BAGE-1000001 до BAGE-1099999
Модели с серийным номером рамы от BLAG-1000001 до BLAG-1003639

Вернуться к выбору узлов мотора

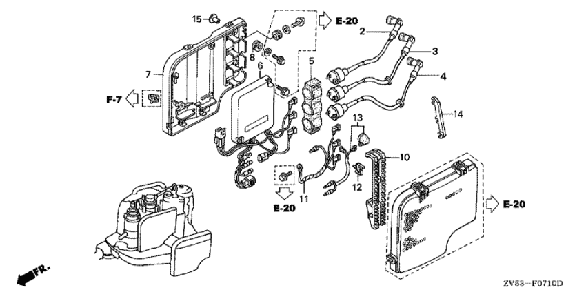
   Катушка зажигания / Блок управления C.D.I. (2)
Ignition Coil / C.d.i. Unit (2)      


ДЕТАЛИРОВКА ДЛЯ МОДЕЛИ: HONDA BF35AM

Подвесной лодочный  двигатель Honda BF35AM - Катушка зажигания / Блок управления C.D.I. (2) / Ignition Coil / C.d.i. Unit (2)

Время выполнения запроса 1.7548699378967 сек.

 
 

данный сайт носит информационный характер и не является публичной офертой

склад запчастей для водомоторной техники