вконтакте

Контактный телефон: +7 (981) 121-46-93, +7 (800) 200-90-76 , Email: parts-katalog@yandex.ru, где купить

 
 

  Логин:

Пароль:

Регистрация

www.partskatalog.ru Все каталоги Запчасти Mercury Запчасти Suzuki Запчасти Tohatsu Запчасти Honda Контакты



УВАЖАЕМЫЕ КЛИЕНТЫ!
C 19 ДЕКАБРЯ 2025 ПО 02 МАРТА 2026 ГОДА ОТДЕЛ ЗАПЧАСТЕЙ И СЕРВИС РАБОТАТЬ НЕ БУДУТ
ПРОДАЖА ЛОДОЧНЫХ МОТОРОВ В ШТАТНОМ РЕЖИМЕ
ОБ ИЗМЕНЕНИЯХ В ГРАФИКЕ РАБОТЫ ЧИТАЙТЕ НА САЙТА



Раздел:   вперёд

Модификация Вашего двигателя:   Honda BF35AM SRC
Модели с серийным номером двигателя от BAGE-1000001 до BAGE-1099999
Модели с серийным номером рамы от BSAG-1000660 до BSAG-1000804

Вернуться к выбору узлов мотора

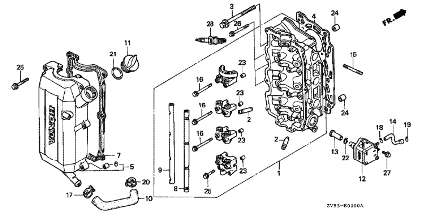
   Головка блока цилиндра
Cylinder Head      


ДЕТАЛИРОВКА ДЛЯ МОДЕЛИ: HONDA BF35AM

Подвесной лодочный 4-тактный двигатель BF35AM - Cylinder Head
Номер на
рисунке
АртикулНаименованиеКол-во
на складе
Цена
112010-ZV5-000ZA

Head в сборе., Цилиндр *nh8 * (Head assy., cylinder *nh8 *)

под заказпо запросу 
212205-ZV5-305

Направляющая клапана (0.s.) (Guide, valve (0.s.))

под заказпо запросу 
312228-ZV5-004

Болт с шайбой, 10x85 (Bolt-washer, 10x85)

под заказ950 руб. 
412251-ZV5-000

Прокладка головки блока цилиндра (Gasket, cylinder head)

под заказ9710 руб. 
412251-ZW4-H01

(последний код) GASKET, CYLINDER HEAD

2 шт5750 руб. 
512310-ZV5-000

Крышка головки цилиндра (Cover comp., cylinder head)

под заказ34320 руб. 
512310-ZZ5-M00

(последний код) COVER COMP., CYLINDER HEA

под заказ29380 руб. 
612314-ZV5-300

Воротник крышки головки цилиндра (Collar, head cover)

под заказ840 руб. 
712391-ZV5-000

Прокладка крышки головки цилиндра (Packing, head cover)

под заказ5110 руб. 
712391-ZV5-010

(последний код) PACKING, HEAD COVER

4 шт4500 руб. 
814631-ZV5-000

Вал входного коромысла (Shaft, in. rocker arm)

под заказ0 руб. 
914632-ZV5-000

Вал выходного коромысла (Shaft, ex. rocker arm)

под заказ8830 руб. 
1015422-ZV5-000

Масляная трубка (Tube, oil)

под заказ4690 руб. 
1006154-ZV5-000

(последний код) TUBE SET, OIL

под заказ4690 руб. 
1115611-921-000

Крышка заливной горловины масла (жёлтый) (Cap, oil (yellow))

под заказ1030 руб. 
1216700-ZV5-000

Топливный насос, в сборе (Pump assy., fuel)

под заказ15140 руб. 
1216700-ZW1-004

(последний код) PUMP ASSY., FUEL

1 шт20900 руб. 
1316716-ZV5-000

Лифтер топливного насоса (Lifter, fuel pump)

под заказ1170 руб. 
1416861-ZV5-000

Топливная трубка B (Tube b, fuel)

под заказ970 руб. 
1590006-ZV5-000

Болт под шпильку, 6x28 (Bolt, stud, 6x28)

под заказпо запросу 
1690018-ZV5-000

Фланцевый болт, 6x70 (Bolt, flange, 6x70)

под заказ0 руб. 
1790602-ZV5-013

Струбцина трубки (d22) (Clamp, tube (d22))

под заказпо запросу 
1890603-ZV4-000

Зажим трубки (b10) (Clip, tube (b10))

под заказ270 руб. 
1990604-881-000

Зажим трубки (b12) (Clip, tube (b12))

под заказ220 руб. 
2090602-ZV3-000

Струбцина трубки (d18.8) (Clamp, tube (d18.8))

под заказпо запросу 
2191301-805-000

Уплотнительное кольцо, 26x2.7 (O-ring, 26x2.7)

под заказ380 руб. 
2291306-921-000

Уплотнительное кольцо, 20.8x2.4 (O-ring, 20.8x2.4)

под заказ440 руб. 
2291351-MG7-003

(последний код) O-RING 20.6X2.4

3 шт440 руб. 
2394301-08140

Шпонка (Dowel pin)

4 шт150 руб. 
2494303-06100

Шпонка (Dowel pin)

под заказ230 руб. 
2595701-0603502

Фланцевый болт, 6x35 (Bolt, flange, 6x35)

под заказ120 руб. 
2695701-0804002

Фланцевый болт, 8x40 (Bolt, flange, 8x40)

под заказ150 руб. 
2796001-0602002

Фланцевый болт, 6x20 (Bolt, flange, 6x20)

под заказ150 руб. 
2898069-5771P

Свеча зажигания (dr7ea) (ngk) (Plug, spark (dr7ea) (ngk))

под заказ650 руб. 
28 9806957726

Свеча зажигания (x22esr-u) (denso) (Plug, spark (x22esr-u) (denso))

1 шт650 руб. 

Время выполнения запроса 1.7478449344635 сек.

 
 

данный сайт носит информационный характер и не является публичной офертой

склад запчастей для водомоторной техники