вконтакте

Контактный телефон: +7 (981) 121-46-93, +7 (800) 200-90-76 , Email: parts-katalog@yandex.ru, где купить

 
 

  Логин:

Пароль:

Регистрация

www.partskatalog.ru Все каталоги Запчасти Mercury Запчасти Suzuki Запчасти Tohatsu Запчасти Honda Контакты

назад Раздел:   вперёд

Модификация Вашего двигателя:   Honda BF30A2 LRSD
Модели с серийным номером двигателя от BAWE-1000001 до BAWE-1999999
Модели с серийным номером рамы от BAWL-3100001 до BAWL-3299999

Вернуться к выбору узлов мотора

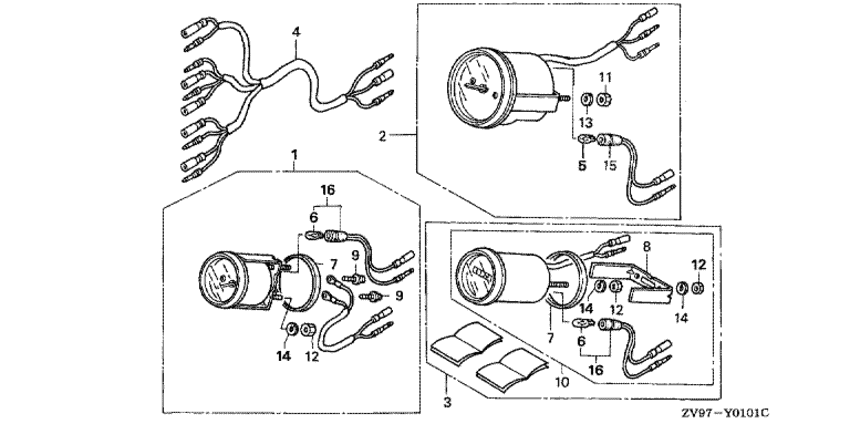
   Комплекты приборов
Meter Kit      


ДЕТАЛИРОВКА ДЛЯ МОДЕЛИ: HONDA BF30A2

Подвесной  лодочный двигатель BF30A2 - Meter Kit - Комплекты приборов
Номер на
рисунке
АртикулНаименованиеКол-во
на складе
Цена
106374-ZW5-U00

Комплекты приборов - вольтметр (Meter kit, volt)

под заказ16390 руб. 
106374-ZW5-U10

Комплекты приборов - вольтметр (b) (Meter kit, volt (b))

под заказ16390 руб. 
206375-ZV7-U00

Комплекты приборов - тахометр (Meter kit, tacho)

под заказ28840 руб. 
206375-ZV7-U10

Комплекты приборов - тахометр (b) (Meter kit, tacho (b))

под заказпо запросу 
306397-ZW5-U00

Комплекты приборов - счётчик мото-часов (Meter kit, hour)

под заказ30250 руб. 
306397-ZW5-U10

Комплекты приборов - счётчик мото-часов (b) (Meter kit, hour (b))

под заказ36430 руб. 
432550-ZW5-U00

Жгут проводов для подключения приборов (b) (Harness assy., meter (b))

под заказ5930 руб. 
534908-MB9-871

Лампочка, без цоколя (t10) (12v 1.7w) (stanley) (Bulb, wedge base (t10) (12v 1.7w) (stanley))

под заказ380 руб. 
634908-MG9-951

Лампочка, без цоколя (12v 1.7w) (Bulb, wedge base (12v 1.7w))

под заказ350 руб. 
634907-KW3-003

(последний код) BULB, WEDGE BASE (12V 1.7

под заказ350 руб. 
737264-ZV5-821

Прокладка (Packing)

под заказ630 руб. 
837266-ZV5-821

Кронштейн (Bracket)

под заказ2590 руб. 
937305-KE5-008

Винт с шайбой, 3x22 (Screw-washer, 3x22)

под заказ420 руб. 
1039700-ZW5-U01

Счётчик мото-часов (Meter assy., hour)

под заказ29710 руб. 
1039700-ZW5-U11

Счётчик мото-часов (b) (Meter assy., hour (b))

под заказ29710 руб. 
1190309-ZV5-821

Шестигранная гайка, 5 мм (Nut, hex., 5mm)

под заказ200 руб. 
1290310-ZV5-821

Шестигранная гайка, 4 мм (Nut, hex., 4mm)

под заказ150 руб. 
1390550-ZV5-821

Пружинистая шайба, 5 мм (Washer, spring, 5mm)

под заказ260 руб. 
1490560-ZV5-821

Пружинистая шайба, 4 мм (Washer, spring, 4mm)

под заказ250 руб. 
1537258-ZV5-U01

Розетка (Socket comp.)

под заказ4140 руб. 
1637258-ZW5-U01

Розетка (Socket comp.)

под заказ4140 руб. 

Время выполнения запроса 0.46681594848633 сек.

 
 

данный сайт носит информационный характер и не является публичной офертой

склад запчастей для водомоторной техники