вконтакте

Контактный телефон: +7 (981) 121-46-93, +7 (800) 200-90-76 , Email: parts-katalog@yandex.ru, где купить

 
 

  Логин:

Пароль:

Регистрация

www.partskatalog.ru Все каталоги Запчасти Mercury Запчасти Suzuki Запчасти Tohatsu Запчасти Honda Контакты



УВАЖАЕМЫЕ КЛИЕНТЫ!
C 19 ДЕКАБРЯ 2025 ПО 02 МАРТА 2026 ГОДА ОТДЕЛ ЗАПЧАСТЕЙ И СЕРВИС РАБОТАТЬ НЕ БУДУТ
ПРОДАЖА ЛОДОЧНЫХ МОТОРОВ В ШТАТНОМ РЕЖИМЕ
ОБ ИЗМЕНЕНИЯХ В ГРАФИКЕ РАБОТЫ ЧИТАЙТЕ НА САЙТА



назад Раздел:   вперёд

Модификация Вашего двигателя:   Honda BF30A SRSD
Модели с серийным номером двигателя от BAWE-1000001 до BAWE-1999999
Модели с серийным номером рамы от BAWS-1000001 до BAWS-2999999

Вернуться к выбору узлов мотора

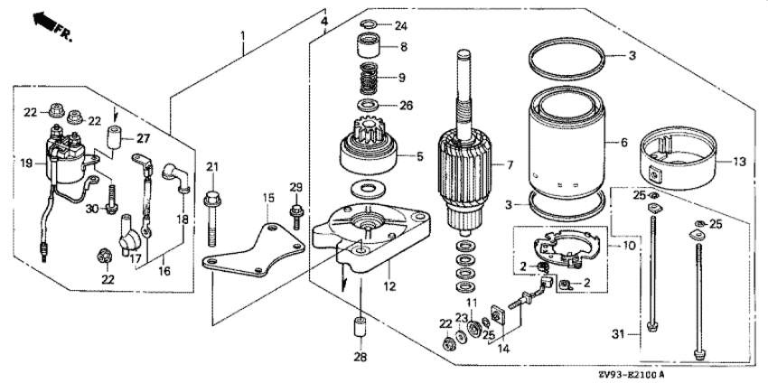
   Двигатель стартера
Starter Motor      


ДЕТАЛИРОВКА ДЛЯ МОДЕЛИ: HONDA BF30A

Двигатель HONDA BF30A - Двигатель стартера
Номер на
рисунке
АртикулНаименованиеКол-во
на складе
Цена
131200-ZV7-751

Электростартер, в сборе (Motor assy., starter)

под заказ116530 руб. 
231204-KS5-901

Пружина угольной щётки (Spring, carbon brush)

под заказ480 руб. 
331207-KS5-901

Кольцо (Ring)

под заказ660 руб. 
431210-ZV7-751

Двигатель электростартера, в сборе (Motor unit, starter)

под заказ104280 руб. 
531214-ZV7-751

Сцепление (Clutch comp.)

под заказ27640 руб. 
631216-ZV7-751

Обойма (Yoke comp.)

под заказ39560 руб. 
731217-ZV7-751

Ротор (Rotor comp)

под заказ59830 руб. 
831221-ZV4-811

Часть стопора (Piece, stopper)

под заказ2140 руб. 
931223-ZV4-811

Возвратная пружина (Spring, return)

под заказ1110 руб. 
1031231-ZV4-811

Держатель щётки, комплект (Holder comp., brush)

под заказ9840 руб. 
1131233-ZV4-811

Изолятор (Insulator)

под заказ1490 руб. 
1231235-ZV4-811

Кронштейн, передний (Bracket comp., fr.)

под заказ23560 руб. 
1331236-ZV4-811

Кронштейн, задний (Bracket, rr.)

под заказ14350 руб. 
1431238-ZV4-812

Оконечное устройство (Terminal unit)

под заказ3180 руб. 
1531255-ZV7-750

Остановка, Двигатель стартера (Stay, starter motor)

под заказ2860 руб. 
1632402-ZV7-750

Провод магнитного переключателя (Cord, magnet switch)

под заказ3220 руб. 
1732411-ZV4-811

Колпачок оконечного устройства (Cover, starter terminal)

под заказ380 руб. 
1832412-ZV4-811

Крышка клеммы магнитного переключателя (Cover, magnetic switch terminal)

под заказ380 руб. 
1935850-ZV7-751

Выключатель магнитного переключателя, в сборе (Switch assy., starter magnetic)

под заказ17520 руб. 
2190126-881-000

Фланцевый болт, 8x45 (Bolt, flange, 8x45)

под заказ350 руб. 
2190126-ZW4-000

(последний код) BOLT, FLANGE, 8X45

под заказ350 руб. 
2290203-ZV4-811

Гайка с шайбой, 6 мм (Nut-washer, 6mm)

под заказ680 руб. 
2390405-ZV4-811

Шайба, 6 мм (Washer, 6mm)

под заказ440 руб. 
2490602-ZV4-811

Стопорное кольцо, 14 мм (Circlip, 14mm)

под заказ90 руб. 
2591320-MB0-000

Уплотнительное кольцо (O-ring)

под заказ420 руб. 
2691401-ZV4-811

Шайба (Washer)

под заказ550 руб. 
2791551-ZV7-750

Промежуточный воротник (Collar, distance)

под заказ670 руб. 
2894301-10160

Шпонка (Dowel pin)

10 шт210 руб. 
2995701-0601602

Фланцевый болт, 6x16 (Bolt, flange, 6x16)

под заказ140 руб. 
3096001-0602502

Фланцевый болт, 6x25 (Bolt, flange, 6x25)

под заказ240 руб. 
3190012-ZV7-752

Комплект установочных болтов (Bolt set, setting)

под заказ1180 руб. 

Время выполнения запроса 1.6501350402832 сек.

 
 

данный сайт носит информационный характер и не является публичной офертой

склад запчастей для водомоторной техники