вконтакте

Контактный телефон: +7 (981) 121-46-93, +7 (800) 200-90-76 , Email: parts-katalog@yandex.ru, где купить

 
 

  Логин:

Пароль:

Регистрация

www.partskatalog.ru Все каталоги Запчасти Mercury Запчасти Suzuki Запчасти Tohatsu Запчасти Honda Контакты

назад Раздел:   вперёд

Модификация Вашего двигателя:   Honda BF30D4 LHTW
Модели с серийным номером двигателя от BEAUJ-1000001 до BEAUJ-
Модели с серийным номером рамы от BAUJ-1000001 до BAUJ-

Вернуться к выбору узлов мотора

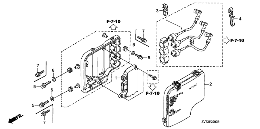
   Блок управления C.D.I.
C.d.i. Unit      


ДЕТАЛИРОВКА ДЛЯ МОДЕЛИ: HONDA BF30D4

Подвесной четырёхтактный мотор BF30D4 - Блок управления C.D.I.
Номер на
рисунке
АртикулНаименованиеКол-во
на складе
Цена
230588-ZV5-013

Крышка модуля C.D.I. (Cover, c.d.i. unit)

под заказ5960 руб. 
332765-PA1-730

Струбцина (Clamp)

под заказ1010 руб. 
432766-PE2-003

Струбцина середины кабеля (Clamp, center cord)

под заказ1410 руб. 
790003-ZW2-000

Болт с шайбой, 6x27 (ct200) (Bolt-washer, 6x27 (ct200))

под заказ570 руб. 

Время выполнения запроса 0.27665495872498 сек.

 
 

данный сайт носит информационный характер и не является публичной офертой

склад запчастей для водомоторной техники